Magiho výzkumný ústav
- LukasGunther
- Příspěvky: 603
- Registrován: 14. 3. 2017, 3:53
- Kontaktovat uživatele:
- magi
- Sponzor fora
- Příspěvky: 2741
- Registrován: 16. 10. 2006, 12:40
- Bydliště: Třebíč
- Kontaktovat uživatele:
Jo vidíte, já vlastně zapomněl ukázat, jak dopadla výstavba letištní plochy
Zde takový rádoby časoběr https://youtu.be/IOEQdfUb_O0
Zde takový rádoby časoběr https://youtu.be/IOEQdfUb_O0
Dle úpravy hnojiště poznáme hospodáře, dle výsledu voleb jakýchkoliv duševní úroveň voličů.
- magi
- Sponzor fora
- Příspěvky: 2741
- Registrován: 16. 10. 2006, 12:40
- Bydliště: Třebíč
- Kontaktovat uživatele:
Díky.
Kdyby jsi slyšel těch milion řečí (o tom že vymýšlím kraviny) od mojí manželky a mojí máti zhruba ve chvíli co je focená tato fotka, jak to bylo před tím hezké a jak jsme to totálně zničili, tak by jsi nezáviděl
Jednu chvíli jsem měl pocit, že se na mě domluvily
Dle úpravy hnojiště poznáme hospodáře, dle výsledu voleb jakýchkoliv duševní úroveň voličů.
-
machine works
- Příspěvky: 84
- Registrován: 23. 12. 2023, 4:38
- Kontaktovat uživatele:
Je to fak paradni. Tak hlavně jestli teď změnili názor
Trochu jsi mě inspiroval premýšlim ,že to dám pod zvedak na auta.
Jakou frakci kamení máš jako podklad 10-16?
Trochu jsi mě inspiroval premýšlim ,že to dám pod zvedak na auta.
Jakou frakci kamení máš jako podklad 10-16?
servis4sp,WKV63,HJ8,SV18,R5,BPH20na,1U,Sip3EE,Theil 132,FN40,FVT3CNC,GH450,KU250
- magi
- Sponzor fora
- Příspěvky: 2741
- Registrován: 16. 10. 2006, 12:40
- Bydliště: Třebíč
- Kontaktovat uživatele:
Díky, ano už se jim to líbímachine works píše: ↑22. 6. 2024, 9:46 Je to fak paradni. Tak hlavně jestli teď změnili názor
Trochu jsi mě inspiroval premýšlim ,že to dám pod zvedak na auta.
Jakou frakci kamení máš jako podklad 10-16?
Podklad je v mém případě jen a pouze prosívka. Vím že nějaká frakce 4-8 nebo 8-16 by byla lepší, nicméně jsem si vzal ispiraci z práce, kde dělali prakticky to samé a sázeli panely jen do písku. Jezdí se po nich ješterkami a panely se ani nehnou.
Dle úpravy hnojiště poznáme hospodáře, dle výsledu voleb jakýchkoliv duševní úroveň voličů.
- magi
- Sponzor fora
- Příspěvky: 2741
- Registrován: 16. 10. 2006, 12:40
- Bydliště: Třebíč
- Kontaktovat uživatele:
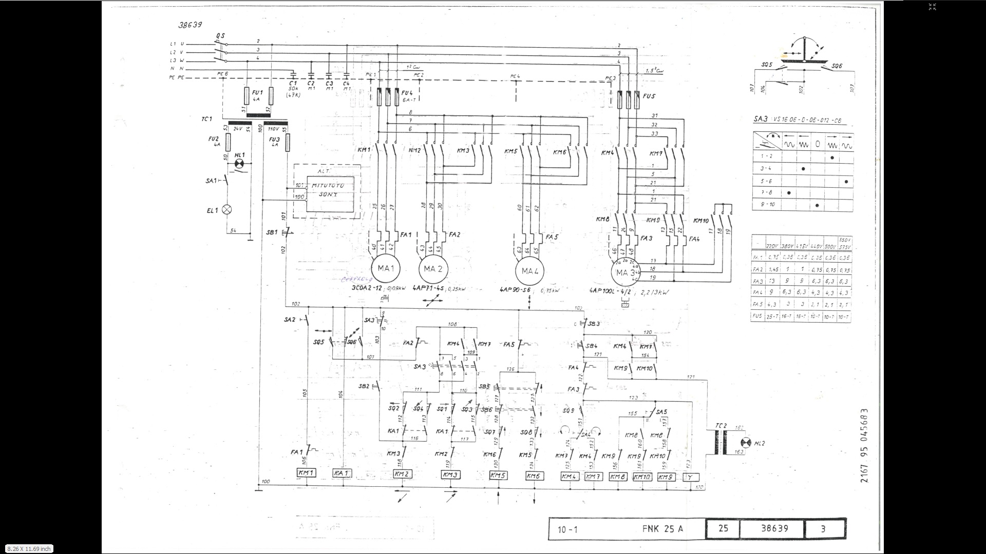
Ti blbci to mají ovládané 110V AC a na těch stykačích, co dělají reverzaci už nejsou volné pomocné kontakty NO.
NC by tam volné byly, šlo by to pustit přes ně a v meniči ty dva vstupy invertovat. Ale to se mi zdá nebezpečné, vzhledem k tomu, že při výměně nástroje ho držím v ruce. Někde upadne drát, nebo nedosedne správně kontakt a ono se mi to samo roztočí.
Takže pokud nechci to původní zapojení zničit (což nechci) tak musím sehnat dvě relátka s cívkou na 110V AC.
Ty pak budou povelovat frekvenčák.
Jo a zrušil jsem total stop, místo něj je wagovka a na panelu potenciometr
NC by tam volné byly, šlo by to pustit přes ně a v meniči ty dva vstupy invertovat. Ale to se mi zdá nebezpečné, vzhledem k tomu, že při výměně nástroje ho držím v ruce. Někde upadne drát, nebo nedosedne správně kontakt a ono se mi to samo roztočí.
Takže pokud nechci to původní zapojení zničit (což nechci) tak musím sehnat dvě relátka s cívkou na 110V AC.
Ty pak budou povelovat frekvenčák.
Jo a zrušil jsem total stop, místo něj je wagovka a na panelu potenciometr
Dle úpravy hnojiště poznáme hospodáře, dle výsledu voleb jakýchkoliv duševní úroveň voličů.
No hele nevím, taky nemam totalstopy moc v lásce, ale uz se mi na stroji moc hodily, kdyz se to kousne nepremejslis zrovna moc rychle a empiricky, proste bouchnes do totalu... Proto je vsude na strojkach mam a funkcni
SM16A, FN20, 3E710B, CDC7-2, HO02, CO2laser, Fiber.. propagator www.atreon.cz
- magi
- Sponzor fora
- Příspěvky: 2741
- Registrován: 16. 10. 2006, 12:40
- Bydliště: Třebíč
- Kontaktovat uživatele:
Hned vedle na zdi je total od celé dilny, takže pohoda. Notabene já za celou dobu co jsem v tom dělal nikdy total nepoužil, vždy jen stop tlačítko.
Relé mám 24AC, cívky mají 350ohm. Tzn. při 24V přes ně teče 68,5mA. Abych tento proud dodržel i při 110V tak přidám odpor 1250ohm.
Mám to dobře spočítané? Relata 110V AC jsou všude jen na objednání, jedině TME je má skladem.
Jak tak na to koukám, možná by místo totalu šlo zrušit kontrolku, ona stejně nesvítí
Prostě do toho originál panelu nechci vrtat. Šlo by dát poťák z boku, místo přepínače otáček (je tam páčkový a už nebude funkční), ale to bych na poťák neviděl - tzn. jej chci mít na panelu zepředu.
Relé mám 24AC, cívky mají 350ohm. Tzn. při 24V přes ně teče 68,5mA. Abych tento proud dodržel i při 110V tak přidám odpor 1250ohm.
Mám to dobře spočítané? Relata 110V AC jsou všude jen na objednání, jedině TME je má skladem.
Jak tak na to koukám, možná by místo totalu šlo zrušit kontrolku, ona stejně nesvítí
Prostě do toho originál panelu nechci vrtat. Šlo by dát poťák z boku, místo přepínače otáček (je tam páčkový a už nebude funkční), ale to bych na poťák neviděl - tzn. jej chci mít na panelu zepředu.
Dle úpravy hnojiště poznáme hospodáře, dle výsledu voleb jakýchkoliv duševní úroveň voličů.
Spočítaný to máš dobře, jen na tom odporu bude ztráta skoro 6W, tak ho patřičně dimenzuj. Jo a 1250R budeš těžko shánět, v pohodě kup 1k2 nebo 1k5. Jo a STOP tlačítko už se mi parkrát taky hodilo, třeba když se mi ve vrtačce na MK4 točil asi 60cm kus plechu jak kudla u mixéru 
- magi
- Sponzor fora
- Příspěvky: 2741
- Registrován: 16. 10. 2006, 12:40
- Bydliště: Třebíč
- Kontaktovat uživatele:
Tak je tam, soudruh měnič. U poťáku mi chyběl jeden drát, tzn. jsem musel GND analogu poslat po kostře.
Relátka budou v pátek 110AC - tzn. tento bastl s odpory je jen teď na zkoušku.
Trošku jsem bojoval s nastavením RampDown, protože FNK25A má čelisťovou brzdu vřetene a furt se to hádalo, za neustálého pískání řemenu a padání FM do poruchy. Nakonec zvítězila volba "volný doběh" a už je to OK.
Až se mi bude chtít, tak Total Stop vrátím zpět a zruším kontrolku zapnutého stavu. Musí se ale s plastu vytočit krycí podložky, protože původní ovladací hlavice jsou většího průměru.
Relátka budou v pátek 110AC - tzn. tento bastl s odpory je jen teď na zkoušku.
Trošku jsem bojoval s nastavením RampDown, protože FNK25A má čelisťovou brzdu vřetene a furt se to hádalo, za neustálého pískání řemenu a padání FM do poruchy. Nakonec zvítězila volba "volný doběh" a už je to OK.
Až se mi bude chtít, tak Total Stop vrátím zpět a zruším kontrolku zapnutého stavu. Musí se ale s plastu vytočit krycí podložky, protože původní ovladací hlavice jsou většího průměru.
Dle úpravy hnojiště poznáme hospodáře, dle výsledu voleb jakýchkoliv duševní úroveň voličů.