A300
Podstatne lepšie dostupnými i keď staršími IR2104 . Už je prerobený aj plošák , dnes dcéra v Blave kúpila tieto integráče , zajtra donesie .lamoz píše:cim chces nahradit IR21844 ?
Nemáš CNC - nič neznamenáš.
30.01.10 pokusne spustené CNC. Neviem, ako som mohol doteraz bez neho žiť. ><((((º>
http://www.fishpol.sk
30.01.10 pokusne spustené CNC. Neviem, ako som mohol doteraz bez neho žiť. ><((((º>
http://www.fishpol.sk
Práve som vyleptal plošné spoje. Zajtra odfotím a začnem osádzať - ak ma žena na štedrý deň s tým nevyhodí . 
Nemáš CNC - nič neznamenáš.
30.01.10 pokusne spustené CNC. Neviem, ako som mohol doteraz bez neho žiť. ><((((º>
http://www.fishpol.sk
30.01.10 pokusne spustené CNC. Neviem, ako som mohol doteraz bez neho žiť. ><((((º>
http://www.fishpol.sk
Bol som potrestaný za osadzovanie plošáku na štedrý deň . Na druhý deň mi zhavaroval systém a počas laborovania som zrejme odfajčil dva HDD , takže všetky dáta sú asi v čudu . Mizivé percento som mal vyzálohované - asi si hodím slučku .
Plošák som už osadil , k odskúšaniu mi chýbajú akurát 2ks 74HC283 - ak by bol niekto tej dobroty a z nadnormatívnych zásob mi dva predal , bol by som mu moc povďačný . Dnes voľačo odfotím a uverejním . Už idem spať , lebo je už pol tretej ráno . 
Nemáš CNC - nič neznamenáš.
30.01.10 pokusne spustené CNC. Neviem, ako som mohol doteraz bez neho žiť. ><((((º>
http://www.fishpol.sk
30.01.10 pokusne spustené CNC. Neviem, ako som mohol doteraz bez neho žiť. ><((((º>
http://www.fishpol.sk
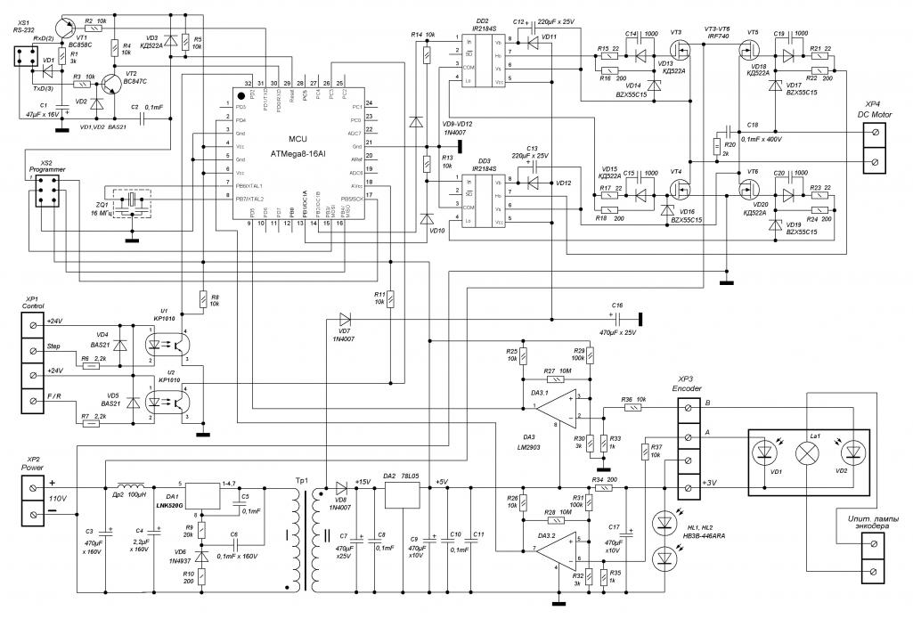
Ako na tom nastavuješ prúd motorom , nevidím tam totiž žiadnu spätnú väzbu .evos píše:Ja som postaval toto a ide to v pohode. Vyrobné náklady tiez nie su moc velke.
Nemáš CNC - nič neznamenáš.
30.01.10 pokusne spustené CNC. Neviem, ako som mohol doteraz bez neho žiť. ><((((º>
http://www.fishpol.sk
30.01.10 pokusne spustené CNC. Neviem, ako som mohol doteraz bez neho žiť. ><((((º>
http://www.fishpol.sk
- RadekCX
- Příspěvky: 622
- Registrován: 14. 7. 2006, 10:12
- Bydliště: Č.Budějovice
- Kontaktovat uživatele:
ahoj, muzes poslat link na puvodni stranky? zajimalo by me to ciste studijne..evos píše:Ja som postaval toto a ide to v pohode. Vyrobné náklady tiez nie su moc velke.
RadekCX
======================================================================
http://www.cncnet.info - problematika CNC a automatizace
http://www.jakjevenku.info - webová meteostanice
======================================================================
http://www.cncnet.info - problematika CNC a automatizace
http://www.jakjevenku.info - webová meteostanice
Dáta som zachránil

Nemáš CNC - nič neznamenáš.
30.01.10 pokusne spustené CNC. Neviem, ako som mohol doteraz bez neho žiť. ><((((º>
http://www.fishpol.sk
30.01.10 pokusne spustené CNC. Neviem, ako som mohol doteraz bez neho žiť. ><((((º>
http://www.fishpol.sk
Ešte treba urobiť chladič , prišrobovať naň tranzistory , naletovať 2ks 74HC283 - ktoré neviem zohnať , a pár iných vecí , ale bez tých sa to dá vyskúšať .lamoz píše:No vypada to skoro jako original
Nemáš CNC - nič neznamenáš.
30.01.10 pokusne spustené CNC. Neviem, ako som mohol doteraz bez neho žiť. ><((((º>
http://www.fishpol.sk
30.01.10 pokusne spustené CNC. Neviem, ako som mohol doteraz bez neho žiť. ><((((º>
http://www.fishpol.sk
slo by to koupit na ebay...
http://cgi.ebay.de/4x-IC-Circuit-CMOS-M ... .m63.l1177
http://cgi.ebay.de/4x-IC-Circuit-CMOS-M ... .m63.l1177
Posielam ten link:http://www.cnczone.com/forums/showthrea ... 911&page=2RadekCX píše:ahoj, muzes poslat link na puvodni stranky? zajimalo by me to ciste studijne..evos píše:Ja som postaval toto a ide to v pohode. Vyrobné náklady tiez nie su moc velke.
A este verzia aj z nastavenim prudu.Kontrola je cez ten emitorovy odpor oproti ref. napatiu na tom operaku.Vsetko odskusane funkcne.!!!.Mozno by sa chcelo este vyhrat stym asemblerom.
Naposledy upravil(a) evos dne 29. 12. 2008, 8:31, celkem upraveno 3 x.
Funny day!!!
http://forum.rcdesign.ru/f41/thread40981.htmlevos píše:Posielam ten link:http://www.cnczone.com/forums/showthrea ... 911&page=2RadekCX píše:ahoj, muzes poslat link na puvodni stranky? zajimalo by me to ciste studijne..evos píše:Ja som postaval toto a ide to v pohode. Vyrobné náklady tiez nie su moc velke.
http://www.usinages.com/carte-servos-a-dspic-t648.html
+ http://www.cnczone.com/forums/showthread.php?t=69640jaro.va píše:http://forum.rcdesign.ru/f41/thread40981.htmlevos píše:Posielam ten link:http://www.cnczone.com/forums/showthrea ... 911&page=2RadekCX píše: ahoj, muzes poslat link na puvodni stranky? zajimalo by me to ciste studijne..
http://www.usinages.com/carte-servos-a-dspic-t648.html