MN80.-typy,rady,fotky

Vse o konvencnich strojich, nic o jejich prestavbe na cnc
Odpovědět
Uživatelský avatar
Pawelson
Příspěvky: 275
Registrován: 29. 4. 2009, 9:10
Kontaktovat uživatele:

15. 1. 2016, 8:51

magneticke sklicidlo ve vreteni myslim.
Uživatelský avatar
steel_man
Příspěvky: 72
Registrován: 1. 1. 2016, 2:09
Bydliště: Košice, Slovensko

15. 1. 2016, 9:33

Aj tak nechapem preco magneticke? :) ved je tam normalne trojcelustove 80ka sklucovadlo.
Uživatelský avatar
Pawelson
Příspěvky: 275
Registrován: 29. 4. 2009, 9:10
Kontaktovat uživatele:

15. 1. 2016, 9:41

aha to byl festoo! uz dobrý,vidim!
Uživatelský avatar
steel_man
Příspěvky: 72
Registrován: 1. 1. 2016, 2:09
Bydliště: Košice, Slovensko

16. 1. 2016, 12:21

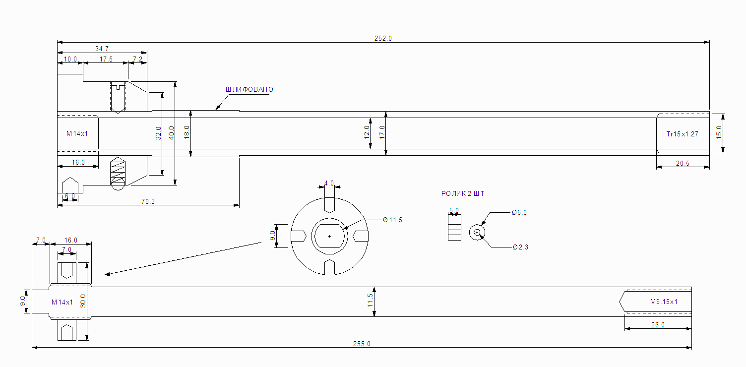
Chcel by som sa opytat ci nahodou niekto nema nakresleny aspon zhruba ten system na kliestinovy upinac? Popripade ci by niekto nebol ochotny mi to nafotit a doplnit rozmery bol by som mu velmi vdacny :) Najlepsie aj rozmery tej vidlicky, ale to v podstate uz by sa dalo urcit z toho kusa, dakujem pekne velmi by mi to pomohlo, ja by som to nakreslil v Cade a ak by niekto potreboval rad poskytnem vykresy.
Uživatelský avatar
elbarto
Příspěvky: 5440
Registrován: 22. 5. 2014, 10:27
Bydliště: Prague

16. 1. 2016, 2:00

Projdi peclive cele toto vlakno. Nekde uprostred jsou fotky celeho upinani s popisem od Lubose, ktery je velky odbornik na MN80. Pripadne mu pisni, mam pocit ze mi vykresy posilal. Nechci tady prezentovat neco bez souhlasu autora a stejne bych to spis nenasel.
Uživatelský avatar
steel_man
Příspěvky: 72
Registrován: 1. 1. 2016, 2:09
Bydliště: Košice, Slovensko

16. 1. 2016, 4:12

Dakujem za tip, presiel som to este raz a nasiel som nejake foto ale aj tak z toho niesom mudrejsi, potreboval by som to detailnejsie ja tam nemam v zadu nic len vreteno takze mi tam chyba vsetko, musim vyrobit vsetko komplet vratane vidlicky, paky atd atd, skusim asi napisat tomu Lubosovi ale ako som pozeral tak tu dlhsie nebol a mne by bolo najlepsie ak by som uz v pondelok nieco zacal vyrabat.
Uživatelský avatar
elbarto
Příspěvky: 5440
Registrován: 22. 5. 2014, 10:27
Bydliště: Prague

16. 1. 2016, 5:01

Chtit po nekom kotovat polovinu stroje asi nebude to prave orechove. MNek je spousta, spis si pisni poptavku na nekoho z okoli a omer si co potrebujes v realu. A dopln si do profilu odkud ses, jinak se na tebe kazdy vykasle ...
Uživatelský avatar
steel_man
Příspěvky: 72
Registrován: 1. 1. 2016, 2:09
Bydliště: Košice, Slovensko

16. 1. 2016, 5:51

Ja nechcem aby mi niekto kotoval polovicu stroja, len som sa pytal ci nahodou to niekto uz neriesil a nema rozmery hlavne toho vid obrazky, a ak tak max by som potreboval aby to niekto odfotil a do fotky dopisal rozmery to by malo stacit, ak nie tak to skusim okopirovat a rozmerovo upravit z SM 16ky ktoru mam k dispozicii, ale najradsej by som bol ak by som tieto rozmery zohnal lebo to vyzera ze je to jednochuje a funkcne, vyrobit to nieje problem to mam za par hodin, mozno by som ani nepotreboval rozmery len mat predstavu ako to funguje respektive ako to zaisti v tej upnutej polohe tu kliestinu.
DSCI01061.jpg
DSCI01061.jpg (65.57 KiB) Zobrazeno 7495 x
Přílohy
DSCI01131.jpg
DSCI01131.jpg (23.31 KiB) Zobrazeno 7495 x
festoo
Příspěvky: 70
Registrován: 19. 5. 2013, 9:52
Bydliště: Plzeň jich

17. 1. 2016, 3:13

Tak sem neco našel nejaké fotky nemůžu to osobně změřit sem služebne pryč
Přílohy
5.0.jpg
5.gif
IMG_1267.JPG
drawtubes.gif
Uživatelský avatar
steel_man
Příspěvky: 72
Registrován: 1. 1. 2016, 2:09
Bydliště: Košice, Slovensko

17. 1. 2016, 4:00

festoo: Ďakujem veľmi pekne za pomoc vážim si toho :) Len aj tak ešte nechápem ako tam tie valčeky zaistuju tu kliestinu v upnutej polohe :? Snáď na to prídem.
festoo
Příspěvky: 70
Registrován: 19. 5. 2013, 9:52
Bydliště: Plzeň jich

17. 1. 2016, 6:56

Tady pár fotek ješte potřebuješ to pouzdro co se dává zepředu do vřetenea pak tam dáš tu kleštinu
SL271294.JPG
P7037894.JPG
Ous mocowanie tulejek.jpg
IMG_7841.JPG
Uživatelský avatar
steel_man
Příspěvky: 72
Registrován: 1. 1. 2016, 2:09
Bydliště: Košice, Slovensko

17. 1. 2016, 7:09

Ano viem to puzdro som pozeral to ide do kuzeloveho otvoru vretena kde je kuzelovitost 1:20 pokial som dobre cital, tam ide jedno pudro na kliestiny a potom este dve puzdra na stromceky jedno na vonkajsie a jedno na vnutorne, chcem sa opytat ci na tie puzdra do vretena by som mohol pouzit material CSN 12 061? To by po zakaleni a popusteni malo na toto bohate stacit nie? Dakujem za fotky a za pomoc.
Borin
Příspěvky: 662
Registrován: 4. 6. 2011, 7:40
Bydliště: Poblíž Hradce Králové
Kontaktovat uživatele:

17. 1. 2016, 10:08

Hlavně počítej, že to musí být broušené, když to jen vytočíš a zakalíš, tak to bude křivý a bude to solidně házet...
Soustruh SV18R, Magdeburg (Poreba TR45), Frézka FH24, Vrtačka V20A, V10, Šeping noname...
Uživatelský avatar
steel_man
Příspěvky: 72
Registrován: 1. 1. 2016, 2:09
Bydliště: Košice, Slovensko

18. 1. 2016, 7:00

No s tym pocitam len nemam k dispozicii brusku, uvidime.
Uživatelský avatar
Francotirador
Příspěvky: 1172
Registrován: 27. 7. 2010, 8:04

18. 1. 2016, 12:46

V pátek večer jsem po delší (hodně delší) době potřeboval upnout obrobek do vnější stromečkové kleštiny ozn. MN810 a po 3 hodinách hledání jsem musel konstatovat, že jsem někam zašantročil redukci pro upínání kleštin :? viz festoovo obrázek
redukce_kleštiny.jpg
Nepřebývá čirou náhodou někomu? Nebo nemáte ho někdo odměřený a namalovaný výkres?
díky
soustruh: TOS MN80A; obrážečka: TOS MS200N
frézka: klon Sieg X2; ostřička: Beiping PP-U3
Odpovědět

Zpět na „konvenční soustruhy“