Pohon pro časosběrový kamera/foto slider

Grad
Příspěvky: 2084
Registrován: 13. 7. 2014, 9:32

12. 4. 2015, 8:04

Trochu toto téma oživím.
Hrál jsem si dnes odpoledne s pohonem na foto pojezdu a tady je vysledek:
camera-slider.jpg
Video - motorizovaný Camera Slider
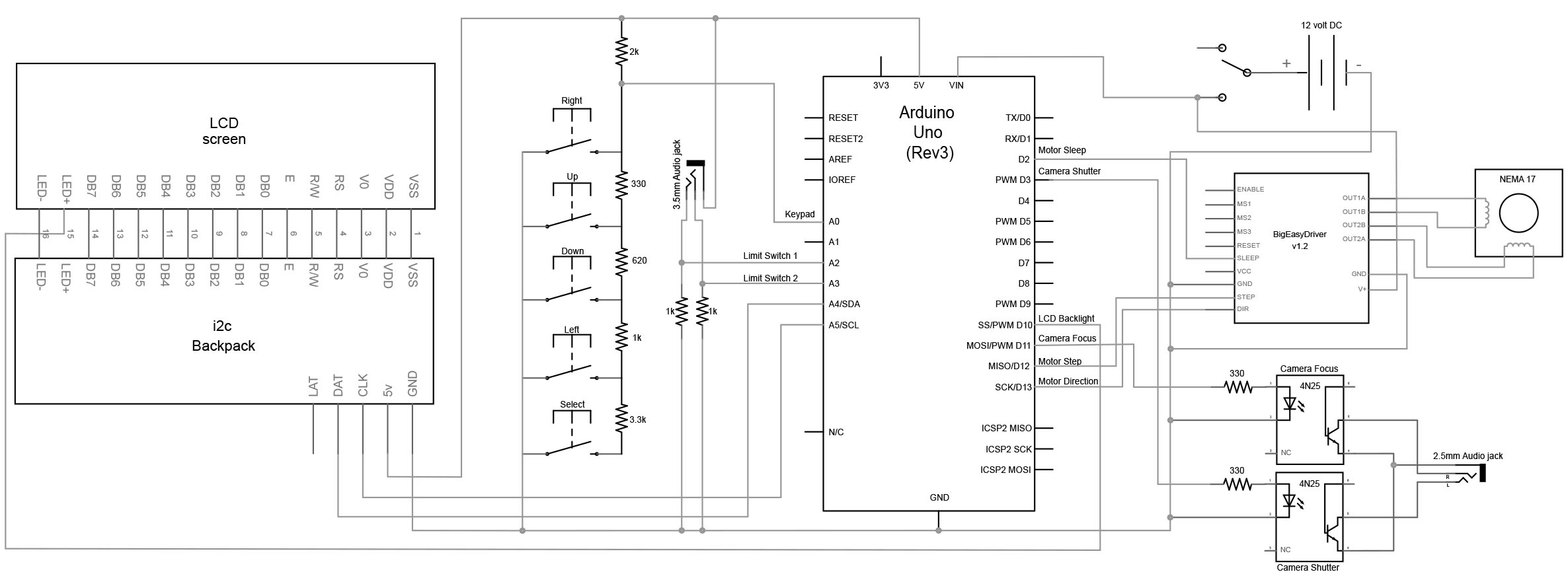
Zvolil jsem pohon KM a ovládat bych ho chtěl Arduinem pomoci OpenMoco projektu, který je opensource.
Zatím na odzkoušení tam mám driver s L298N a jednoduchý SW někde z netu. Je to prozatím hlučné a né příliš plynulé a jako pojezd-dolly ke kameře asi nevhodné, ale pro časosběr-timelapse to nevadí, protože tam se fotí po zastaveni pojezdu a prodlevě.
EDIT:
po dotazu v SZ přidán ten SW pro L298N z videa, potřeba příponu souboru přejmenovat z TXT na INO
Time_Lapse_Panner_PUBLIC.txt
(6.17 KiB) Staženo 568 x
Naposledy upravil(a) Grad dne 12. 4. 2016, 9:25, celkem upraveno 1 x.
Uživatelský avatar
Pepa z depa
Příspěvky: 1779
Registrován: 2. 12. 2012, 9:31
Bydliště: Hostěradice (Znojemsko)

13. 4. 2015, 5:25

... coool - máš to pěkně udělaný .. nějaký čerstvý časosběrek by nebyl nejlíp v HD :mrgreen:
Žiju abych tvořil, tvořím abych žil. www.PePeSysel.cz
máša: vřeteno voda 1,5kW, měnič Delta, 2Nm 3f 60V krokáče, Yako drivery, lineáry a kuličkáče Hiwin,
vynikající Gravos GVE-64 na 125kHz, rám 8mm ocel vylita plastbetonem, vše na masivním litinovém stole.
Uživatelský avatar
Hades
Příspěvky: 1196
Registrován: 11. 10. 2012, 10:59
Bydliště: Praha; Mimoň

13. 4. 2015, 10:00

To: Grad pěkný,
prozradíš, co je to za profil, na kterým ti to jezdí?
Grad
Příspěvky: 2084
Registrován: 13. 7. 2014, 9:32

13. 4. 2015, 8:13

Je na tom ješte kupa práce - řízení, krabička, atp. ale dík za uznání.
Nemáte někdo realizované řízení s tím OpenMoco systémem?
Našel by se někdo, kdo by byl ochoten na 3D tiskárně pak udělat krabičku? Jasně že za úplatu :wink:
TO: Pepa z depa
na čerstvý časosběr nebyl (a asi jen tak nebude :-() zatím čas, rozhodně né na něco takové jako byla ta orchidea z profilu na Vimeo... a již vůbec né jako třeba toto:
https://www.youtube.com/watch?v=ZK4LjURtaDw" onclick="window.open(this.href);return false;
či cokoliv z jeho profilu :shock:
TO: Hades
jako profil je použita starší čínska obdoba Igusackého profilu DriLin W někde z ebay:
http://www.ebay.com/itm/Opteka-GLD-300- ... 2a49d89c05" onclick="window.open(this.href);return false;
Uživatelský avatar
Hades
Příspěvky: 1196
Registrován: 11. 10. 2012, 10:59
Bydliště: Praha; Mimoň

6. 5. 2015, 1:21

super, díky za info
Grad
Příspěvky: 2084
Registrován: 13. 7. 2014, 9:32

14. 12. 2015, 8:13

Ptal se mně v SZ kolega hrebik na pokrok a hlavně na odkaz s funkčním SW. Odkazoval jsem suveréně na https://www.google.cz/#q=OpenMoco" onclick="window.open(this.href);return false; ale jsem zjistil, že je dnes asi vše jako open projekt mrtvé a je z toho už jenom komerce :x ...
No což, pohrabal jsem se trochu a naštěstí Airic Lenz na jejích projektu postavil svůj miniE.
Ja zůstávám u V1.2 a pro jistotu to vše skopnu a dávám sem, co kdyby...
Doufám že mne admin nesežere :wink:
Hodně pěkný projekt pojezdu i řízení s miniE nabízí toto schéma:
komplet schéma miniE
komplet schéma miniE
a originál dokumentace:
miniE software v1.2 Documentation.pdf
pěkný popis HW i SW včetně toho co to umí
(3.52 MiB) Staženo 724 x
Uživatelský avatar
jova
Příspěvky: 2569
Registrován: 2. 11. 2007, 1:40
Bydliště: Chýnov to je kousek od Tábora
Kontaktovat uživatele:

14. 12. 2015, 10:19

Já svou variantu s PICAXEm dodělal v létě. Bylo to pro jednoho zájemce v podstatě na zakázku a tak ani netuším jestli to už rozhýbal mechanicky.
http://www.jova1.cz/ostatni/slider/slider.html
Grad
Příspěvky: 2084
Registrován: 13. 7. 2014, 9:32

12. 4. 2016, 9:47

Po dalším dotazu v SZ nabívám dojmu, že nějací foto nadšenci se tady pohybují a tak jsem doplnil do svého prvního postu soubor se SW z pokusného videa třeba to ještě někomu dalšímu pomůže...
Mne bohužel moc času navíc teď nezbývá a tak projekt time-lapsu zatím bohužel stojí :-( jsem rád že jsem se urval alespoň na nějake to focení (viz. 500px), když tu máme již konečně to jaro :D
Budulínek
Příspěvky: 136
Registrován: 27. 2. 2015, 9:28

21. 4. 2016, 8:18

O jak velkou krabičku by mělo jít? Myslím ten 3D tisk :)
whoisme
Příspěvky: 3
Registrován: 14. 3. 2015, 7:29

14. 9. 2016, 8:05

Zdravím všechny příznivce sliderů, časosběrů a motion-controll systémů :-)
Koupil jsem před časem na ebay starší kvalitní slider, zrepasoval jej, zafrézoval do něj ložiska, osy, ozubená kola, doplnil řemen atd.

Teď stojím před řešením pohonu a mezi Vás zkušené pokládám tímto dotaz a prosbu, kdo by mi s tím pomohl (pouze ovládání vč. programování)
Na řešení mám jen pár týdnů a proto jsem připraven řešení i koupit. Současně mohu na oplátku mohu nabídnout výrobu z karbonu , poradenství z oblasti starých manuálních skel a další.

Tady jsou požadavky:
- funkce časosběr (move-shoot-move) s obvyklými intervaly a rychlostmi a ovládáním spouště Sony NEX (přes IR) a Sony A7 (přes IR nebo multikonektor)
- funkce dolly s plynulým rozjezdem, dojezdem a kontinuálním během tam-zpět-tam s co možná nejtišším chodem pro natáčení
- vertikání posuv cca 2 kg
- řemenice ve slideru mají 15 zubů, řemenice náhonu jsou 30 zubů

Chybějící specifikace rád doplním.
Předem díky!
Přílohy
IMG_5649.JPG
Grad
Příspěvky: 2084
Registrován: 13. 7. 2014, 9:32

16. 9. 2016, 8:36

Pokud by se tady nikdo šikovnej a ochotnej nenašel, tak pak už jedině něco z "profi" nabídky.
Rozhodně by ale pak výsledek mohl vypadat třeba takto :wink:
whoisme
Příspěvky: 3
Registrován: 14. 3. 2015, 7:29

21. 9. 2016, 10:22

Po konzultaci s výrobcem 3D tiskáren jsem objednal speciální driver, který by měl zajistit prakticky neslyšnost pohonu. Objednal jsem 2 navíc, kdyby měl někdo zájem. v ČR ani Číně nesehnatelný.
Kdyby měl někdo zájem, objednal jsem 2 navíc. :D
oscar
Příspěvky: 1249
Registrován: 2. 5. 2010, 8:50
Bydliště: Perníkovice

21. 9. 2016, 11:45

a jakypak to je zazrak?

TMC2130 nebo TMC2100 ?
whoisme
Příspěvky: 3
Registrován: 14. 3. 2015, 7:29

21. 9. 2016, 2:38

Zazrak asi ne, ale 2100 jo;)
Uživatelský avatar
jova
Příspěvky: 2569
Registrován: 2. 11. 2007, 1:40
Bydliště: Chýnov to je kousek od Tábora
Kontaktovat uživatele:

18. 2. 2017, 6:44

Zase jeden slider na zakázku. Tentokrát by mě ovládat fotoaparát Canon a hýbat mikroskopem.
Procesor PICAXE 20X2.
https://www.youtube.com/watch?v=yHgWzmte52E" onclick="window.open(this.href);return false;
Odpovědět

Zpět na „Servomotory“