Nástrojová bruska - stolní

Pravidla fóra
toto forum vyzaduje schvaleni prispevku moderatorem
Uživatelský avatar
Francotirador
Příspěvky: 1172
Registrován: 27. 7. 2010, 8:04

1. 3. 2016, 12:09

Mi_los1 píše:To chceš brousit ty válcovy frézy z čela na obvodu kotouče? Jak potom nastavíš daný úhel hřbetu, respektive, jak ho budeš garantovat?…
Čela břitů nějak takto
Obrázek,
akorát v našem případě je na rozdíl od obrázku hlava zleva a ostřený nástroj směřuje nahoru (dolu ho nasměrovat jaksi nejde). Na obvodu kotouče ne (z čeho jsi to vydedukoval? :roll: ), ale na jeho přední čelní straně. V mém případě je kotouč diamantový talířový 12R4 100-10-3-3-20; na hrncovém, který je originálně k brusce by to nešlo (vedlejší břit by překážel). Zatím jsem přemýšlel jen nad přímými břity, ještě jsem nekontroloval jaké stoupání šroubovice čela břitu vs. průměr nástroje by šlo kotoučem Ø 100 brousit na jeho zadní 25°čelní ploše - nemám žádné levořezné nástroje (a klasické pravořezné by musely být nasměrovány dolů - což úhlová konzola neumožňuje).
Co se týče hřbetu a zábřitu tak ten brousím 1° až 2°k přednímu čelu kotouče takže spíše hranou (klidně hrncového to je jedno), nějak takto
Obrázek
Skutečnost je opět oproti obrázku převrácena a fréza není upnuta mezi hroty ale za stopku v přípravku.
Co se týče toho jak budu výsledné úhly garantovat - no většinou si vše garantuji pocitem, že jsem si vše udělal s nejvyšší pílí a dle nejlepšího svědomí :wink: Zajímavější spíš je, jak úhly na úhlové konzole nastavit. Protože u téhle brusky nelze aplikovat tabulky kolik dát osu ostřeného nástroje nad / pod osu kotouče, takže úhlovou konzolu nastavuji dle úhloměru, různých kontrolních dorazů (pro nastavení 0°), koncových měrek, trnů atd.
Lze toho nabrousit dost (efektivností tedy jen pro vlastní spotřebu), ale je to pokaždé makačka na bednu (obzvlášť, když si to já trouba nefotím nebo nezapisuju a pak většinu vymýšlím znova) a obnáší výrobu přípravků pro nastavení úhlů - tahle ostřička na tohle prostě není určená (ale je to, to jediné co mám :( )
Mi_los1 píše:…U této brusky by to dle mého šlo pouze za cenu vyrobení prodloužení, kterým by ses dostal na čelo brusného kotouče, ale vzadu
Vzadu? Čelo břitu - ano souhlasím, že čelem kotouče, ale nedovedu si představit jak bych se k ploše čela břitu dostal jinak než nahoře nebo dole kotouče (dole mi to nedovolí úhlová konzola).
milan584 píše:Furt něco objevujete :shock: a čong už to má dávno vyřešený
viz https://www.northerntool.com/images/dow ... 426245.pdf" onclick="window.open(this.href);return false; …

A co jako čong vyřešil? Vždyť opráskl Deckelův návod k S0 na gravírovací jednobřitý frézy a vrtáky (originální návody ke stažení např. ve vlákně http://www.c-n-c.cz/viewtopic.php?f=76& ... 60#p149686" onclick="window.open(this.href);return false; nebo http://www.c-n-c.cz/viewtopic.php?f=82& ... =0#p172391" onclick="window.open(this.href);return false;) akorát tam přidal naprosto nic neříkající kapitolku k ostření čelních válcových fréz a soustružnických nožů. Takže vyřešený nemá vůbec nic!
soustruh: TOS MN80A; obrážečka: TOS MS200N
frézka: klon Sieg X2; ostřička: Beiping PP-U3
Uživatelský avatar
Francotirador
Příspěvky: 1172
Registrován: 27. 7. 2010, 8:04

7. 3. 2016, 12:09

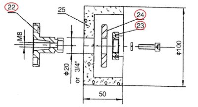
Francotirador píše:Když už jsem zmínil to přehazování kotoučů: Všichni tu řeší kleštiny… ale co příslušenství v podobě příruby kotouče s vnitřním kuželem - nebaví mě u karborundu po každém přehození kotouče orovnávat tolik. Nenarazili jste na to někdo (jako příslušenství, náhradní díl atd.)?
Obrázek
Tak jsem 24.2.2016 přírubu poptal jako náhradní díl (jako příslušenství se kupodivu nenabízí :roll: ).
Výsledek k dnešnímu dni:
MARKAGRO, s.r.o. - DARMET DM2770 http://www.markagro.cz/produkt/univerza ... oju-dm2770" onclick="window.open(this.href);return false; bez odezvy :?
SA Trade s.r.o.
 (PROMA) - ON-25 http://www.promacz.cz/on-25-ostricka-nastroju.html" onclick="window.open(this.href);return false; bez odezvy :?
DOBRÉ STROJE s.r.o. - HOLZMANN UWS 3 http://www.dobrestroje.cz/dobrestroje/e ... SKA-BRUSKA" onclick="window.open(this.href);return false; odezva = náhradní díl poptávají, cenu a termín zatím neznají
unitechnic.cz s.r.o. (Uni-max) - GRAVE MECU3 http://www.uni-max.cz/ostricka-nastroju-grave/d/" onclick="window.open(this.href);return false; odezva = čekají na potvrzení objednávky náhradního dílu, cenu neznají, naskladnění v srpnu
Výrobní stroje, s.r.o. - ZZM-10A http://eshop.vyrobnistroje.cz/product/o ... zm-10a/708" onclick="window.open(this.href);return false; odezva = cena za komplet 490Kč vč. DPH, vyprodáno - naskladnění na přelomu duben / květen
1.jpg
O rozměry kužele jsem si ani nepsal (nedoufal jsem v odpověď) tak zůstává otázkou, zda lze příruby mezi různými výrobci přehazovat.
soustruh: TOS MN80A; obrážečka: TOS MS200N
frézka: klon Sieg X2; ostřička: Beiping PP-U3
Uživatelský avatar
Francotirador
Příspěvky: 1172
Registrován: 27. 7. 2010, 8:04

7. 3. 2016, 12:48

Koho by to zajímalo, tak originální S0 (nebo S0E) má uložení příruby na kuželu naprosto jiné než číňani.
1.jpg
1.jpg (51.06 KiB) Zobrazeno 8429 x
V rámci možné dosažitelné přesnosti se na domácí výrobu jaksi necítím :oops:
Tumlík má v portfoliu jen pro BN102 http://www.tumlikovo.cz/projektypriruby ... ky-bn-102/" onclick="window.open(this.href);return false; :( :( :wink:
soustruh: TOS MN80A; obrážečka: TOS MS200N
frézka: klon Sieg X2; ostřička: Beiping PP-U3
Uživatelský avatar
peťák
Příspěvky: 10
Registrován: 20. 1. 2016, 9:26
Bydliště: Mokropsy

8. 3. 2016, 7:51

Na Unimaxu mají teď do 13.3. akci:
http://www.uni-max.cz/ostricka-nastroju-grave/d/" onclick="window.open(this.href);return false;
Uživatelský avatar
Maryss
Příspěvky: 165
Registrován: 21. 11. 2015, 1:03
Bydliště: Prosimerice

8. 3. 2016, 7:57

stejně to jsou strašné ceny :(
Uživatelský avatar
Francotirador
Příspěvky: 1172
Registrován: 27. 7. 2010, 8:04

8. 3. 2016, 9:59

Maryss píše:stejně to jsou strašné ceny :(
Strašné? :roll:
Nová Michael Deckel (ISOG) http://www.ingsimunek.cz/wp-content/upl ... -a-SOE.pdf" onclick="window.open(this.href);return false;
stojí bez příslušenství a stolku taky 10 tis. ale USD! :wink:
https://www.artcotools.com/deckel-so-cutter-grinder/" onclick="window.open(this.href);return false;
soustruh: TOS MN80A; obrážečka: TOS MS200N
frézka: klon Sieg X2; ostřička: Beiping PP-U3
Uživatelský avatar
pafik
Příspěvky: 3085
Registrován: 10. 2. 2013, 5:07
Bydliště: Praha 4

8. 3. 2016, 3:24

Proč mám utkvělou představu, že je to totéž, jen v šedivé barvě? :)
Uživatelský avatar
fmodel
Příspěvky: 10253
Registrován: 26. 10. 2011, 10:37
Kontaktovat uživatele:

8. 3. 2016, 3:49

pafik píše:Proč mám utkvělou představu, že je to totéž, jen v šedivé barvě? :)
to se pleteš ta Deklovka je kulatější :lol: :lol: asi už měl číňan omlácený model tak ho ošmirgloval :lol:
http://www.rm-reznicek.cz" onclick="window.open(this.href);return false;
milan584
Příspěvky: 2126
Registrován: 12. 5. 2009, 2:17
Bydliště: na jihu

8. 3. 2016, 9:38

pafik píše:Proč mám utkvělou představu, že je to totéž, jen v šedivé barvě? :)
Originál SO (SOE) má s těma čínskýma předělaninama :shock: má společný akorát název - bruska :) .
Mj. třeba šroub dorazu té kývací páky je u originálu v přesné vložce, konec šroubu má přesný broušený radius, páka má dosedací plochu nacementovanou (tzn. tvrdou) a přesně rovnoběžnou - obroušenou v sestavě s tou tyčí.
U číňana je ta "páka" :roll: z litiny, samozřejmě celá měkká, neuvěřitelně doprasená, dosedací plocha pro šroub ojetá asi úhlovkou, šroub je s vůlí asi tak 0,5 mm :shock: přímo v tom odlitku, na konci má místo radiusu patvar - takže jakékoli přesné, opakovatelné nastavení - naprosto nemožné.
Mj, tohle je naprosto fatální - protože díky tomu, jak to je zprasené, tak nejde v průběhu broušení měřit - při každém odklopení a přiklopení je nástroj v zcela jiné poloze - dané šišatostí a vůlemi celého toho mechanismu. To samé - pokud je páka opřená o dorazový šroub, tak při podélném posunu tyče se šroub vyvrací (konec šroubu se pohybuje po kružnici dané úděsným vaklem :shock: v závitu dorazového šroubu) - nástroj pak se nepohybuje po přímce ale po radiusu nebo obecné dráze - takže se třeba osazené nástroje s axiálním podbrusem (typicky stupňový vrták) vůbec nedají přesně nabrousit.
Uživatelský avatar
robokop
Site Admin
Příspěvky: 23274
Registrován: 10. 7. 2006, 12:12
Bydliště: Praha
Kontaktovat uživatele:

9. 3. 2016, 7:01

oni pisou ze to je prej bruska na gravirovaci jehly
treba po tom chces vic nez na co to je urceny

proste to cinan pojal o neco vic nez dvoukotoucovku ale ne zas tak o vic jako bys to pojal ty
tomu odpovida i cena
je to kompromis mezi cenou a muzikou

takze dve zlaty pravidla:
kdyz chces mercedesa musis kupovat mercedesa a ne trabanta
mercedesa za cenu trabanta nekoupis
Vsechna prava na chyby vyhrazena (E)
lubbez
Příspěvky: 3462
Registrován: 21. 6. 2012, 9:26
Bydliště: Praha

9. 3. 2016, 8:32

Už jsem byl rozhodnutej zdržet se komentářů a příspěvků, ale nakonec mi to nedá. Koupil jsem brusku od Unimaxu, za směšných 14T korun mám stroj, dva kotouče, přípravek na broušení fréz, přípravek na nože a 5 kleštin U2.. Stroj jsem vybalil, zbavil vazelíny a postavil na stůl a začal si ho osahávat. I dnes musím říci, za mě dobrý a broušení nástrojů jsem posunul o dva levely výš. Jak píše Robokop, koupil jsem si trabanta, ale šel jsem do toho s tím, že si kupuju trabanta. Za ty peníze to nejde u nás postavit. Když jsem tohle vlákno zakládal, myslel jsem si, že tu někdo přijde s nápadem jak něco zlepšit, předělat ..... a v podstatě jenom slyším je to sračka ....
Není to sračka, je to jenom jiná kvalitativní a cenová hladina. I když osobně bych řekl že hlavně cenová. Před pár týdny jsem opravoval kámošovi něco na jeho Harleji a měl jsem pocit, že Milwaukee je čínská kolonie.
Uživatelský avatar
Francotirador
Příspěvky: 1172
Registrován: 27. 7. 2010, 8:04

31. 10. 2016, 9:47

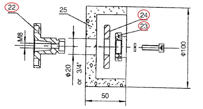
Francotirador píše:
Francotirador píše:Když už jsem zmínil to přehazování kotoučů: Všichni tu řeší kleštiny… ale co příslušenství v podobě příruby kotouče s vnitřním kuželem - nebaví mě u karborundu po každém přehození kotouče orovnávat tolik. Nenarazili jste na to někdo (jako příslušenství, náhradní díl atd.)?
Obrázek
Tak jsem 24.2.2016 přírubu poptal jako náhradní díl (jako příslušenství se kupodivu nenabízí :roll: ).
Výsledek k dnešnímu dni:
MARKAGRO, s.r.o. - DARMET DM2770 http://www.markagro.cz/produkt/univerza ... oju-dm2770" onclick="window.open(this.href);return false; bez odezvy :?
SA Trade s.r.o.
 (PROMA) - ON-25 http://www.promacz.cz/on-25-ostricka-nastroju.html" onclick="window.open(this.href);return false; bez odezvy :?
DOBRÉ STROJE s.r.o. - HOLZMANN UWS 3 http://www.dobrestroje.cz/dobrestroje/e ... SKA-BRUSKA" onclick="window.open(this.href);return false; odezva = náhradní díl poptávají, cenu a termín zatím neznají
unitechnic.cz s.r.o. (Uni-max) - GRAVE MECU3 http://www.uni-max.cz/ostricka-nastroju-grave/d/" onclick="window.open(this.href);return false; odezva = čekají na potvrzení objednávky náhradního dílu, cenu neznají, naskladnění v srpnu
Výrobní stroje, s.r.o. - ZZM-10A http://eshop.vyrobnistroje.cz/product/o ... zm-10a/708" onclick="window.open(this.href);return false; odezva = cena za komplet 490Kč vč. DPH, vyprodáno - naskladnění na přelomu duben / květen
Obrázek
O rozměry kužele jsem si ani nepsal (nedoufal jsem v odpověď) tak zůstává otázkou, zda lze příruby mezi různými výrobci přehazovat.
K 21.10.2016 změna
unitechnic.cz s.r.o. (Uni-max) - GRAVE MECU3 http://www.uni-max.cz/ostricka-nastroju-grave/d/" onclick="window.open(this.href);return false; odezva = cena za komplet 980,-Kč bez DPH a dopravného
soustruh: TOS MN80A; obrážečka: TOS MS200N
frézka: klon Sieg X2; ostřička: Beiping PP-U3
chb
Příspěvky: 3913
Registrován: 12. 3. 2013, 7:24
Bydliště: Havl. Brod

11. 4. 2017, 8:34

pořídil jsem si variantu - výrobní stroje
zatím se s ní seznamuji ...

dost se zde diskutuje o kleštinách ER <-> 5C
Pro broušení fréz potřebuji umět přesně nastavit úhel pootočení na další břit = přesně i frézu upnout s ohledem na aretaci/nulu upínacího bazmeku. To mi kleština 5C dovolí, protože má drážku proti pootočení při utahování - nebude jednoduché upínat uhlově přesně frézu, když se mi při utahování ER kleština může protáčet. ER je prostě určena na něco jiného ...
Přílohy
ostricka.jpg
Víťa - BF20 - upraveno na CNC + Mach3 + SS, soustruh CJM250, MK3 Průša, ostřička nástrojů
Kvako1
Sponzor fora
Příspěvky: 1687
Registrován: 5. 4. 2011, 7:29
Bydliště: Praha, Čadca

11. 4. 2017, 8:21

jak vypada spracováni te brusky ? vypada to slušně nebo je to zas klasika činskej dodělej si sám ... ?? taky jsem nad ni uvažoval...
chb
Příspěvky: 3913
Registrován: 12. 3. 2013, 7:24
Bydliště: Havl. Brod

12. 4. 2017, 8:08

pokračujme raději zde a ne v "inzerci"

http://www.c-n-c.cz/viewtopic.php?f=23&t=23962
Víťa - BF20 - upraveno na CNC + Mach3 + SS, soustruh CJM250, MK3 Průša, ostřička nástrojů
Odpovědět

Zpět na „Nákup“