Pájecí stanice
Koupili jste někdo něco z těchto páječek v rámci včerejšího "nákupního festivalu"?
Já jsem se o to docela poctivě a dost dlouho (několik hodin) snažil, ale nakonec jsem pohořel.
U Číňanů je v tom docela slušný bordel. Princip těchto páječek je geniálně jednoduchý a přitom bezvadně funkční, ale při podrobnějším průzkumu čínského trhu se nestačím divit. Všichni pajcují stejný výrobek, ale každý to udělá trochu jinak. Takže sice vnější rozměry jsou jakž-takž stejné, ale rozmístění ovládacích prvků už je různé (jak zjistil i kolega Zdenek a jistě i další). Ale nejen rozmístění, různí výrobci dávají na své produkty konektory se 4, 5, 6 nebo 8 vývody, navíc ještě různě zapojené. Nikdo z nich k tomu neposkytuje schéma zapojení, ale v nejlepším jenom nějakou malůvku typu "modrý drát připojte na 3. vývod zleva". Celkem chápu, když se obrázkové návody dávají třeba ke kuchyňským výrobkům, možná ne každá hospodyňka by si se schématem zapojení poradila. Ale tady je to snad výrobek pro elektroniky, ne?
Snad nejvíc jsou na trhu viditelné výrobky Quicko, ale zrovna ty jsou jedny z mnoha, jejich konstruktéři místo studia fyziky asi chodili na sociální studia. Jejich výrobky jsou osazené 4-pinovými konektory, přičemž k plnohodnotné funkci té páječky je jich třeba nejmíň 5. Z toho by se fakt jeden posral.
Už jsem v zoufalství z toho bordelu zvažoval udělat si k tomu vlastní elektroniku a bednu. Ale pak jsem se na to vyspal a asi tomu dám ještě jedno kolo pokusů. Vypadá to, že výrobce Aiyima asi chodil jak na fyziku, tak navíc i trochu přemýšlí. Ke své OLED elektronice dělá krycí panýlek, který je asi z nějakého kouřového plexi, takže je částečně průhledný a nemusí se navzájem ladit rozměry displeje a výřezu v krabičce. Navíc z hodin fyziky ví, že je tam třeba nejmíň 5 drátů.
Teď už akce stejně skončila, resp. víceméně pokračuje na neurčito, tak už nemusím spěchat a ještě si to nechám projít hlavou. Ale asi to skončí u něho.
Máte prosím někdo jiné poznatky/názory/tipy?
Já jsem se o to docela poctivě a dost dlouho (několik hodin) snažil, ale nakonec jsem pohořel.
U Číňanů je v tom docela slušný bordel. Princip těchto páječek je geniálně jednoduchý a přitom bezvadně funkční, ale při podrobnějším průzkumu čínského trhu se nestačím divit. Všichni pajcují stejný výrobek, ale každý to udělá trochu jinak. Takže sice vnější rozměry jsou jakž-takž stejné, ale rozmístění ovládacích prvků už je různé (jak zjistil i kolega Zdenek a jistě i další). Ale nejen rozmístění, různí výrobci dávají na své produkty konektory se 4, 5, 6 nebo 8 vývody, navíc ještě různě zapojené. Nikdo z nich k tomu neposkytuje schéma zapojení, ale v nejlepším jenom nějakou malůvku typu "modrý drát připojte na 3. vývod zleva". Celkem chápu, když se obrázkové návody dávají třeba ke kuchyňským výrobkům, možná ne každá hospodyňka by si se schématem zapojení poradila. Ale tady je to snad výrobek pro elektroniky, ne?
Snad nejvíc jsou na trhu viditelné výrobky Quicko, ale zrovna ty jsou jedny z mnoha, jejich konstruktéři místo studia fyziky asi chodili na sociální studia. Jejich výrobky jsou osazené 4-pinovými konektory, přičemž k plnohodnotné funkci té páječky je jich třeba nejmíň 5. Z toho by se fakt jeden posral.
Už jsem v zoufalství z toho bordelu zvažoval udělat si k tomu vlastní elektroniku a bednu. Ale pak jsem se na to vyspal a asi tomu dám ještě jedno kolo pokusů. Vypadá to, že výrobce Aiyima asi chodil jak na fyziku, tak navíc i trochu přemýšlí. Ke své OLED elektronice dělá krycí panýlek, který je asi z nějakého kouřového plexi, takže je částečně průhledný a nemusí se navzájem ladit rozměry displeje a výřezu v krabičce. Navíc z hodin fyziky ví, že je tam třeba nejmíň 5 drátů.
Teď už akce stejně skončila, resp. víceméně pokračuje na neurčito, tak už nemusím spěchat a ještě si to nechám projít hlavou. Ale asi to skončí u něho.
Máte prosím někdo jiné poznatky/názory/tipy?
Já mám vyzkoušeno, že hrot T12 se dá používat se stanicí ERS 50.
Jsou to jen dva vodiče.
(Jen pak nesedí stupnice, takže je dobré stáhnout ovládací potenciometr na minimum.)
Jsou to jen dva vodiče.
(Jen pak nesedí stupnice, takže je dobré stáhnout ovládací potenciometr na minimum.)
Koupím hliníkové profily délky cca 60cm, nabízím 90,-Kč/kg.
- Zdenek Valter
- Příspěvky: 5432
- Registrován: 9. 1. 2009, 5:16
- Bydliště: Ústí n. L.
Já jsem po názorné ukázce v práci a v kroužku objednával 3 kusy - dvě kompletní OLED na 230V a jednu s OLED na DC (12-24V).
No k té desce OLED zvlášť schema je:Mex píše: ↑12. 11. 2018, 6:36U Číňanů je v tom docela slušný bordel. Princip těchto páječek je geniálně jednoduchý a přitom bezvadně funkční, ale při podrobnějším průzkumu čínského trhu se nestačím divit. Všichni pajcují stejný výrobek, ale každý to udělá trochu jinak. Takže sice vnější rozměry jsou jakž-takž stejné, ale rozmístění ovládacích prvků už je různé (jak zjistil i kolega Zdenek a jistě i další). Ale nejen rozmístění, různí výrobci dávají na své produkty konektory se 4, 5, 6 nebo 8 vývody, navíc ještě různě zapojené. Nikdo z nich k tomu neposkytuje schéma zapojení, ale v nejlepším jenom nějakou malůvku typu "modrý drát připojte na 3. vývod zleva". Celkem chápu, když se obrázkové návody dávají třeba ke kuchyňským výrobkům, možná ne každá hospodyňka by si se schématem zapojení poradila. Ale tady je to snad výrobek pro elektroniky, ne?
No k mání je ta jedna deska OLED - mě je teď k ničemu....Mex píše: ↑12. 11. 2018, 6:36Snad nejvíc jsou na trhu viditelné výrobky Quicko, ale zrovna ty jsou jedny z mnoha, jejich konstruktéři místo studia fyziky asi chodili na sociální studia. Jejich výrobky jsou osazené 4-pinovými konektory, přičemž k plnohodnotné funkci té páječky je jich třeba nejmíň 5. Z toho by se fakt jeden posral.
Už jsem v zoufalství z toho bordelu zvažoval udělat si k tomu vlastní elektroniku a bednu. Ale pak jsem se na to vyspal a asi tomu dám ještě jedno kolo pokusů. Vypadá to, že výrobce Aiyima asi chodil jak na fyziku, tak navíc i trochu přemýšlí. Ke své OLED elektronice dělá krycí panýlek, který je asi z nějakého kouřového plexi, takže je částečně průhledný a nemusí se navzájem ladit rozměry displeje a výřezu v krabičce. Navíc z hodin fyziky ví, že je tam třeba nejmíň 5 drátů.
Teď už akce stejně skončila, resp. víceméně pokračuje na neurčito, tak už nemusím spěchat a ještě si to nechám projít hlavou. Ale asi to skončí u něho.
Máte prosím někdo jiné poznatky/názory/tipy?
Obědnal jsem i nějaké rukojeti ...
Hobbík - obráběč i 3D tiskař začátečník - strojní park je konečně instalován
No jo, ale pak přicházíš o tu hlavní výhodu, tj. o téměř dokonalou vazbu topení a měření, ne?
Takže z toho uděláš úplně obyčejný hrot, jaký se dá pořídit za zlomek ceny.
No jo, ale měl jsi to schéma předem?
Pokud jsou na trhu výrobky napohled podobné ale v praxi odlišné, tak je třeba mít ty informace předem a ne až post mortem.
Mě by docela zajímala ta zatracovaná verze LED. Mým největším koníčkem je řešení neřešitelných problémů, tak bych rád zkusil zjistit, jestli se i s touhle deskou nedá sehrát slušné divadlo, pokud by se dodržely potřebné principy.Zdenek Valter píše: ↑12. 11. 2018, 7:23 No k mání je ta jedna deska OLED - mě je teď k ničemu....
Obědnal jsem i nějaké rukojeti ...
Je samozřejmě možné, že je na ní ale nějaká zásadní krpa ve firmware. Pak by bylo třeba nový firmware, k tomu originálu zřejmě nebudou zdrojáky (i když kdo ví?). A to už by za to asi nestálo.
Ale prodalo se toho tolik, že by se skoro dalo čekat, že tak zlé to nebude.
Co jsi prosím objednal za ručky a za kolik?
Co je to za tu OLED desku, které se chceš zbavit? A kolik bys za ní chtěl?
Ještě malá odbočka: ti Číňani jsou vůbec experti na matení nepřítele. Kupoval jsem taky malý měřák pro K-termočlánek, jmenuje se TM-902C. Jenže pod přesně stejným označením se dělají 2 různé verze, na pohled dokonce vypadají prakticky úplně stejně, jen se trochu liší vypínací tlačítko. Navíc ta verze, kterou jsem chtěl já, se dělá mnohem míň, tak to byla taky pěkná anabáze se prohrabat v těch desítkách nebo spíš stovkách obchodů.
- Zdenek Valter
- Příspěvky: 5432
- Registrován: 9. 1. 2009, 5:16
- Bydliště: Ústí n. L.
No ideální pokud bys měl cestu na besídku - mám tu verzi LED a OLED z fotek.
V podstatě jsem OLED desku kupoval z odkazu co posílal turnigy.
Pravda tam schema nebylo.
Jestli chceš pošlu Ti oboje aby sis to mohl proměřit a případně porovnat.
V podstatě jsem OLED desku kupoval z odkazu co posílal turnigy.
Pravda tam schema nebylo.
Jestli chceš pošlu Ti oboje aby sis to mohl proměřit a případně porovnat.
Hobbík - obráběč i 3D tiskař začátečník - strojní park je konečně instalován
- Zdenek Valter
- Příspěvky: 5432
- Registrován: 9. 1. 2009, 5:16
- Bydliště: Ústí n. L.
Sorry zapomněl jsem - objednal jsme si ještě tyhle rukojeti:
https://www.aliexpress.com/item/2018-Ne ... 4c4dy4vjVd
https://www.aliexpress.com/item/2018-Ne ... 4c4dy4vjVd
Hobbík - obráběč i 3D tiskař začátečník - strojní park je konečně instalován
Ta kovová ručka vypadá fakt dobře.
Je taky dost drahá, ale mohla by něco vydržet.
Doufám, že sis koupil set s 5-pinovým konektorem a 5-žilovým kabelem.
Mimochodem jaké je prosím ten kabel na ručce, kterou už máš? Je 4 nebo 4-žilový?
A jak je to s ohebností? Vodiče jsou všechny stejné nebo jsou různé silové a signálové vodiče?
Díky.
Je taky dost drahá, ale mohla by něco vydržet.
Doufám, že sis koupil set s 5-pinovým konektorem a 5-žilovým kabelem.
Mimochodem jaké je prosím ten kabel na ručce, kterou už máš? Je 4 nebo 4-žilový?
A jak je to s ohebností? Vodiče jsou všechny stejné nebo jsou různé silové a signálové vodiče?
Díky.
- Zdenek Valter
- Příspěvky: 5432
- Registrován: 9. 1. 2009, 5:16
- Bydliště: Ústí n. L.
Jsou to všechno čtyř pinové.
Ohebnost dobrá. Průřezy všech vodičů se mi zdály stejné.
Pokud ale máš potřebu si to řešit sám posílám odkazy na alíka:
https://www.aliexpress.com/item/1M-Sili ... 4c4dORQjQ9
https://www.aliexpress.com/item/1set-GX ... 4c4dORQjQ9
Pak si můžeš ojednat jenom tu rukověť
Ohebnost dobrá. Průřezy všech vodičů se mi zdály stejné.
Pokud ale máš potřebu si to řešit sám posílám odkazy na alíka:
https://www.aliexpress.com/item/1M-Sili ... 4c4dORQjQ9
https://www.aliexpress.com/item/1set-GX ... 4c4dORQjQ9
Pak si můžeš ojednat jenom tu rukověť
Hobbík - obráběč i 3D tiskař začátečník - strojní park je konečně instalován
Díky.
Já jsem prohrabával staré zásoby a našel jsem novou ručku ke staré stanici Aoyue. To byla klasika s nasazovacími pasívními hroty.
Tak ji asi kuchnu a udělám z ní ručku pro T12.
Tam jde jen o to vymyslet z něčeho (nějaký fosforbronz?) ty kontaktní plíšky a navrhnout pro to malý nosný tišťák. Pak se ta ručka dá udělat celkem z jakéhokoli kusu trubky, která vydrží nějakých 100 stupňů. Tak buď kus hliníkové trubky, nebo i polypropylen nebo třeba tvrdé dřevo (pak by to bylo stylové a "zelené"
).
Já jsem prohrabával staré zásoby a našel jsem novou ručku ke staré stanici Aoyue. To byla klasika s nasazovacími pasívními hroty.
Tak ji asi kuchnu a udělám z ní ručku pro T12.
Tam jde jen o to vymyslet z něčeho (nějaký fosforbronz?) ty kontaktní plíšky a navrhnout pro to malý nosný tišťák. Pak se ta ručka dá udělat celkem z jakéhokoli kusu trubky, která vydrží nějakých 100 stupňů. Tak buď kus hliníkové trubky, nebo i polypropylen nebo třeba tvrdé dřevo (pak by to bylo stylové a "zelené"
Ne...
Je ti známo, že u obou zmíněných je topné tělísko zapojené do série s termočlánkem ???
Vedou z toho jen dva vodiče, a pokud je mi známo, měření probíhá v těch chvílích, kdy se (ještě) netopí.
Nebo myslíš shodu "skutečné" teploty hrotu s číslem na stupnici pod ovládacím kmoflíkem?
V průmyslovém prostředí se samozřejmě skutečná teplota hrotu měří čtyřikrát denně teploměrem Hakko FG-100.
Koupím hliníkové profily délky cca 60cm, nabízím 90,-Kč/kg.
- Zdenek Valter
- Příspěvky: 5432
- Registrován: 9. 1. 2009, 5:16
- Bydliště: Ústí n. L.
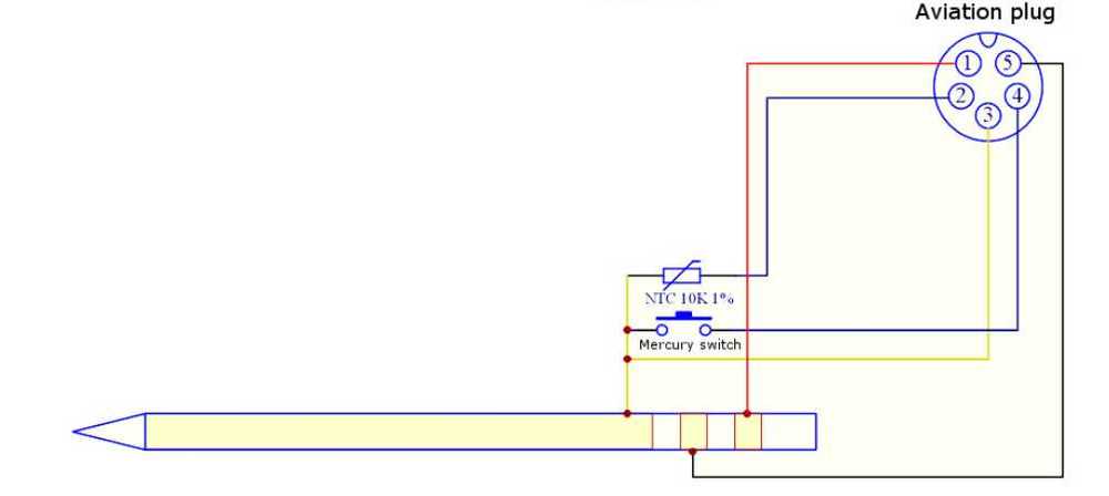
Díky za info - pokud jsem si všiml tak ten pátý vodič u schemata desky je zapojen na nějaký spinač (Mercury switch).Habešan píše: ↑13. 11. 2018, 5:02Ne...
Je ti známo, že u obou zmíněných je topné tělísko zapojené do série s termočlánkem ???
Vedou z toho jen dva vodiče, a pokud je mi známo, měření probíhá v těch chvílích, kdy se (ještě) netopí.
...........
Víte někdo k čemu slouží?
Přkládám trochu více čitelnějsí schemata s Aliexpress
Hobbík - obráběč i 3D tiskař začátečník - strojní park je konečně instalován
mercury switch - rtuťový spínač
skleněná trubička různého tvaru se zatavenými kontakty a kapkou rtuti uvnitř
při naklonění se rtuť přeleje a spojí - rozpojí kontakty
v daném případě využití netuším
skleněná trubička různého tvaru se zatavenými kontakty a kapkou rtuti uvnitř
při naklonění se rtuť přeleje a spojí - rozpojí kontakty
v daném případě využití netuším
Obvykle se dějí věci obvyklé. Méně často se dějí věci neobvyklé a zcela vyjímečně se dějí věci vyjímečné...
Masturn 40 CNC, Hermle UWF1200H CNC a pár klasik
http://www.radialengine.cz" onclick="window.open(this.href);return false;
http://www.autopejsek.cz" onclick="window.open(this.href);return false;
Masturn 40 CNC, Hermle UWF1200H CNC a pár klasik
http://www.radialengine.cz" onclick="window.open(this.href);return false;
http://www.autopejsek.cz" onclick="window.open(this.href);return false;
- Zdenek Valter
- Příspěvky: 5432
- Registrován: 9. 1. 2009, 5:16
- Bydliště: Ústí n. L.
Jo přesně tak v klidu se nejdřív přepne do sleep modu a pak do power off. Jak na ní šáhnu zapne se do normálu.
Hobbík - obráběč i 3D tiskař začátečník - strojní park je konečně instalován