Stránka 5 z 6
Re: Jen pár otázek
Napsal: 7. 12. 2012, 6:51
od Thomeeque
Vrať dráty, prohoď L297ky.. btw. zkoušels to před tim, nežs to namontoval do tý děbny?
Re: Jen pár otázek
Napsal: 7. 12. 2012, 6:57
od slezak77
ty jsou nové, ale mám jednu sichr, mohu zkusit, ja to mám zbedny venku, to je jen foto ilustrační.
Re: Jen pár otázek
Napsal: 7. 12. 2012, 7:22
od Thomeeque
slezak77 píše:ty jsou nové, ale mám jednu sichr, mohu zkusit, ja to mám zbedny venku, to je jen foto ilustrační.
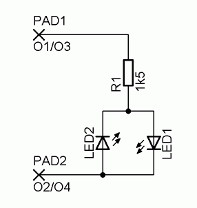
Taky může bejt v háji některý z výstupů L298, to by docela dávalo smysl, bohužel.. Můžeš udělat takový testovadlo, je primitivní a přitom docela užitečný - konkrétně dva exempláře tohoto:

- tester buzení / připojení cívky kokového motorku.
- StepTest.gif (3.38 KiB) Zobrazeno 7330 x
LEDky ideálně různé barvy, s výhodou se dá využít dvoubarevná antiparalelní. Připojís paralelně k cívce motoru, dáš pomalé krokování a mělo by to furt nějak svítit (přesný popis bych musel dát dokupy), pokud pro některý krok nebude svítit, tak je to průšvih. Funguje to i jako tester, že je motor připojenej - pokud driver vypneš a motorem zatočíš, LEDky by měly blikat (motor funguje jako dynamo).
Re: Jen pár otázek
Napsal: 7. 12. 2012, 7:34
od slezak77
l 298 mám jednu sichrovní, teď přes víkend ten tester nezbastlím, ale vyměnil jsem l297 a zdroj mi někde jde do skratu, bo se vypne když zapnu Y, je jištěný.
Re: Jen pár otázek
Napsal: 7. 12. 2012, 7:37
od Thomeeque
Po výměně L297? Šmarja.. A když vrátíš původní, tak už ne?
Re: Jen pár otázek
Napsal: 7. 12. 2012, 7:41
od slezak77
no jo i tak
Re: Jen pár otázek
Napsal: 7. 12. 2012, 7:42
od Thomeeque
Teď si uvědomuju, že s tim testovadlem kecám, jsou i fáze, kdy je buzená jen jedna cívka, pak by testovadlo na druhý nesvítilo. Spíš je to tak, že musí svítit vždy aspoň jedno testovadlo a během celého cyklu (8 kroků) se musí rozesvítit každá LEDka. No, jak sem psal, musel bych to promyslet..
Re: Jen pár otázek
Napsal: 7. 12. 2012, 7:47
od slezak77
Toď zatím fuk, ale ten zdroj ten mě děsí.
Re: Jen pár otázek
Napsal: 7. 12. 2012, 7:51
od slezak77
Nemohla by to třeba být některá D Byv27. jen hádam mimo obor.
Re: Jen pár otázek
Napsal: 7. 12. 2012, 7:59
od Thomeeque
slezak77 píše:Nemohla by to třeba být některá D Byv27. jen hádam mimo obor.
Ale jo, mohla. Tak to vypni, odpoj motor a proměř, jestli nějakej výstup neni proraženej, jak proti Vs tak proti zemi (budeš měřit diody a L298 zároveň, takže když narazíš na průraz, diodu vypájej a proměř zvlášť a i ten výstup bez diody).
Re: Jen pár otázek
Napsal: 7. 12. 2012, 8:26
od slezak77
No tak je to teda L298, a to čtvrtý výstup, Budu měnit, ale až zítra, dneska to už nedám a půjdu na jedno. Díky moc za pomoc, zase se ozvu.
Perun.
Re: Jen pár otázek
Napsal: 10. 12. 2012, 6:39
od slezak77
Tak zdravím
Dobré zprávy už to frčí. Moc díky za pomoc, a přidávám malé video. Teď se budu seberealizovat po hardware stránce, tak to tady budu coby dub.
Tak ještě jednou díky a
PERUN s vámi
http://youtu.be/JiPx6zdint0" onclick="window.open(this.href);return false;
Re: Jen pár otázek
Napsal: 10. 12. 2012, 6:46
od robokop
Re: Jen pár otázek
Napsal: 10. 12. 2012, 6:54
od slezak77
No tak yjsem si říkal. Ale to jsou jen ty fotky, to nic.
Re: Jen pár otázek
Napsal: 11. 12. 2012, 9:11
od Thomeeque
slezak77 píše:Tak zdravím
Dobré zprávy už to frčí. Moc díky za pomoc, a přidávám malé video. Teď se budu seberealizovat po hardware stránce, tak to tady budu coby dub.
Tak ještě jednou díky a
PERUN s vámi
http://youtu.be/JiPx6zdint0" onclick="window.open(this.href);return false;
Tak sláva
slezak77 píše:
No tak yjsem si říkal. Ale to jsou jen ty fotky, to nic.
Jen ty fotky a cca 20-30 mejch odpovědí, grrrr...
