FA3 obecně

Vse o konvencnich frezkach, ne o jejich prestavbe na cnc
Odpovědět
zverodoktor
Příspěvky: 3596
Registrován: 3. 6. 2007, 9:49
Bydliště: Bratislava

6. 3. 2021, 5:46

aleshonsa píše: 6. 3. 2021, 2:50
Tak to by bylo zajímavé, vzhledem k tomu, že je to verze s tím integrovaným vřetenem do opěrného ramene. Ale vzhledem k prodávajícím a díky výše zmíněnému faktu to bude cenově dost mimo.
Ak by si ju chcel, opýtaj sa. Týchto nadstavieb sa zrejme veľa nevyrobilo, toto je za 10 rokov druhá čo vidím v bazári. Svoboda teraz predáva dosť strojov za primerané ceny, zrejme vypratáva sklad.
SU32, MN80, FN25, ISEL4433, Jakobsen SJ25, N1, VS16, Anycubic Kossel
Uživatelský avatar
Zbýňa
Příspěvky: 2141
Registrován: 3. 9. 2010, 8:45
Bydliště: Čelákovice

6. 3. 2021, 6:22

Horizontální mašina kde nejde natočit stůl, svislý vřeteno který taky nejde naklopit, překážející předek ramene, kdy neni pořádně vidět na obrobek. Mašina určitě byla určená na sériový přefrézovávní třeba baterie odlitků atp. V dnešní době dobrý tak pro sběratele.
Nástrojář
Příspěvky: 18
Registrován: 21. 9. 2011, 9:16
Bydliště: Brdy

8. 3. 2021, 5:38

Zbýňa píše: 6. 3. 2021, 6:22 Horizontální mašina kde nejde natočit stůl, svislý vřeteno který taky nejde naklopit, překážející předek ramene, kdy neni pořádně vidět na obrobek. Mašina určitě byla určená na sériový přefrézovávní třeba baterie odlitků atp. V dnešní době dobrý tak pro sběratele.

Tohle jsme měli, jako nový, ovšem v bílém, či šedém provedení, ve frézárně na učňáku, Za ty tři roky nepamatuju že by na tom někdo dělal, bylo to tam spíš na výstavě jako zajímavost. Asi tak
Kuba
Soustruh S28 TOS Žebrák,
Frézka Zbrojovka F321 1934
aleshonsa
Příspěvky: 2956
Registrován: 30. 8. 2011, 3:18
Bydliště: Praha

8. 3. 2021, 6:06

Ale vždyť se to rameno dá zasunout a pak se tam dá nasadit jakákoliv jiná hlava pro FA3. Jestli se to dělalo i na FA3U, to nevím, bylo jich málo.
S pozdravem
Ing. Aleš Honsa
ovi-ivo
Příspěvky: 1285
Registrován: 12. 4. 2015, 9:41
Bydliště: kůsek od Hodonína

9. 3. 2021, 7:42

ono pokud chceš mít fa3u a ktomu vysouvací vertikální vřeteno tak ani jinou možnost nemáš, pokud si teda nekoupíš k univerzální ještě jednu jen vertikální frézku. za poslední 4 roky sem viděl 3ks, jedna byla dokonce ve šmelcu...
Tesík
Příspěvky: 5
Registrován: 9. 3. 2017, 5:38

9. 7. 2021, 1:49

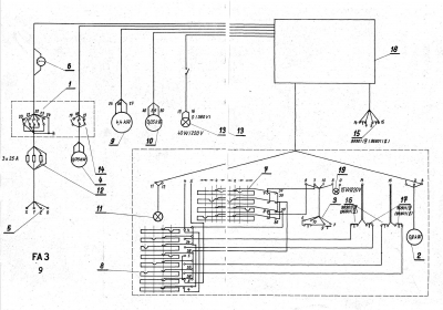
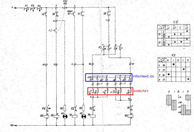
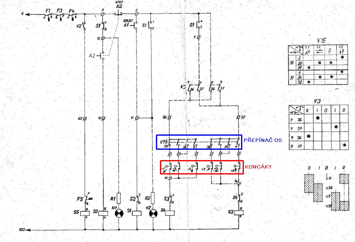
Ahoj, měl bych prosbu. Potřeboval bych vysvětlil elektrické schémata na frézku FA3H. Našel jsme pouze tyhle dvě viz příloha. Mám frézku FA3H r.v 1960 v.č 20510. Rád bych pochopil všechny symboly a zapojení. Děkuji
Přílohy
FA3.jpg
Schéma.png
HonzaHorka
Příspěvky: 1012
Registrován: 15. 11. 2009, 2:17

9. 7. 2021, 5:06

No netuším co na tom je k nepochopení. Podívej se do tabulek na základní elektrotechnické značky.
I ten složitější výcepolohovej přepínač je pěkné a pochopitelně nakreslen.
Uživatelský avatar
Charon
Sponzor fora
Příspěvky: 6360
Registrován: 27. 7. 2019, 4:31
Bydliště: Praha

9. 7. 2021, 5:13

No a jak to spina, mas v tabulkach napravo. To druhe schema je trošku zmatene a dneska se to takhle nekresli, ale z toho prvniho neni problem pochopit funkci.
SM16A, FN20, 3E710B, CDC7-2, HO02, CO2laser, Fiber.. propagator www.atreon.cz
Milan Sedlec
Příspěvky: 1
Registrován: 12. 2. 2022, 2:55

12. 2. 2022, 7:55

Nemá někdo k frézovacimu ramenu TOS elektroschéma?
drom
Příspěvky: 67
Registrován: 31. 7. 2013, 4:48
Bydliště: Liberec

30. 6. 2022, 8:46

Odkaz na manuál tu asi nikdo nedával, tka zde :)

http://stachura.cz/novy/data/FrezkaFA3.zip
deny
Příspěvky: 71
Registrován: 31. 8. 2016, 7:37
Bydliště: Brtnice

7. 1. 2023, 4:34

Ahoj všem v novém roce.

Nechci zakládat nové téma tak to zkusím tady.
Pořídil jsem za velmi dobrý peníz frézku F1-250, což je přesný klon naší frézky TOS FA3U.
Pokukuji na Aliexpresu po digitálním odměřování které bych rád namontoval i na svoji frézku.
Chlapi, montoval to někdo na frézku FA3U nabo FA3V? Já ať koukám jak koukám, osa X je v pohodě, ale osa Y a osa Z tam mě nic nenapadá. Je tam všude hrozně málo místa. Máte to někdo namontované ? Prosím tedy o foto, jestli je to možné nebo o mírné nakopnutí, třeba formou SZ. Ničemu se nebráním. :P :P

Za každou radu a foto budu nesmírně rád. Díky.
qwer
Příspěvky: 1409
Registrován: 8. 4. 2008, 8:09

7. 1. 2023, 5:55

001.JPG
002.JPG
003.JPG
007.JPG
Y 003.JPG
Y 012 (2).JPG
qwer
Příspěvky: 1409
Registrován: 8. 4. 2008, 8:09

7. 1. 2023, 6:03

Ešte Z-ko
Z 003.JPG
Z 004.JPG
Z 006 (2).JPG
Z 008.JPG
Vyrobil som nové(osadené) dorazy, aby sa mi do tej T drážky dali namontovať držiaky na lištu a zakrytovanie.
trnkav
Příspěvky: 1033
Registrován: 12. 8. 2006, 9:45

16. 1. 2023, 2:42

IMG_20230116_192545~2.jpg
Zdravím.
Neřešil někdo z vás matici príčného posuvu?
Mám ji takovou hodně okousanou, a rád bych to vyměnil. Ze předu na matce je KM matice, ale netuším co se stane, když jí povolim. Nevíte někdo jak tam drží? Jestli je tam našroubovaná a pojištěná tou KM nebo vložená a KM jsou z obou stran?
Díky
MN 80, R 12, Mazak QT8, VR2, V20, LR2, UME 200-2x, KV-250,
deny
Příspěvky: 71
Registrován: 31. 8. 2016, 7:37
Bydliště: Brtnice

17. 1. 2023, 10:41

matice.png
Odpovědět

Zpět na „konvenční frézky“