Elektronický regulátor otáček minisoustruhu

ostatní motory, vřetena, regulace, snímaní otáček a jiné
Odpovědět
Jim112
Příspěvky: 54
Registrován: 17. 4. 2015, 10:16

22. 6. 2015, 11:21

Díky moc.
atlan
Příspěvky: 3382
Registrován: 7. 2. 2011, 9:12

22. 6. 2015, 11:58

Co tak skusit hladat ??? http://www.c-n-c.cz/viewtopic.php?f=59&t=6683" onclick="window.open(this.href);return false;
CZJirka1
Příspěvky: 320
Registrován: 14. 12. 2011, 9:19
Bydliště: Moravská Třebová
Kontaktovat uživatele:

22. 6. 2015, 6:25

Remeny a remenice sem kupoval tady

http://www.probelt.cz/" onclick="window.open(this.href);return false;
Jim112
Příspěvky: 54
Registrován: 17. 4. 2015, 10:16

23. 6. 2015, 5:55

Typ vhodného řemenu jsem si už vyhledal, díky za informace.
Teď bych potřeboval ale zase další, měřil jsem u svých motorů odpor tachogenerátoru a výsledky jsou: 90,136 a 180 ohmů. Rozdíly tedy vysoké. Jaký to má prosím vliv na regulaci otáček regulátorem podle Fahrada?
Uživatelský avatar
Pavka
Příspěvky: 908
Registrován: 10. 3. 2008, 8:40
Bydliště: Ronov

23. 6. 2015, 7:20

Nemá vliv, pokud je vstupní RC člen shodný s datasheteem.
Jim112
Příspěvky: 54
Registrován: 17. 4. 2015, 10:16

23. 6. 2015, 9:44

Předpokládám, že je řeč o RC členu před tachem. Tak to tedy má Fahrad dost jinak. Na datašítovým zapojení je odpor 22k a kondík 220k a Fahrad má odpor 2k2 a kondík 470k. No on Jara tady tvrdil, že ten odpor na datašítu je špatnej, tak tím možná ovlivnil Fahrada. Ale já tomu prd rozumím, tedy funkci.
Uživatelský avatar
Pavka
Příspěvky: 908
Registrován: 10. 3. 2008, 8:40
Bydliště: Ronov

23. 6. 2015, 11:45

Věř datasheetu. Jaru nech Jarou.
Jara sem zanesl tolik zmatků, že není schopen je ani obhájit či vysvětlit (systém pokus omyl).
Já jsem zde prezentoval dost velkou práci na rozdíl od jiných, co se týče U209B.
To samé chci udělat i s TDA 1085C, ať máme seriozní porovnání těchto obvodů.
To, co se udělá mimo datasheetu je špatné, jsou to přeci jen obvody určené pro řízení motorů pračkách.
Jinak, prosím vás nepište, že Jara tvrdíl apod. Já na to musím reagovat a nedělá mě to dobře. Tak, že bez Jary.
Jim112
Příspěvky: 54
Registrován: 17. 4. 2015, 10:16

24. 6. 2015, 10:14

Jasně, rozumím.
RaS
Příspěvky: 8843
Registrován: 26. 3. 2009, 9:12
Bydliště: Úvaly

24. 6. 2015, 3:07

cože zmizel Jarův příspěvek? to si ho smazal sám a nebo vyšší moc?
věčný rýpal,který musí mít poslední slovo, odpůrce low-cost zařízení končících v naprosté většině případů v hromadě šrotu
uživatelé hýbátek, kteří mají z mých příspěvků celoživotní trauma nechť si mé příspěvky VYPNOU
Uživatelský avatar
robokop
Site Admin
Příspěvky: 23275
Registrován: 10. 7. 2006, 12:12
Bydliště: Praha
Kontaktovat uživatele:

24. 6. 2015, 3:09

Vyssi moc
smazano i s uzivatelem, uz jsem nedaval ty jeho emotivni vylevy a neschopnost pochopit ze to jeho objeveni chyby v zapojeni od vyrobce neni chyba ale jeho neschopnost cist dokumentaci
Vsechna prava na chyby vyhrazena (E)
Uživatelský avatar
Pavka
Příspěvky: 908
Registrován: 10. 3. 2008, 8:40
Bydliště: Ronov

25. 6. 2015, 9:08

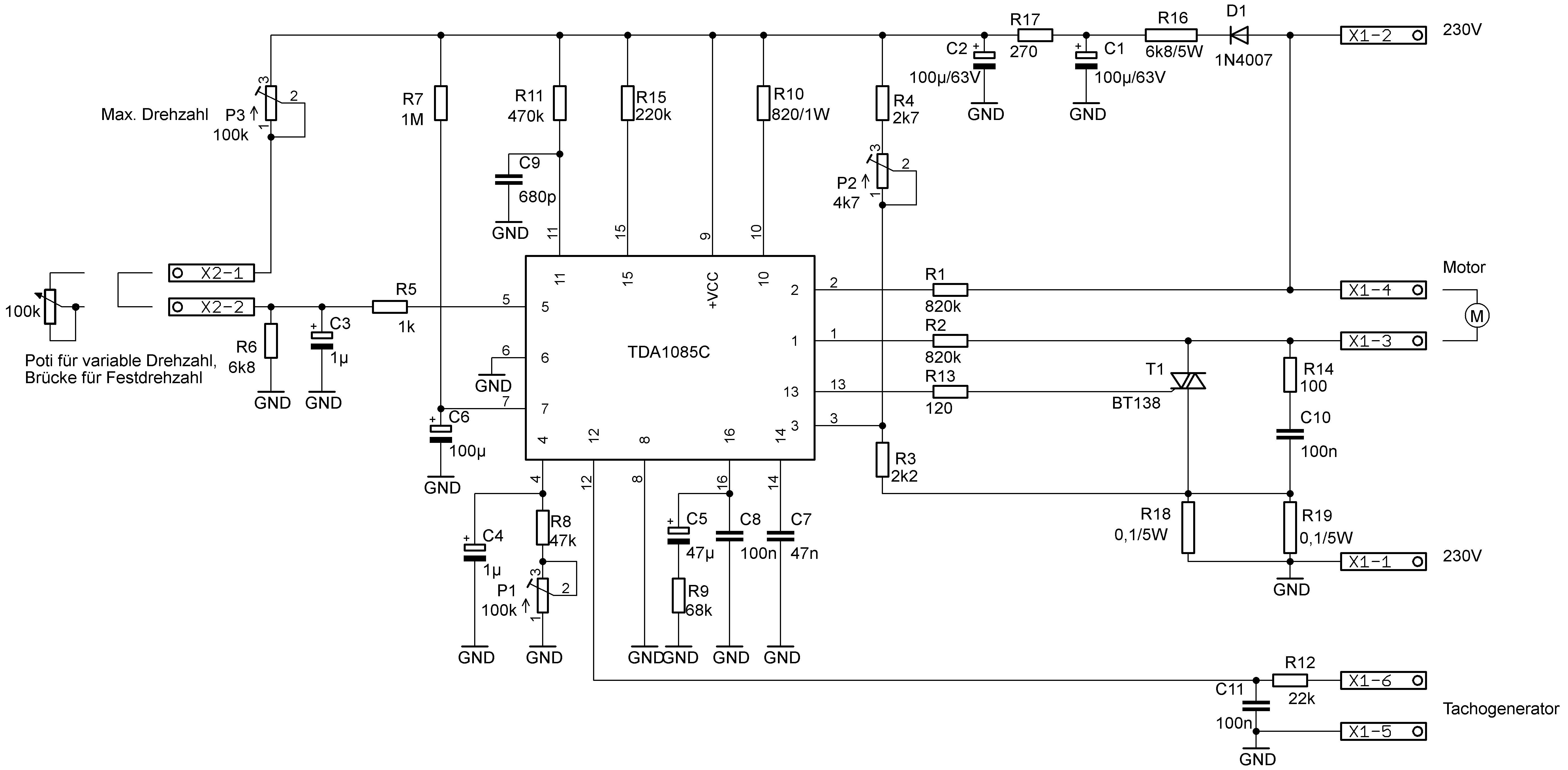
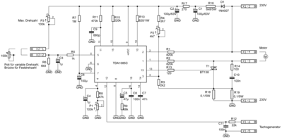
TDA1085C.jpg
Tak jak jsem psal, udělal jsem regulátor s TDA1085C. První poznatky jsou takové, regulátor funguje. Porovnání TDA1085C a U209B, tak vyhrává U209B.
U209B má lepší reakci na potenciometr, TDA je pomalejší na změnu nastavení. Opět je použito datasheetové zapojení nijak upraveno.
Jim112
Příspěvky: 54
Registrován: 17. 4. 2015, 10:16

25. 6. 2015, 10:09

Tak to jsi rychlej, opravdu. Jak se koukám, máš tam 3 trimry, taky potenciometr. Mohl bys prozradit , kde jsou umístěny a taky jejich hodnoty? Jeden je na schematu datašítu. Taky na datašítu chybí hodnoty R4,R10 a R15. Chtěl bych ho zkusit postavit.
Taky jsem hledal v překladači, co znamená slovo RAMP, je to rampa a nevím o jakou rampu jde.
Uživatelský avatar
Pavka
Příspěvky: 908
Registrován: 10. 3. 2008, 8:40
Bydliště: Ronov

25. 6. 2015, 11:44

Ty trymry doplňují zapojení. Ramp znamená jak rychle motor dosáhne nastavené otáčky po zapnutí regulátoru.. Motor při zapnutí necukne.
Přílohy
schema.png
atlan
Příspěvky: 3382
Registrován: 7. 2. 2011, 9:12

25. 6. 2015, 2:03

Riadenie uP nechystate ?
Uživatelský avatar
Pavka
Příspěvky: 908
Registrován: 10. 3. 2008, 8:40
Bydliště: Ronov

25. 6. 2015, 2:17

Připravuji, ale není moc času. Už něco mám rozpracovaného, tak časem.
Odpovědět

Zpět na „Ostatní elektromotory“