DC Servocontroller Hudognik podľa " Arisov77 "

jaké jsou rozdíly z pohledu řízení
Odpovědět
misox
Příspěvky: 196
Registrován: 18. 5. 2008, 11:41

17. 9. 2010, 8:30

Myslíš ?
90-95 cm X 2 závitnice stúpanie 30 mm prevod cez remeň 5 až 6 : 1
55-60 cm Y závitnica zo stúpaním 5 mm cez remeň 1:1
15 cm Z závitnica zo stúpaním 6 mm cez remeň 1:1
Všetko na lineárnych vedeniach (koľajnice).
Uživatelský avatar
pájač
Příspěvky: 1115
Registrován: 28. 1. 2008, 8:35
Bydliště: Levice

17. 9. 2010, 8:45

No tak s kľudným svedomím nakraď toho koňa tými menšími. Máš to ešte aj cez prevod, tak úplne v pohode . Ten driver by ho aj tak asi poriadne neutiahol . 8)
Nemáš CNC - nič neznamenáš.
30.01.10 pokusne spustené CNC. Neviem, ako som mohol doteraz bez neho žiť. ><((((º>
http://www.fishpol.sk
misox
Příspěvky: 196
Registrován: 18. 5. 2008, 11:41

17. 9. 2010, 8:55

Darovanému koňovi na zuby nepozeráš :D .
Motory sú zo šrotoviska ako aj všetko ostatné.
Ten zdroj 24V bude asi málo ?
Uživatelský avatar
pájač
Příspěvky: 1115
Registrován: 28. 1. 2008, 8:35
Bydliště: Levice

17. 9. 2010, 9:22

A sakra , to máš dobré šrotovisko, a kde také rastú ? U nás som pravidelný návštevník jedného , ale akosi nič takého . Možno raz budem mať šťastie aj ja. 24V na 60Voltový motor je málo . Aspoň 50V . Obrázek
Nemáš CNC - nič neznamenáš.
30.01.10 pokusne spustené CNC. Neviem, ako som mohol doteraz bez neho žiť. ><((((º>
http://www.fishpol.sk
misox
Příspěvky: 196
Registrován: 18. 5. 2008, 11:41

17. 9. 2010, 9:31

To som mal šťastie bolo to zrejme z osadzovacieho automatu žiaľ vkuse som ho nevidel a pri tom "rozoberaní" kladivom som rád že mam to čo mám a ešte vo vyváľali vo vode .
misox
Příspěvky: 196
Registrován: 18. 5. 2008, 11:41

24. 9. 2010, 5:55

Ešte ma zaujíma C18 -musí tam byť fóliový 100n/400V , nestačil by keramický okolo 100n/275V.
Musí byť vôbec na 400V ?
Uživatelský avatar
pájač
Příspěvky: 1115
Registrován: 28. 1. 2008, 8:35
Bydliště: Levice

24. 9. 2010, 6:21

Je to výkonový prvok a pokiaľ nebudeš mať vysoké napájacie napätie tak môže byť na 270V , ale redšej svitkový.
Nemáš CNC - nič neznamenáš.
30.01.10 pokusne spustené CNC. Neviem, ako som mohol doteraz bez neho žiť. ><((((º>
http://www.fishpol.sk
misox
Příspěvky: 196
Registrován: 18. 5. 2008, 11:41

24. 9. 2010, 5:31

Snáď posledná vec - aký veľký chladič
Uživatelský avatar
pájač
Příspěvky: 1115
Registrován: 28. 1. 2008, 8:35
Bydliště: Levice

24. 9. 2010, 7:26

Fety pracujú v spínacom režime , tak netreba moc veľký , záleží aj na odbere, ja som navrhol dosku podľa kúpeného rebrovaného chladiča 100x90x30mm , myslím že by to mohlo stačiť , ak nie tak sa musí zväčšiť.
Nemáš CNC - nič neznamenáš.
30.01.10 pokusne spustené CNC. Neviem, ako som mohol doteraz bez neho žiť. ><((((º>
http://www.fishpol.sk
misox
Příspěvky: 196
Registrován: 18. 5. 2008, 11:41

13. 11. 2010, 9:42

Mám problém s enkóderom ,značne zaťaží 5V vetvu pokles je na 4,3V a výstup enkóderu je len 2,6V. na pine operaku už je zmena minimálna .
Keď som enkoder zapojil na zdroj 4,7v na výstupe má 4,1V.
Asi by to vyriešila zmena odporov pred operakom?
Uživatelský avatar
pájač
Příspěvky: 1115
Registrován: 28. 1. 2008, 8:35
Bydliště: Levice

13. 11. 2010, 12:51

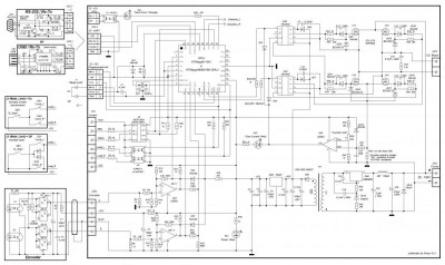
Musíš na výstup encodéra zapojiť tvarovač s 4093, inak ti to nepôjde.
Přílohy
Scheme_4.jpg
Naposledy upravil(a) pájač dne 13. 11. 2010, 12:52, celkem upraveno 1 x.
Nemáš CNC - nič neznamenáš.
30.01.10 pokusne spustené CNC. Neviem, ako som mohol doteraz bez neho žiť. ><((((º>
http://www.fishpol.sk
Uživatelský avatar
Ferrit
Příspěvky: 403
Registrován: 6. 8. 2009, 10:08
Bydliště: Třebíč

13. 11. 2010, 12:52

Jo, enkodéry jsou různé, zvláště některé. Mám za sebou vlastní výprask, (Pájač o něm ví).
Ale to, co píšeš by enkodér neměl dělat. Normální odběr všech, co jsem testoval byl v klidu do 50 mA (supermax!) a v chodu max o 5 mA více. a pokud jsou trochu inteligentnější tak v TTL zápor. Taky jsem zjistil že některé zapojení jsou citlivé na polaritu tj. na reakci na náběžnou nebo sestupnou hranu impulsu a jinak nefachčí.
Uživatelský avatar
Ferrit
Příspěvky: 403
Registrován: 6. 8. 2009, 10:08
Bydliště: Třebíč

13. 11. 2010, 12:55

To Pájač: oba jsme psali ve stejném okamihu.

Jinak pracuji na souboru informací a na možné úpravě či rekonstrukci A77 pro různé enkodéry při zachování původního pl. spoje.
misox
Příspěvky: 196
Registrován: 18. 5. 2008, 11:41

13. 11. 2010, 1:19

Myslím že tvarovač nie je potrebný v encoderi je 26et31.
Přílohy
26et31.pdf
(41.78 KiB) Staženo 876 x
Uživatelský avatar
robokop
Site Admin
Příspěvky: 23269
Registrován: 10. 7. 2006, 12:12
Bydliště: Praha
Kontaktovat uživatele:

13. 11. 2010, 1:44

co to je za encoder?
nektere stare maji v sobe obyc zarovku
Vsechna prava na chyby vyhrazena (E)
Odpovědět

Zpět na „krokove unipolarni bipolarni a servomotory“