Habegger-Neotor 2/73 W20RG nebo JH 102 nebo něco takového

Vse o konvencnich strojich, nic o jejich prestavbe na cnc
Odpovědět
Uživatelský avatar
Thomeeque
Příspěvky: 9521
Registrován: 30. 1. 2012, 10:20
Bydliště: Mimo ČR

8. 7. 2021, 8:11

Do návodu jsem letmo koukl, ale přiznám se, že mne vůbec nenapadlo ty značky/typy hledat, byl jsem přesvědčený, že už dávno nebudou existovat. Chyba lávky.

https://www.mobil.com/en/lubricants/for ... -oil-no-10

https://www.mobil.com/en/lubricants/for ... a-oil-no-2

Na vedení tedy doporučují celkem husté ISO 68, hmm..

Ohledně zdvihu píchačky se zatím nechytám, ale nastuduji (později) :)

Díky, T.

habegger102-oleje.jpg
mimooborová naplavenina • kolowratský zázrak™ • NPS • GCU • HirthCalc • ncDP.ino
Uživatelský avatar
Thomeeque
Příspěvky: 9521
Registrován: 30. 1. 2012, 10:20
Bydliště: Mimo ČR

14. 7. 2021, 2:50

Ahoj, líbí se vám tato sestava (myšleno šroub - ložisko - řemenice) příp. co byste udělali jinak? Šroub je Tr10x2, ložisko 3200, řemenice Al 60-3M-09 s předvrtanou dírou d=8mm (vše dané). Osobně se mi trochu nelíbí, že to tam musí být vše, aby to fungovalo (pro nějaké ladění to nemusí být praktické), ale nezávislé uloženi šroub-ložisko a řemenice-šroub znamená zase jiné komplikace, které mi za to asi nestojí. Matka je pojistná M8x1.

Screenshot 2021-07-04 at 16.00.10.png
Screenshot 2021-07-04 at 16.10.34.png
Screenshot 2021-07-04 at 16.12.27.png

Také moc nemám představu, jaký je optimální úhel té kleštiny.

Dík, T.
mimooborová naplavenina • kolowratský zázrak™ • NPS • GCU • HirthCalc • ncDP.ino
chb
Příspěvky: 3913
Registrován: 12. 3. 2013, 7:24
Bydliště: Havl. Brod

14. 7. 2021, 3:08

já bych ještě přemýšlel dál, ten klín je poměrně ostrý = blbě se bude trefovat přesná vzdálenost řemenice
+ poměrně malý na svíravé uchycení - opět náročnost na přesnou výrobu
+ až to pěkně utáhneš, nenajdeš postup, jak to demontovat (já dělám takové klíny obráceně, aby šla řemenice odtrhnout z klínu)
Víťa - BF20 - upraveno na CNC + Mach3 + SS, soustruh CJM250, MK3 Průša, ostřička nástrojů
Uživatelský avatar
Thomeeque
Příspěvky: 9521
Registrován: 30. 1. 2012, 10:20
Bydliště: Mimo ČR

14. 7. 2021, 3:16

Uf, jasně, to rozebírání mě vůbec nenapadlo, to by bylo hodně na prd :)

Poloha (axiální) té řemenice má celkem velkou toleranci, s tím by mělo jít pracovat.

Dík!

EDIT: Možná to nechám orientované takto, jen předělám kleštinu tak, aby jí bylo jak vytáhnout (trochu alá taper lock).
mimooborová naplavenina • kolowratský zázrak™ • NPS • GCU • HirthCalc • ncDP.ino
chb
Příspěvky: 3913
Registrován: 12. 3. 2013, 7:24
Bydliště: Havl. Brod

14. 7. 2021, 4:26

kužel otoč - pro demontáž přes něj dáš kousek pásoviny se třemy otvory - prostřední se opře o kužel a za dva krajní přitáhneš šroubky do závitů v řemenici
Víťa - BF20 - upraveno na CNC + Mach3 + SS, soustruh CJM250, MK3 Průša, ostřička nástrojů
testone
Sponzor fora
Příspěvky: 7534
Registrován: 3. 12. 2010, 5:56
Bydliště: Slaný

14. 7. 2021, 4:34

ložiska bych tam dal dvě samostatná buď 6200 nebo kosoúhlá 7200 a mezi ně třeba 3 mm mezikroužky, umožníš tím nastavení předpětí dobroušením kroužků na potřebný rozměr
Obvykle se dějí věci obvyklé. Méně často se dějí věci neobvyklé a zcela vyjímečně se dějí věci vyjímečné...
Masturn 40 CNC, Hermle UWF1200H CNC a pár klasik
http://www.radialengine.cz" onclick="window.open(this.href);return false;
http://www.autopejsek.cz" onclick="window.open(this.href);return false;
Milan199
Příspěvky: 3565
Registrován: 18. 8. 2010, 9:04

14. 7. 2021, 6:41

Kleštiny na tyhle řemeničky dělám 8° // jako ER kleštiny //.
Trošičku nerozumím proč tam máš tu vložku pod ložiskem. Dal bych tam menší ložisko.
Kdysi jsem chtěl ušetřit a koupil jsem tohle dvojité kosoúhlé ložisko nějaké china. Vysypalo se asi po týdnu. Od té doby dávám všude INA.
Na malé stroje tohle dvojité kosoúhlé postačí ale je to malinko "gumové".

Chb má pravdu s tou demontáží - tu kleštinu otoč.
Uživatelský avatar
Thomeeque
Příspěvky: 9521
Registrován: 30. 1. 2012, 10:20
Bydliště: Mimo ČR

14. 7. 2021, 10:22

Díky všem! Kdysi jsem koupil (nebo k něčemu dostal, teď už nevím) od někoho z fóra dvě značková 3200, jedno už jsem použil na Z-kové ose a funguje pěkně, osu už jsem párkrát použil. Menší takové se mi nepodařilo najít a ta vložka není zase až takový problém.

Image2140474592256558272.jpg
Naposledy upravil(a) Thomeeque dne 16. 7. 2021, 8:57, celkem upraveno 1 x.
mimooborová naplavenina • kolowratský zázrak™ • NPS • GCU • HirthCalc • ncDP.ino
Uživatelský avatar
Thomeeque
Příspěvky: 9521
Registrován: 30. 1. 2012, 10:20
Bydliště: Mimo ČR

15. 7. 2021, 10:26

Otočeno, 8°, 2x M5 pro stahování:

v10.png

Modrý distanc udělám pro začátek delší a jeho délkou pak doladím polohu řemenice. Myslíte, že to dostatečně stáhne (axiálně) šroub vůči ložisku, než se stáhne kleština tak, že už se to nehne?

PS: Ložisko nechci měnit i proto, že kromě této sestavy už je vše hotovo :)

Image6216759937325229727.jpg
mimooborová naplavenina • kolowratský zázrak™ • NPS • GCU • HirthCalc • ncDP.ino
Uživatelský avatar
Thomeeque
Příspěvky: 9521
Registrován: 30. 1. 2012, 10:20
Bydliště: Mimo ČR

19. 7. 2021, 5:16

Hotovo, drží to pěkně (a sundat to také jde :))





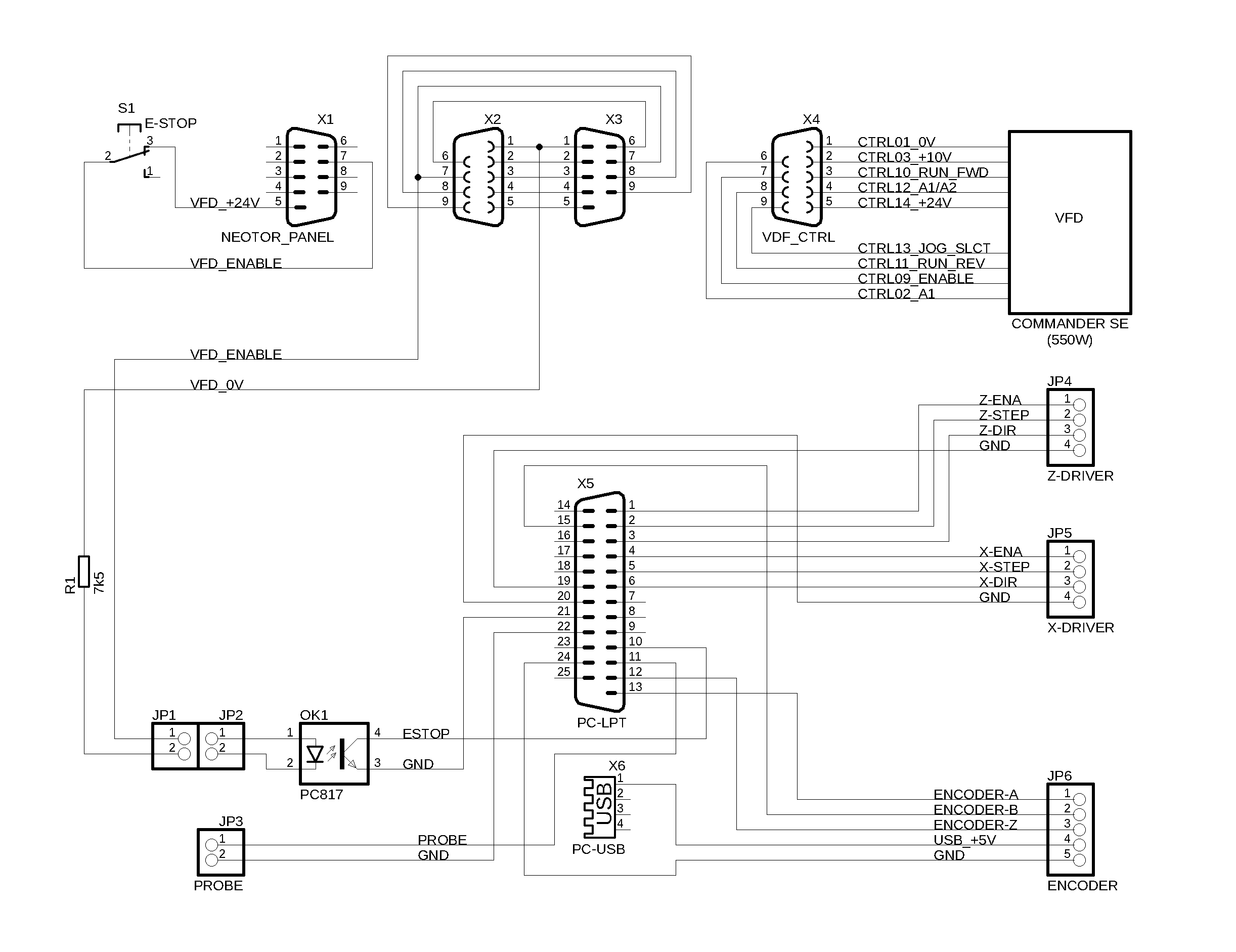
Aktuální zapojení (vrabčí hnízdo)<br />Video je ještě bez E-STOP logiky
Aktuální zapojení (vrabčí hnízdo)
Video je ještě bez E-STOP logiky
mimooborová naplavenina • kolowratský zázrak™ • NPS • GCU • HirthCalc • ncDP.ino
Uživatelský avatar
Thomeeque
Příspěvky: 9521
Registrován: 30. 1. 2012, 10:20
Bydliště: Mimo ČR

30. 7. 2021, 6:49

První šponky této sestavy, to si možná zaslouží nový post, i když je to jen taková rychlovka a ještě to není úplně doladěno (nějak není kdy):



Také je tam (na X) zatím stále čínské ložisko 3200, které jsem používal v rámci vývoje, podle všeho je na něm axiální vůle cca dvě stovky, to doufám na ZVL nebude.

T.

EDIT: První závit /viewtopic.php?p=423404#p423404
mimooborová naplavenina • kolowratský zázrak™ • NPS • GCU • HirthCalc • ncDP.ino
novic
Příspěvky: 1839
Registrován: 19. 10. 2014, 10:30

14. 11. 2021, 6:30

Frajer :!:
Cash Rules Everything Around Me
C.R.E.A.M
Uživatelský avatar
Thomeeque
Příspěvky: 9521
Registrován: 30. 1. 2012, 10:20
Bydliště: Mimo ČR

14. 11. 2021, 6:55

novic píše: 14. 11. 2021, 6:30Frajer :!:
Díky :)
mimooborová naplavenina • kolowratský zázrak™ • NPS • GCU • HirthCalc • ncDP.ino
Uživatelský avatar
Thomeeque
Příspěvky: 9521
Registrován: 30. 1. 2012, 10:20
Bydliště: Mimo ČR

11. 9. 2022, 7:05

Konečně jsem se dokopal dokrabicovat drivery a trochu učesat výpočetní středisko kolem soustruhu:

20220909_134936.jpg
20220910_103019.jpg
20220910_102903.jpg
20220911_114119.jpg
20220911_113947.jpg

Hned se na to lépe kouká :) T.
mimooborová naplavenina • kolowratský zázrak™ • NPS • GCU • HirthCalc • ncDP.ino
Uživatelský avatar
Thomeeque
Příspěvky: 9521
Registrován: 30. 1. 2012, 10:20
Bydliště: Mimo ČR

20. 9. 2022, 1:41

Fusion 360 CAM poprvé :), více zde.

20220919_183555.jpg
mimooborová naplavenina • kolowratský zázrak™ • NPS • GCU • HirthCalc • ncDP.ino
Odpovědět

Zpět na „konvenční soustruhy“