Dobry den.
Snazil jsem se naprogramovat par soucasti podle vykresu ale porad mi to nejde.
http://heidenhain.webnode.cz/download/sw-a-ostatne/" onclick="window.open(this.href);return false;
V linku jsou vykresy ktere je mozne stahnout.
Poprosil bych Vas odborniky o vypsani v bodech jak se kazdy vykres ma resit.
UPlne staci ve wordu, nebo notepadu.
Je jich hodne, tak staci vybrat.
Nam zacatecnikum by to hodne pomohlo.
Dik
postup programovani podle vykresu v bodech.
Ono se nedá objednat a zaplatit nějaký školení u Hajdnů? 
A jen tak na okraj ... programoval jsi někdy něco, znáš aspoň základní G-kody? Pokud ne tak by stálo za to začít třeba s nima a nebo si přečít nějakej Hajdňáckej manuál. Jednoduchý věci bys měl zvládnout za jedno odpoledne pokud umíš číst a pokud máš aspoň základy ISO G-kodu. To Tě nikdo učit opravdu nemůžeme. 
Na složitý věci je dneska spíš nějakej CAM...
Na složitý věci je dneska spíš nějakej CAM...
-
prochaska
- Sponzor fora
- Příspěvky: 8450
- Registrován: 16. 7. 2006, 12:33
- Bydliště: Praha Bohnice + Roudnice nad Labem
- Kontaktovat uživatele:
Když napíšeš, že nevíš jak udělat ten a ten detail v přiloženém výkresu, tak je šance, že ti poradím, ale prohrabávat se jakousi zmatenou stránkou, hledat tam výkresy a naslepo o nich něco vykládat, to bohužel...
Zkus to konkrétněji.
Aleš Procháska
-
kareljenicku
- Příspěvky: 22
- Registrován: 23. 1. 2015, 12:03
Dobry den odbornici.
zde jsou nektere modely.
Prosil bych jen se na ne krknout a v par bodech napsat postup.
Takove Veci do zacatku moc pomuzou.
Popripade tady prosim poslete cviceni ktere si myslite ze jsou vhodne pro zacatecnika.
Dekuji.
zde jsou nektere modely.
Prosil bych jen se na ne krknout a v par bodech napsat postup.
Takove Veci do zacatku moc pomuzou.
Popripade tady prosim poslete cviceni ktere si myslite ze jsou vhodne pro zacatecnika.
Dekuji.
- Přílohy
-
- 01 Model (1).pdf
- (6.27 KiB) Staženo 760 x
-
- 02 Model (1).pdf
- (7.21 KiB) Staženo 674 x
-
- 03 Model (1).pdf
- (6.59 KiB) Staženo 479 x
-
- 04 Model (1).pdf
- (4.11 KiB) Staženo 619 x
-
kareljenicku
- Příspěvky: 22
- Registrován: 23. 1. 2015, 12:03
-
prochaska
- Sponzor fora
- Příspěvky: 8450
- Registrován: 16. 7. 2006, 12:33
- Bydliště: Praha Bohnice + Roudnice nad Labem
- Kontaktovat uživatele:
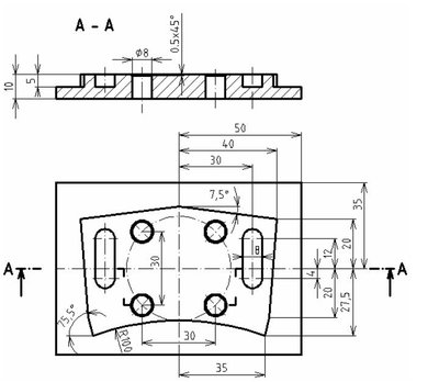
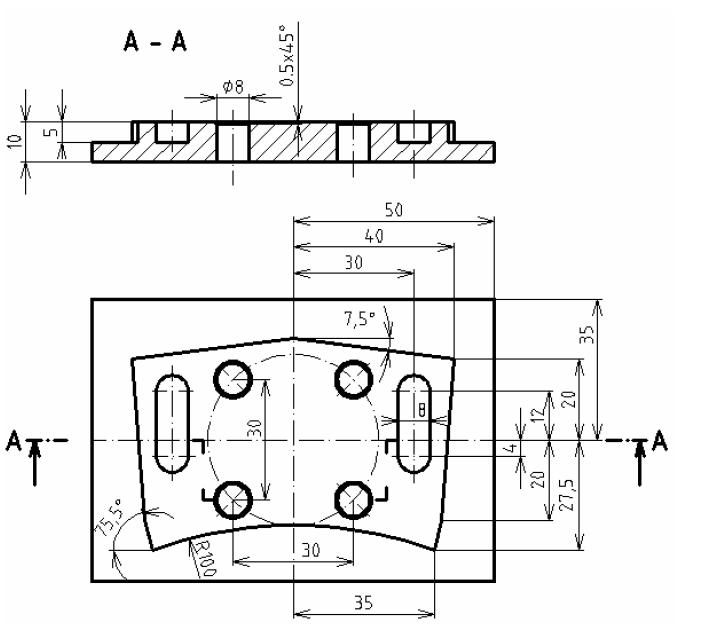
A co ti na tom nejde? Třeba na té osmičce jsou jen trochu kuriózně kótované ty šikminy v rozích, ale dá se to dopočítat a objet lineární a kruhovou interpolací. Prostě zadáš obrys, odsazení zleva (G41) a jedeš. Maximálně to před tím zopakuješ s větším odsazením pro hrubování. Obrys by se měl křížit, abys najel z místa mimo polotovar, ale jestli je to domácí úkol z programování, tak klidně můžeš i zavrtáváním
Stejně uděláš vnitřek.
Aleš Procháska
kareljenicku: proc zacinas tvarovyma vykresama, kdyz neumis napsat jednoduchy kod? to, co jsi vybral, je prevazne na fk programovani..
behem dne ti to zkusim sepsat...
edit:
takze tady mas neco sepsany..
ps: co jsi oznacil jako slozitejsi vykresy, tak jsou uplne jednoduchy vykresy... a jednduchy vykresy jsou naopak slozitejsi..
byt tebou, zamerim se hodne na zaklad psani programu...
pak pripadne prejit na FK, kdyz uz to nebudes umet napsat klasickym programovanim...
tady mas motivacku tvych vykresu...
na zbytek si zkus prijit sam... ovsem, chce to znalosti..
ps: u osmy jsem uz nedopisoval dalsi kapsu pro vybrani osmicky, neslo by to fotit na jednu stranku...
u 01 si ozrcadli cast pgm a mas druhou pulku vykresu...
behem dne ti to zkusim sepsat...
edit:
takze tady mas neco sepsany..
ps: co jsi oznacil jako slozitejsi vykresy, tak jsou uplne jednoduchy vykresy... a jednduchy vykresy jsou naopak slozitejsi..
byt tebou, zamerim se hodne na zaklad psani programu...
pak pripadne prejit na FK, kdyz uz to nebudes umet napsat klasickym programovanim...
tady mas motivacku tvych vykresu...
na zbytek si zkus prijit sam... ovsem, chce to znalosti..
ps: u osmy jsem uz nedopisoval dalsi kapsu pro vybrani osmicky, neslo by to fotit na jednu stranku...
u 01 si ozrcadli cast pgm a mas druhou pulku vykresu...
-
kareljenicku
- Příspěvky: 22
- Registrován: 23. 1. 2015, 12:03
Zdravim. Dik moc za info.
Nam zacatecniku se to bude moc hodit.
Nam zacatecniku se to bude moc hodit.