Díly

Požadavky na výrobu dílů - poptávkové fórum
Pravidla fóra
Toto forum vyzaduje schvaleni prispevku moderatorem.
Odpovědět
filip vilímek
Příspěvky: 10
Registrován: 17. 1. 2014, 6:05

23. 5. 2015, 9:02

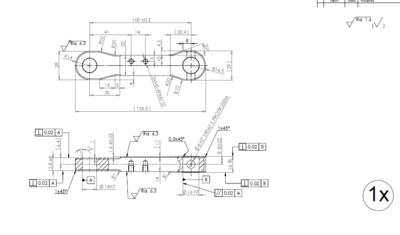
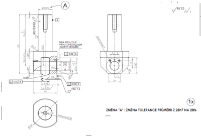
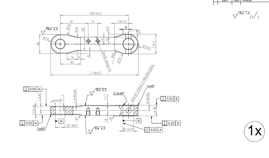
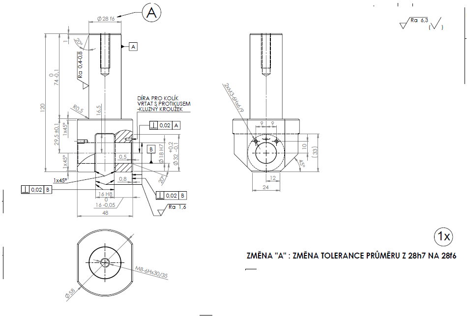
Dobrý den,potřeboval bych vyrobit tyto tři díly viz.příloha. Bohužel na takovou přesnou práci nemám stroje.
Materiál bych dodal. Díky za info a za nabídku cen.
Termín cca 10dní. Díky
Pokud by někdo potřeboval nějaké bližší info,rád vše vysvětlím.

Některé H díry se pak budou vrtat až při montáži.

Piště prosím na mail. Díky
Přílohy
1.PNG
2.PNG
3.PNG
Odpovědět

Zpět na „Potřebuji vyrobit - vypomoc pri vyrobe“