matrice

Požadavky na výrobu dílů - poptávkové fórum
Pravidla fóra
Toto forum vyzaduje schvaleni prispevku moderatorem.
Odpovědět
rehy1
Příspěvky: 188
Registrován: 18. 12. 2014, 2:18

23. 9. 2015, 10:16

Dobrý den
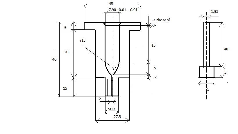
Poptávám výrobu 1ks matrice. Materiál ocel, kalená a vnitřní dutina leštěná. Je mi jasné že 2mm díra leštit moc nejde tak stačí vystružit. Posílám v příloze nákres s rozměry. Vnější rozměry stačí s přesností na 0,1mm. Důležitá je pouze dutina a její vyleštění. Do dutiny se bude lisovat mosazná dutinka s olovem. Jedná se matrici na výrobu střely 7,62 TT. Dokázali by jste tuto matrici vyrobit a napsat mi přibližnou cenu?
Pokud jde o vyrážecí čep ten by měl být vyroben z "pevnější" oceli.
Přílohy
matrice.jpg
rehy1
Příspěvky: 188
Registrován: 18. 12. 2014, 2:18

24. 9. 2015, 10:07

Verze 2.0 :-)
Ogivál více do kulata. Zvládl by to někdo. U této verze není nutné ogivál tak leštit, půjde lehce vytáhnout.
Přílohy
matrice2.jpg
rehy1
Příspěvky: 188
Registrován: 18. 12. 2014, 2:18

29. 9. 2015, 5:48

Jelikoš se nedaří s matricí tak to budu muset zkusit sám. Ale i tak si s něčím neporadím. dokázal by někdo upravit výstružník 8mm na 7,90mm?
RaS
Příspěvky: 8748
Registrován: 26. 3. 2009, 9:12
Bydliště: Úvaly

29. 9. 2015, 6:16

a proč si nekoupíš výstružník 7,9? u Hoffmana stojí cca 400,- když vezmeš 8ku pošleš ho nějakému brusičovi on Tobě zpátky tak to vyjde asi dráž..
věčný rýpal,který musí mít poslední slovo, odpůrce low-cost zařízení končících v naprosté většině případů v hromadě šrotu
uživatelé hýbátek, kteří mají z mých příspěvků celoživotní trauma nechť si mé příspěvky VYPNOU
rehy1
Příspěvky: 188
Registrován: 18. 12. 2014, 2:18

29. 9. 2015, 9:09

Asi jsem blbě hledal, tak proto ten dotaz. Díky za info. Snad to teď najdu. :D
rehy1
Příspěvky: 188
Registrován: 18. 12. 2014, 2:18

29. 9. 2015, 9:24

Tak nalezeno díky, předpokládám prvně předvrtat vrtákem 7,8mm. Ještě vyřešit tu kónickou díru. To bude horší. Musím se přiznat, že nevím. Jediné co mě napadlo nabrousit nůž a vysoustružit.
Odpovědět

Zpět na „Potřebuji vyrobit - vypomoc pri vyrobe“