Poptávka výroby jednorázově 12Ks pro CNC soustruh

Požadavky na výrobu dílů - poptávkové fórum
Pravidla fóra
Toto forum vyzaduje schvaleni prispevku moderatorem.
Uživatelský avatar
skodamotor
Příspěvky: 506
Registrován: 28. 9. 2010, 3:16
Bydliště: Praha
Kontaktovat uživatele:

7. 11. 2015, 5:36

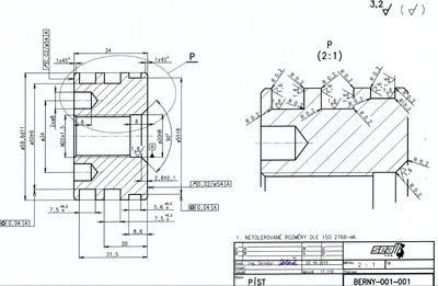
Zdravím poptávám výrobu 12Ks materiál Nerez 17 xxx materiál dodám jedná se zatím o jednorázovou výrobu. V případě zajmu mě prosím konspektujete tady SZ nebo na mail skodamotor@skodamotr.cz Děkuji Stepan
Píst.png
Přílohy
Výkres pístu.pdf
(635.32 KiB) Staženo 418 x
almac
Příspěvky: 740
Registrován: 28. 5. 2015, 6:35
Bydliště: Liberec

7. 11. 2015, 6:42

výkres krásný (ty hrůzy, co člověk většinou vidí, to stojí za to). Jen se mi zdá zbytečná úchylka souososti na průměrech 50h9 a 55f8 (asi drážky pro těsnicí kroužky). Protože těsnicí kroužky by na tyto průměry doléhat neměly (doléhají na válec). A.
SN 20, SM 16 B, FN 25
Uživatelský avatar
skodamotor
Příspěvky: 506
Registrován: 28. 9. 2010, 3:16
Bydliště: Praha
Kontaktovat uživatele:

8. 11. 2015, 7:58

Díky na dokumentaci jsem prostě pedant. Ano je to píst do válce pro ovládání aerobrzdy. Tak bych raději ty tolerance v rámci možností dodržel. Jsi schopen službu nabídnout ? Díky Stepan
almac
Příspěvky: 740
Registrován: 28. 5. 2015, 6:35
Bydliště: Liberec

8. 11. 2015, 8:40

skodamotor píše:...na dokumentaci jsem prostě pedant...
:lol: jo to já taky, ale nikdo si toho nevšimne a neocení to :-) Na tu zakázku nemám vybavení, nemám CNCčko a ta moje SN20 by nezvládla v nerezi Ra1,6, má točky jen 750ot/min. Ale už jsem podobný píst soustružil, měl průměr 38mm a 2 drážky na kroužky (na moji parní lokomotivu) :) A.
SN 20, SM 16 B, FN 25
Uživatelský avatar
skodamotor
Příspěvky: 506
Registrován: 28. 9. 2010, 3:16
Bydliště: Praha
Kontaktovat uživatele:

1. 12. 2015, 4:48

Děkuji za pomoc při výrobě, ale očekával jsem kvalitu nikoliv výrobu zmetků. Bohužel jsem se poléhal na to, že když někdo napíše ano vyrobím mám stroj tak, že to bude skvělá práce. Bohužel jsem se pletl.

Výrobu my nahlídnul Lukáš Homolka, Klatovy.

Jedu si pro hotovou zakázku nadšen a připraven na montáž hurá :) ale jaké je zjištění !! Pouze 3 Ks z 9 Ks nikoliv jen 3 Ks zmetků.

Tak rekapitulace cesta 280km a vyzvednete si zmetek tedy 3 Ks zmetků!!!

Závit M20 x 1,5 nedokončen, čelo neobrobené zápichy jako když okousala myš !!! Všechny rozměry podle oka do potoka no prostě děsivé.

Tak jen se dělím o svojí dnešní zkušenost pana ´´Lukáš Homolka´´ vřele doporučuji.
IMG_20151201_164941.jpg
IMG_20151201_164935.jpg
Tak pokud je někdo schopen a ochoten pomoci při výrobě tak děkuji za info.

Štěpán B
Uživatelský avatar
packa
Příspěvky: 7141
Registrován: 7. 2. 2007, 6:42
Bydliště: Královehradecký kraj

1. 12. 2015, 6:04

předpokládám že to byl ještě tvůj material? tohle je smutné .
brutal
Příspěvky: 613
Registrován: 2. 9. 2014, 7:49

1. 12. 2015, 6:51

tak to je masakr
Uživatelský avatar
skodamotor
Příspěvky: 506
Registrován: 28. 9. 2010, 3:16
Bydliště: Praha
Kontaktovat uživatele:

1. 12. 2015, 7:48

packa píše:předpokládám že to byl ještě tvůj material? tohle je smutné .
Jistě ještě jsem to poslal přes DPD dostal jsem jen 3Ks ostatní asi zmetky ještě větší? Nevím !!! No budu to nějak řešit adresu mám tak si udělám ještě jeden výlet :) Chlapci v koženém obleku pojedou taky :D :D
melirx
Příspěvky: 146
Registrován: 4. 5. 2014, 10:02

1. 12. 2015, 8:09

a na kolik Te ty 3 "zmetky" vysly?
Blein
Příspěvky: 67
Registrován: 14. 10. 2014, 11:15
Bydliště: JMK okres Blansko

1. 12. 2015, 8:20

Pokud pojedeš okolo Blanenského kraje, můžeš se přijet podívat na kastról s kořalkou :D
Uživatelský avatar
fmodel
Příspěvky: 10252
Registrován: 26. 10. 2011, 10:37
Kontaktovat uživatele:

1. 12. 2015, 8:40

Nechci řešit ani hájit výrobce, ale je potřeba být trochu nad věcí ,většina lidí na foru co je slušná práce živí na těch pár kousků nemá čas ani chuť protože je vesměs zavalena prací. Začínající nebo méně zdatní se pustí do čehokoliv aby se uživili, tak se občas stane něco podobného .Pokud se tomu chceš vyhnout není moc šancí a to oslovit vybavené firmy a zaplatit relativně dost peněz protože je nebude zajímat jestli to máš na kšeft nebo,pro hobby.Zřejmě jsi už poptával práci ve firmě tak že máš představu co to stojí a jestli má cenu zariskovat tady.Neber to jako vítku spíš jako shrnutí situace.
http://www.rm-reznicek.cz" onclick="window.open(this.href);return false;
almac
Příspěvky: 740
Registrován: 28. 5. 2015, 6:35
Bydliště: Liberec

2. 12. 2015, 10:37

je hodně výrobců, ne každý má čas, a ceny jsou různé. Je potřeba nějakou drobnější zakázkou výrobce otestovat a pak se uvidí, zda s ním spolupracovat dál ( je to také otázka ceny). Snažím se to tak dělat a pak taky vím, jakou kvalitu očekávat (a taky ne vše je potřebné v té nejvyšší přesnosti). A.
SN 20, SM 16 B, FN 25
Uživatelský avatar
skodamotor
Příspěvky: 506
Registrován: 28. 9. 2010, 3:16
Bydliště: Praha
Kontaktovat uživatele:

2. 12. 2015, 10:39

fmodel píše:Nechci řešit ani hájit výrobce, ale je potřeba být trochu nad věcí ,většina lidí na foru co je slušná práce živí na těch pár kousků nemá čas ani chuť protože je vesměs zavalena prací. Začínající nebo méně zdatní se pustí do čehokoliv aby se uživili, tak se občas stane něco podobného .Pokud se tomu chceš vyhnout není moc šancí a to oslovit vybavené firmy a zaplatit relativně dost peněz protože je nebude zajímat jestli to máš na kšeft nebo,pro hobby.Zřejmě jsi už poptával práci ve firmě tak že máš představu co to stojí a jestli má cenu zariskovat tady.Neber to jako vítku spíš jako shrnutí situace.
V případě, 12Ks je nezajímavé na výrobu tak je to zohledněn cenou a pokud má někdo zájem a ozve se tak předpokládám, že ví co dělá a jen neplácá do vody. Jako v tomto případě.
Uživatelský avatar
skodamotor
Příspěvky: 506
Registrován: 28. 9. 2010, 3:16
Bydliště: Praha
Kontaktovat uživatele:

2. 12. 2015, 10:41

melirx píše:a na kolik Te ty 3 "zmetky" vysly?
Dostal jsem vyrobené 3 zmetky. Smutné je, že to věděl a mohl včas dát zprávu!!! Škoda času a cesty za kterou jsem si to mohl vyrobit a byl by klid.
prochaska
Sponzor fora
Příspěvky: 8445
Registrován: 16. 7. 2006, 12:33
Bydliště: Praha Bohnice + Roudnice nad Labem
Kontaktovat uživatele:

2. 12. 2015, 12:25

Oni to většinou ani nemyslí zle, prostě jsou tak zvyklí dělat. Tohle se mi stalo několikrát, vždycky jako přes kopírák: napoprvé hrůza, nedodržené tolerance, potrhané závity, hrany sražené snad pilníkem, povrch 1.6 křížem krážem porytý šábrem, dodavatel pyšně stojí vedle a očekává pochvalu. Vysvětlil jsem, probral bod po bodu, na podruhé už to bylo skoro dobré, napotřetí už jsem to akceptoval. Na čtvrtý pokus mi dodavatel oznámil, že má zakázku od Škody a že na tyhle blbý kšefty kašle :-)
Aleš Procháska
Odpovědět

Zpět na „Potřebuji vyrobit - vypomoc pri vyrobe“