díky
Bezpečnostní okruh Estop
Mrkněte sem, v posledním příspěvku je řízení stroje firmy Přidal.
http://www.c-n-c.cz/viewtopic.php?t=1597&start=15
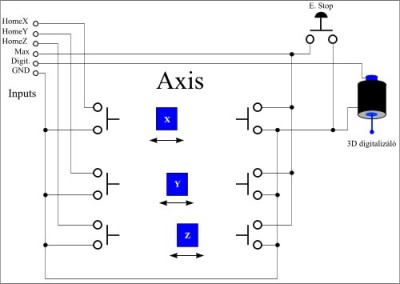
V levém dolní rohu najdete připojení EStopu, které jednak rozpojí napájení koncových stupňů a navíc je zajištěno, aby se nezablokovalo spouštěcí tlačítko (při stisku odpojení logiky Enabled).
Radek
http://www.c-n-c.cz/viewtopic.php?t=1597&start=15
V levém dolní rohu najdete připojení EStopu, které jednak rozpojí napájení koncových stupňů a navíc je zajištěno, aby se nezablokovalo spouštěcí tlačítko (při stisku odpojení logiky Enabled).
Radek
soustruh Bernardo 500, frézka Proxxon
(CNC Tron, CNC Proxxon MF70)
(CNC Tron, CNC Proxxon MF70)
- Radek-B
- Příspěvky: 2137
- Registrován: 13. 9. 2006, 11:09
- Bydliště: V:Karlovice
- Kontaktovat uživatele:
Nize je popsana i moznost definice a ovladani externimi tlacitky.kovohemil píše:chěl bych se zeptat kde v Machu můžu nastavit tlačítka na klávesnici, kde se to tam dělá dík
http://www.c-n-c.cz/viewtopic.php?t=189
RADEK
modernizace/repase CNC strojů a zařízení
automatizace/konstrukce
automatizace/konstrukce
- sysel
- Příspěvky: 655
- Registrován: 12. 6. 2007, 9:24
- Bydliště: Šenov u Ostravy
- Kontaktovat uživatele:
Dneska se mi stala zajímavá skutečnost po zapojení ESTOP okruhu... Když jsem sepnul ESTOP tak cca po 2-3 sec se samo roztočilo vřeteno, čili seplo mi relé, které je připojeno na pin 1... když jsem ESTOP vypnul, v Machu dal RESET a teprve po pohnutí s kterýmkoliv motorem se vřeteno zase vyplo.... Čuměl jsem na to jak puk
Tak začlo zkoumání, vypnul jsem v Mach3 ovládání vřetena, vyzkoušel a přestalo to dělat... Zdálo se že příčina je objevená, ale když jsem ovládání vřetena zase zapnul tak hle už to nedělalo... Pak jsem zkoušel měnit všechno možné, v různém pořadí, i tak jak jsem to dneska zapínal a prostě už se mi nepodařilo to dostat do toho stavu kdy to dělalo... Nesetkal se s tím někdo?
Je to dost nebezpečné, když se po ESTOPU kdy by se mašina měla vypnout totálně se samo roztočí vřeteno.... Vím, že správně by to mělo být tak, že ESTOP odpojí veškerou elektriku mašiny a pak zhodí řídící systém, ale pokud chcu jakštakš udržet souřadnice, tak musím zastavovat Mach...
Je to dost nebezpečné, když se po ESTOPU kdy by se mašina měla vypnout totálně se samo roztočí vřeteno.... Vím, že správně by to mělo být tak, že ESTOP odpojí veškerou elektriku mašiny a pak zhodí řídící systém, ale pokud chcu jakštakš udržet souřadnice, tak musím zastavovat Mach...
5/2007 přístup na přestavěnou BF20
5/2009 dokončeno vlastní CNC
http://cnc.usysla.eu/
5/2009 dokončeno vlastní CNC
http://cnc.usysla.eu/
ESTOP je havarijne tlacidlo .. nie nieco co ma este moznost zachranovat suradnice.sysel píše: Vím, že správnì by to mìlo být tak, že ESTOP odpojí veškerou elektriku mašiny a pak zhodí øídící systém, ale pokud chcu jakštakš udržet souøadnice, tak musím zastavovat Mach...
nespolieham na ESTOP ani u EMC a po tom co som o machu cital tak by som na neho uz vobec nespoliehal. Naozaj ESTOP vypina vzdy napajanie .. a ci uz potom na to komp reaguje alebo nie, je mi jedno.. ESTOP stlacam ja ked zistim fatalnu chybu alebo masina z akehokolvek havarijneho dovodu nabehne na koncak. V oboch pripadoch je uz neskoro chytat suradnice.
- sysel
- Příspěvky: 655
- Registrován: 12. 6. 2007, 9:24
- Bydliště: Šenov u Ostravy
- Kontaktovat uživatele:
Radek-B: Tím mi chceš naznačit že si mám přestat hrát
Ale kdo si hraje nezlobí
k: a jak vyřešíš případ, kdy ti jede fréza směrem k úpince, máš na to dejme tomu 5sec, klávesnice daleko, takže STOP ani PAUSE nepoužiješ a máš takový kulatý výrobek, že už nemáš šanci si ho ošahat a pustit opravený program znova? A upnutý polotovar dejme tomu v ceně 500kč? Necháš frézu na pospas, nebo to prostě ESTOPneš a rozjetý výrobek vyhodíš ho do koše, protože už nemáš šanci ho dodělat? Nemám takové příjmy abych si to mohl dovolit a tolik výrobků taky nedělám, abych to pokryl ziskem.... Proto to řeším jak to řeším, vím že to je blbě, ale jsme tady na hobby úrovni... A řekl bych že hodně z mašin které tu jsou ESTOP ani nemají, natož aby vypínal komplet napájení..... A fungujou a už se několikrát zaplatily....
k: a jak vyřešíš případ, kdy ti jede fréza směrem k úpince, máš na to dejme tomu 5sec, klávesnice daleko, takže STOP ani PAUSE nepoužiješ a máš takový kulatý výrobek, že už nemáš šanci si ho ošahat a pustit opravený program znova? A upnutý polotovar dejme tomu v ceně 500kč? Necháš frézu na pospas, nebo to prostě ESTOPneš a rozjetý výrobek vyhodíš ho do koše, protože už nemáš šanci ho dodělat? Nemám takové příjmy abych si to mohl dovolit a tolik výrobků taky nedělám, abych to pokryl ziskem.... Proto to řeším jak to řeším, vím že to je blbě, ale jsme tady na hobby úrovni... A řekl bych že hodně z mašin které tu jsou ESTOP ani nemají, natož aby vypínal komplet napájení..... A fungujou a už se několikrát zaplatily....
5/2007 přístup na přestavěnou BF20
5/2009 dokončeno vlastní CNC
http://cnc.usysla.eu/
5/2009 dokončeno vlastní CNC
http://cnc.usysla.eu/
- Radek-B
- Příspěvky: 2137
- Registrován: 13. 9. 2006, 11:09
- Bydliště: V:Karlovice
- Kontaktovat uživatele:
Myslel jsem to tak ze vsichni do jednoho na tomto foru , jsme deti.
Podivej , masinu nebo vyrobek nabori i zkuseni jak se jim ted rika CNC OPERATORI. Z-5tne najeti vyrobku si zajistis tak se si ho bud objedes sondou a nebo veris tomu ze se pri kolizi nepohnul a proste budes verit posunuti souradne soustavy vuci referakum o ktere preci neprijdes.
Jinak se to resi kontrolnimi plochami nebo tzv. technologickymi dirami.
Ktere si udelas pred zapocetim obrabeni a mas je presne definovany v pracovnim prostoru. A muzes je kdykoli znovu definovane najet.
RADEK
Podivej , masinu nebo vyrobek nabori i zkuseni jak se jim ted rika CNC OPERATORI. Z-5tne najeti vyrobku si zajistis tak se si ho bud objedes sondou a nebo veris tomu ze se pri kolizi nepohnul a proste budes verit posunuti souradne soustavy vuci referakum o ktere preci neprijdes.
Jinak se to resi kontrolnimi plochami nebo tzv. technologickymi dirami.
Ktere si udelas pred zapocetim obrabeni a mas je presne definovany v pracovnim prostoru. A muzes je kdykoli znovu definovane najet.
RADEK
modernizace/repase CNC strojů a zařízení
automatizace/konstrukce
automatizace/konstrukce