Nefunkční posuvy
Zdravím,
prosím o radu. Nemáte někdo zkušenosti s nefunkčními posuvy na frézce FA 3? Frézku jsem koupil za rozumný peníz, bohužel ale bez vertikální hlavy a s nefunkčními posuvy. První co mě napadlo, rozdělal jsem kryt z boku, který vede k přepákování na zapínání posuvů a koukali tam na mě dva odpojené černé drátky, tuším, že jsou to koncáky. Ale původní majitel tvrdil, že po stránce elektriky je frézka v pořádku. Poradí mi někdo? popřípadě nemél by někdo schéma elektrického zapojení pro ty koncáky?
Mockrát děkuji za jakkékoliv příspěnky
prosím o radu. Nemáte někdo zkušenosti s nefunkčními posuvy na frézce FA 3? Frézku jsem koupil za rozumný peníz, bohužel ale bez vertikální hlavy a s nefunkčními posuvy. První co mě napadlo, rozdělal jsem kryt z boku, který vede k přepákování na zapínání posuvů a koukali tam na mě dva odpojené černé drátky, tuším, že jsou to koncáky. Ale původní majitel tvrdil, že po stránce elektriky je frézka v pořádku. Poradí mi někdo? popřípadě nemél by někdo schéma elektrického zapojení pro ty koncáky?
Mockrát děkuji za jakkékoliv příspěnky
Aby motor jel, tak musí být koncák v sepnutém stavu. Píše, že má odpojené dráty, tj koncák rozpojen.drekk píše:koncaky jsou aby se stul zastavil tak ze posuv by ti mel normalne chodit i bez koncaku. Asi bych zacal motorem. Jde nejde a potom dal.
bednar.dk@seznam.cz
SolidWorks 2011
Zakázková výroba jednoúčelových strojů
konstrukce strojů, automatizace,
http://www.indops.cz" onclick="window.open(this.href);return false;
SolidWorks 2011
Zakázková výroba jednoúčelových strojů
konstrukce strojů, automatizace,
http://www.indops.cz" onclick="window.open(this.href);return false;
no to nevim to by musel mit sepnute vsechny spinace aby mu nesel v zadnem smeru posuv. Fa 3 ma posuv ve vsech smerech a tech dratu od konacku tam bude vice nez dva. Podelny stul ma ctyry draty na koncaky. U fa2 kde jsem delal koncaky tak koncaky jsou seple aby se motor zastavil. A u fa3 to bude stejne.
Tos SM16B, Tos FN20, Tos FA2, Hodinařske soustruhy
Taky jsem si myslel, že by tam mělo vést více kabelů od koncáků, ale jsou to pouze dva slabé černé kabely. Než začnu frézku rozdělávat, chtěl bych zjistit od kud jsou a zapokit je, kdyby to byl celý problém.
Do motoru mi šťáva neteče a byl jsem právě také názoru, že musí být koncáky spojeny aby šla do motoru elektrika.
Každopádně zatím všem moc děkuji
Do motoru mi šťáva neteče a byl jsem právě také názoru, že musí být koncáky spojeny aby šla do motoru elektrika.
Každopádně zatím všem moc děkuji
jako první věc bych zkontroloval pojistku ( napájení nízkonapěťové části )
pak ti musí fungovat koncáky a otočný přepínač s ozub. kolečkem od páky posuvů ...
* předpokládám že máš odblokované stop tlačítko
* rychloposuvy jsou také spřažené s tím, že musí být zapnuté vřeteno ...
pak ti musí fungovat koncáky a otočný přepínač s ozub. kolečkem od páky posuvů ...
* předpokládám že máš odblokované stop tlačítko
* rychloposuvy jsou také spřažené s tím, že musí být zapnuté vřeteno ...
Toto jsem všechno kontrolovl...
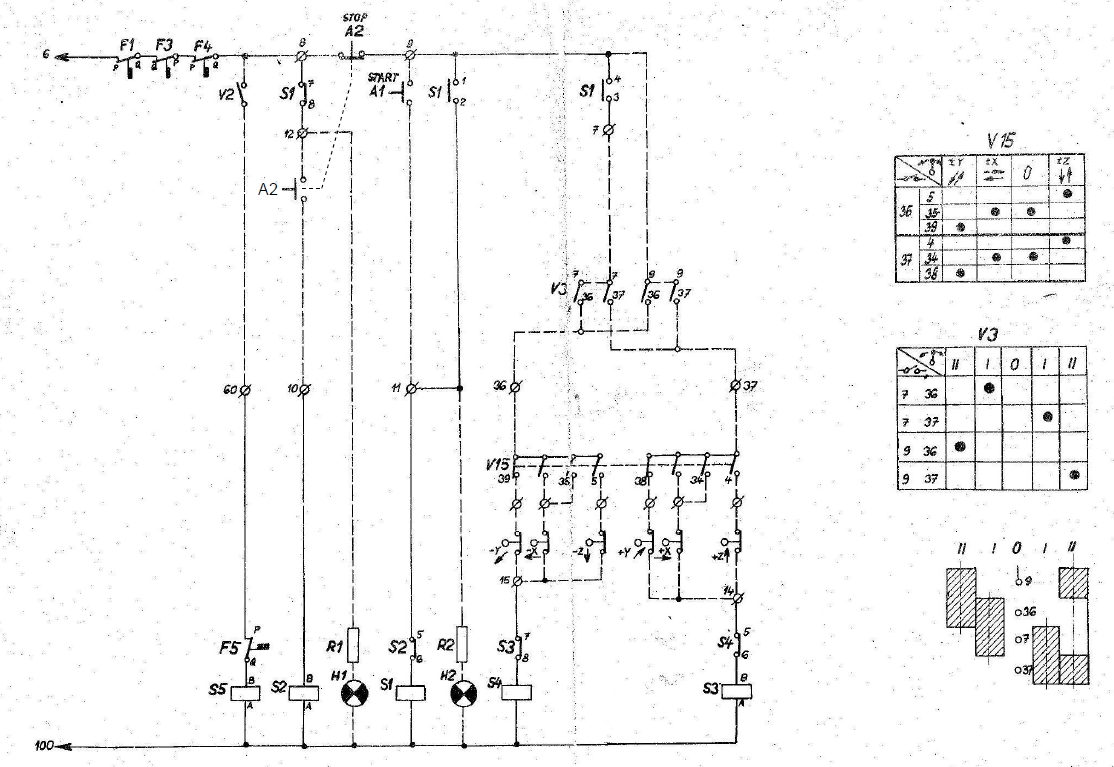
V první řadě musím zjistit od čeho jsou dva slabé černé kabely, které jsou odpojené v právé části, hned za přepákováním na zapínání posuvů. Jsou to jedinné kabely, které tam jsou. A dále pak musím zjistit, jak se správně v původní poloze vrací mechanismus s boku a ze předu do sebe, tak aby to sedělo.
V první řadě musím zjistit od čeho jsou dva slabé černé kabely, které jsou odpojené v právé části, hned za přepákováním na zapínání posuvů. Jsou to jedinné kabely, které tam jsou. A dále pak musím zjistit, jak se správně v původní poloze vrací mechanismus s boku a ze předu do sebe, tak aby to sedělo.
Opět se začíná rozvíjet diskuze kde někdo má pravdu, někdo pravdu nemá a někdo pouze částečně. Vyfoť to místo kde jsou vodiče odpojeny, termín "vpravo hned za přepákováním" je takový nejasný a právě proto jsou i odpovědi na dotaz nejasné.
, protože by to přinášelo do zapojení mnohá úskalí. (V případě zájmu mohu ta úskalí popsat).
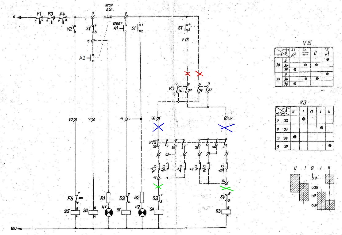
No ono právě záleží v kterém místě to máš rozdělané. Ale když rozpojíš pouze dva vodiče např. v místě označeném červenými, nebo modrými, nebo zelenými křížky, tak Ti žádný posuv nepojede!Dawe333 píše:Taky jsem si myslel, že by tam mělo vést více kabelů od koncáků, ale jsou to pouze dva slabé černé kabely. Než začnu frézku rozdělávat, chtěl bych zjistit od kud jsou a zapokit je, kdyby to byl celý problém.
Do motoru mi šťáva neteče a byl jsem právě také názoru, že musí být koncáky spojeny aby šla do motoru elektrika.
Pokud má Dawe333 frézku v původním provedení, tak tlačítka STOP nebyla aretovaná, protože to vlastně nebyl CENTRAL STOP, byl to pouze provozní STOP, rychloposuvy nejsou vázané na během vřetena. Vázané jsou naopak pracovní posuvy, je to zcela zřetelné ze schématu zapojení a také z "mechanické" logiky páky pro zapínání posuvů. Pracovní posuvy mají polohu páky aretovanou, rychloposuvy mají polohu páky nearetovanou - vratnou.echt píše: * předpokládám že máš odblokované stop tlačítko
* rychloposuvy jsou také spřažené s tím, že musí být zapnuté vřeteno ...
Naopak všechny příslušné kontakty které jsou řazeny v cestě od svorky 9 k cívce stykače S3 nebo S4 MUSÍ být sepnuté aby posuvový motor běžel! Frézku Fa2 neznám, ale Tebou popsané řešení, že koncáky jsou za běžného provozu rozepnuté a při najetí na narážku se sepnou je nějaké podivnédrekk píše:no to nevim to by musel mit sepnute vsechny spinace aby mu nesel v zadnem smeru posuv. Fa 3 ma posuv ve vsech smerech a tech dratu od konacku tam bude vice nez dva. Podelny stul ma ctyry draty na koncaky. U fa2 kde jsem delal koncaky tak koncaky jsou seple aby se motor zastavil. A u fa3 to bude stejne.
Soustruh: S-28 Žebrák
Stolní vrtačka: TOS V10A
Pásová pila: G5013W/400
Stolní vrtačka: TOS V10A
Pásová pila: G5013W/400
[quote="salus"]Opět se začíná rozvíjet diskuze kde někdo má pravdu, někdo pravdu nemá a někdo pouze částečně. Vyfoť to místo kde jsou vodiče odpojeny, termín "vpravo hned za přepákováním" je takový nejasný a právě proto jsou i odpovědi na dotaz nejasné.
Frézku nemám v místě bydliště, ale pokud mi do toho dnes něco neskočí, tak bych k ní odpoledne zajel a vyfotím to. Omlouvám se za špatné vysvětlování
Frézku nemám v místě bydliště, ale pokud mi do toho dnes něco neskočí, tak bych k ní odpoledne zajel a vyfotím to. Omlouvám se za špatné vysvětlování
Tak jsem si sebou vzal elektrikáře, že by mi pomohl dát dokupy ty dráty pomocí toho schématu. Bohužel bývalý majitel se v tom evidentně vrtal natolik, že je vše zapojené jinak 
Takže zatim jsem ve fázi, kdy jsou všechny kabely od koncáků odpojené, prozvoněné a popsané a příště budu zapojovat
Všem zatim mockrát děkuji za pomoc
Takže zatim jsem ve fázi, kdy jsou všechny kabely od koncáků odpojené, prozvoněné a popsané a příště budu zapojovat
Všem zatim mockrát děkuji za pomoc
Kdyz elektrrika funguje, moje lenost vitezi. Pokud ne, radeji vsechno vyskubu a predelam. Nova instalace je potom ovladacove ciste slaboprouda, zmizi obri praveke stykace i pojistky. Muzu doplnit mereni, pripadne regulaci otacek vretene ci posuvu. Obcas to nove kulturne vydratovat je mensi prace nez to dohledavat po nejakem kutilovi 
- robokop
- Site Admin
- Příspěvky: 23178
- Registrován: 10. 7. 2006, 12:12
- Bydliště: Praha
- Kontaktovat uživatele:
skoro vzdy to je mene prace udelat to na novo
a kdyz se to neudela tak se v tom neco vysype do tejdne a dalsi hledani co to je
a dalsi a dalsi hodiny prace
a za mesic zase
a kdyz se to neudela tak se v tom neco vysype do tejdne a dalsi hledani co to je
a dalsi a dalsi hodiny prace
a za mesic zase
Vsechna prava na chyby vyhrazena (E)