Elektronický regulátor otáček minisoustruhu
Kup si u BOW regulator na BF 20. Je pomerne kvalitni a levny.
Motor DC 220V/600W. Proud si tam muzes krasne nastavit.
Tusim kolem 1500 Kc.
Pro pupak .Ještě jednou moc dík za typ.Jenom bych potřeboval odbornou radu při zapojení.Nechal jsem si od BOW poslat schéma zapojení regulátoru a není mi tam úplně jasná jedna pozice konkrétně od P4 na přepínač poz.12(žlutej) a pak (černej drát) od potenciometru na přepínač Poz.11. Já tam mam klasickej kolébkovej přepínač s 9 pozicema tak nevím jak na to..Co tam teče nebo proč to tam je? Moc díky Pupaku
Jak koukam na to schema,tak ja jsem nikdy tu P4 ani den druhej drat (cernej) nepouzil. Jen zapojim potak a reverzaci delam na vystupu prehozenim polarity.Nic vic. O funkci P4 opravdu nic nevim,nebot jsem ji nikdy nepouzil.
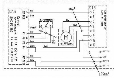
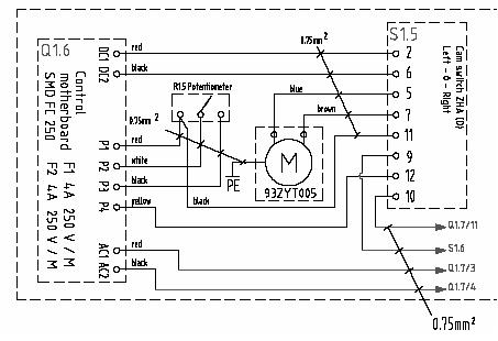
Také se mi zničil regulátor u malého soustruhu NOEL se stejnosměrným motorem 230V / 400W. Tak jsem byl donucen si tento regulátor zkreslit.
Po té se mi regulátor podařilo opravit. Přidávám moje náčrty, snad někomu také pomohou.
Po té se mi regulátor podařilo opravit. Přidávám moje náčrty, snad někomu také pomohou.
- Přílohy
-
- Regulátor minisoustruhu - motor 400W.rar
- (222.3 KiB) Staženo 3237 x
Dík za rady.Pupaku mluvil jsem s kamarádem a taky říkal že se mam na tu P4 a černej od poťáku vyprdnout. Tak to zkusím bez jak radíš.Jsem na to natěšenej ale ta deska od BOW ještě nedorazila.Pak dám hned vědět jestli se zakouřilo nebo ne. Díky Láďa
U frezky BF20 je zapojen jen potak tak,jak jsem rikal.Nic jineho tam pripojene neni a ta svorka je prazdna. Jen je treba podle vykonu motoru nastavit max. proud.Ta regulace jenastavena na 5-6A pro 800W motor.Pokud mas soustruh s 400-600W motorem,je trba proud snizit na 3-4A.
Tam se nastavuje proud Imax. Je tam na to trimr a je popsanej.
Tak už jsem regulátor zapojil a chodí to jako hodinky.Nemohl jsem se od toho utrhnout.To napětí jsem nesnižoval jsou tam tři trimy jeden má nápis TORGUE, druhej V min a třetí V max.Myslíš, že je s tím potřeba kroutit? Jede to krásně nic se nehřeje nebo tak.Jestli jo tak to bude kterej ?Psal jsi trim název I max a tady je V max tak jsem s tím radši nic nedělal.Ale asi je to jedno a to samé.Že jo. Díky Láďa