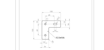
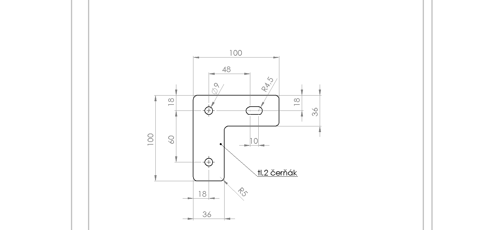
Ahoj kluci ,potřebuji asi 100ks zesílení z 2mm plechu třeba 11373 atd .prosím cenu a případně termín .
Tolerance +- autobus .
Říznout zesílení na plazmě
Pravidla fóra
Toto forum vyzaduje schvaleni prispevku moderatorem.
Toto forum vyzaduje schvaleni prispevku moderatorem.
http://www.rm-reznicek.cz" onclick="window.open(this.href);return false;
Nikdo neřeže? 
http://www.rm-reznicek.cz" onclick="window.open(this.href);return false;
Ne tenhle rozměr 
http://www.rm-reznicek.cz" onclick="window.open(this.href);return false;
Dnes zadáno v skoro místní firmě 100ks 1120 Kč bez DPH .Tady z fora nabídky podstatně dražší. 
http://www.rm-reznicek.cz" onclick="window.open(this.href);return false;
Už to mám zadaný 3km od dílny.
http://www.rm-reznicek.cz" onclick="window.open(this.href);return false;