Pozna niekto tieto motory? SELEDATA?

Odpovědět
b_and_y
Příspěvky: 55
Registrován: 2. 11. 2008, 5:55
Bydliště: Nesvady
Kontaktovat uživatele:

11. 3. 2009, 7:34

Co to je za motor? MA 4 vyvody. Dakujem.
Nikde som nezohnal ziadnu dokumentaciu
Přílohy
vyvody.jpg
seledata.jpg
Uživatelský avatar
Jojanisberg
Příspěvky: 209
Registrován: 2. 9. 2008, 4:36
Bydliště: Jihlava

11. 3. 2009, 7:49

Johanisberg
martyxxx
Příspěvky: 191
Registrován: 16. 10. 2008, 9:19
Bydliště: Praha

11. 3. 2009, 8:23

No, je to klasický bipolární krokový motor se čtyřmi vývody. Červený a bílo-červený bude pár jednoho vinutí a zelený a bílo-zelený pár druhého vinutí. Jako budič je možno použít třeba M542 nebo ME742, prostě driver který má cca 4-5A (lépe 5A) výstupní proud. Jediné, co ze štítku není patrné je napětí na navinutí - napájecí napětí driveru by mělo být tak 10x až 20x větší, aby to dobře šlapalo. U tohoto motoru bych určitě nešel pod 40-50V.
b_and_y
Příspěvky: 55
Registrován: 2. 11. 2008, 5:55
Bydliště: Nesvady
Kontaktovat uživatele:

11. 3. 2009, 7:22

Je to dost zaujimave lebo v robote mame taketo motory a tam ich riadia GS-D200S integrace. NA druhej strane dokazu len 2.5 A. Staci to?
Dakujem. NEMA NIEKTO HOMEMADE DRIVER?
martyxxx
Příspěvky: 191
Registrován: 16. 10. 2008, 9:19
Bydliště: Praha

11. 3. 2009, 7:50

Na takový motor se samozřejmě dají použít drivery, které mají max. proud 2.5A, ale pak se nedosáhne max. udaného momentu, takže místo 1.95 Nm dají třeba jen 1.1 Nm, což pro danou aplikaci nemusí vadit. Z homemade driverů by vyhovělo něco s LMD18245, ten dá 3A, v sekci prodej zrovna někdo něco takového má. Pokud ale chcete využít ten motor na maximum, tak nezbude, než sehnat něco, co dá aspoň 5A.
b_and_y
Příspěvky: 55
Registrován: 2. 11. 2008, 5:55
Bydliště: Nesvady
Kontaktovat uživatele:

11. 3. 2009, 10:00

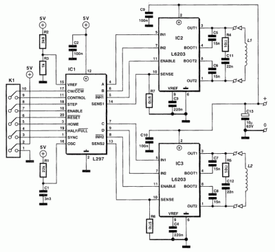
Nasiel som zapojenie na nete s L297 a L6203.
Je to do 42V a 4 A.

Aky mate na to nazor? Mohlo by to ist? dakujem.
Popripade ak by ste mali nejaky lepsi napad prijmem.
Diky
Přílohy
totalekaart-klein.jpg
pcb-gravure.jpg
Suciastky.txt
(466 bajtů) Staženo 498 x
Schema
Schema
Plosak
Plosak
gnat
Příspěvky: 985
Registrován: 24. 2. 2009, 9:14
Bydliště: doma
Kontaktovat uživatele:

12. 3. 2009, 8:54

Tohle je v podstatě katalogové zapojení, takže driver jako takový pracovat bude. Měl jsem tohle poskládané na univerzálce a fungovalo to hned na první zapojení. Ale na ty tvoje motory se mi to zdá poddimenzované. asi bych šáhnul po nějakém, zapojení s koncovým stupněm s diskrétními tranzistory. Ono to sice umí dát 4A, ale pak se to musí dobře chladit. Také bych se trochu bál těch udávaných 42 V. Typické napájení podle katalogu je 36 V a absolutní maximum mezi výstupy je 60 V (při odpínání vznikají na indukční zátěži špičky velikosti až dvojnásobku napájecího napětí). Další nevýhodou tohoto zapojení je, že neumí jemné krokování, jen půlkroky. Také bych asi moc nevěřil integrovaným ochranným diodám a doplnil externí.
Naposledy upravil(a) gnat dne 12. 3. 2009, 9:22, celkem upraveno 1 x.
martyxxx
Příspěvky: 191
Registrován: 16. 10. 2008, 9:19
Bydliště: Praha

12. 3. 2009, 9:20

Naprostý souhlas. R6 a R7 musí být bezindukční rezistory.
b_and_y
Příspěvky: 55
Registrován: 2. 11. 2008, 5:55
Bydliště: Nesvady
Kontaktovat uživatele:

12. 3. 2009, 9:30

Mozete mi poradit ze ako, kam napojit vyvody K1 k PC? dakujem
gnat
Příspěvky: 985
Registrován: 24. 2. 2009, 9:14
Bydliště: doma
Kontaktovat uživatele:

12. 3. 2009, 9:40

Třeba takhle: http://cncshop.cz/cncIOboard.htm. Jde to i napřímo do paralelního portu. Víc najdeš v dokumentaci řídícího software. Hledej MACH3 nebo EMC2.
Odpovědět

Zpět na „Krokové motory“