FM Omron CIMR-F7 - nejde ovládanie cez vstupy

Odpovědět
r4cv
Příspěvky: 2925
Registrován: 8. 12. 2009, 8:32
Bydliště: Topoľčany

7. 10. 2017, 1:27

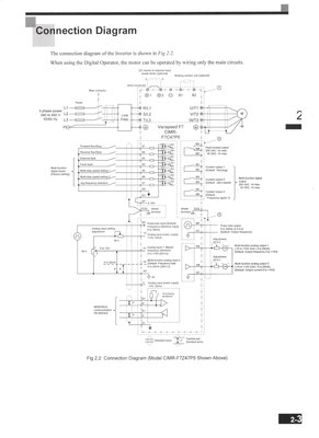
Mám frekvenčný menič, Omron CIMR-F7.
výkon meniču 18kW, motor 4-pólový 4kW.
Nastavené parametre sú správne a menič slúži na zníženie otáčok pri nastavovaní a soft štart motora pri normálnom behu motora.
ovládanie je vyvedené na tlačidlo cez vstup S1 z SN.

Toto zapojenie mi fungovalo a včera zrazu prestalo ísť. nefunguje ani na priamy prepoj krátkym káblikom. Je možné nejako overiť funkčnosť zdroja napájania tých vstupov a samotných vstupov?
omron.jpg
Mex
Příspěvky: 10287
Registrován: 6. 2. 2014, 10:29

7. 10. 2017, 2:09

Nevypadl setup toho měniče?
Už se mi stalo, že měnič zapomněl své nastavení. Ten tvůj má panel, tak můžeš snadno ověřit, jestli je nastaveni OK.
Nebo jestli ti neupadl káblík mezi svorkami SP a SC.
Není nic jednoduššího, než připojit měřák mezi svorku SN a S1, a při rozepnutém spínači tam musí být nějakých 22-24V, při sepnutém pak 0-1V.
r4cv
Příspěvky: 2925
Registrován: 8. 12. 2009, 8:32
Bydliště: Topoľčany

7. 10. 2017, 2:14

Setup je OK - kontrolované asi 100krát.
Kábliky ku spínaču OK, prezvonené asi 10krát.
funkcia vstupu preverovaná nakrátko cez káblik - bez úspechu
napätie som nemeral - preverím. medzi svorkou S1-SN? alebo SC-SN?
Mex
Příspěvky: 10287
Registrován: 6. 2. 2014, 10:29

7. 10. 2017, 2:20

Měření mezi S1 a SN v sobě automaticky zahrnuje i meření mezi SC a SN.
Takže pokud to na S1 bude OK, už SC měřit nemusíš.
Pokud to na S1 nebude, tak postupuj na SC, kdyby nebylo tam, tak pak na SP.
Pepa Žhář
Příspěvky: 432
Registrován: 23. 1. 2011, 5:16

7. 10. 2017, 5:20

Ahoj, v parametru U 1-10 lze tyto vstupy zkontrolovat jestli jsou funkční , pri spínaní by se měla jednička změnit na nulu či obráceně...
Mám také tento FM , ale jen 1,5kW a řekl bych že je to držák na to že ho používám u svařovacího automatu...
Přílohy
fm u 1-10.PNG
r4cv
Příspěvky: 2925
Registrován: 8. 12. 2009, 8:32
Bydliště: Topoľčany

7. 10. 2017, 5:59

Super. preverím to až v pondelok, keď sa dostanem do dielne.
r4cv
Příspěvky: 2925
Registrován: 8. 12. 2009, 8:32
Bydliště: Topoľčany

8. 10. 2017, 9:24

Zatiaľ som to ešte nemeral. ALe čisto teoreticky, ak som odpálil napájací zdroj ale vstupný optočlen je ok, tak by som to mohol napájať externe? AK som odpálil optočlen, je tu niekto, kto by ho vedel vymeniť?

Je to zatiaľ len úvaha, ale menič fungoval do momentu, kým som nepripojil napájanie na cievky rozvádzaču. Provizórne som použil zdroj z NB. Bol som v tom, že je to galvanicky oddelené (tlačítka pre menič a pre rozvádzač), tj samostatné vodiče, ale čo ak to spolu súvisí?
atlan
Příspěvky: 3382
Registrován: 7. 2. 2011, 9:12

8. 10. 2017, 11:24

Obavam sa ze odisla cela vstupna cast ktora obsahyje digitalne a analogove vstupy. ved uvidis co dalej.
r4cv
Příspěvky: 2925
Registrován: 8. 12. 2009, 8:32
Bydliště: Topoľčany

9. 10. 2017, 9:33

Mám výsledok:
zdroj 24V je OK.
kontrola funkčnosti vstupov cez parameter U na displeji je OK
Chyba bola v prepojke SC-SP. Plechová potvora držala na jednom šróbiku a na druhú stranu chytila kontakt len podľa nálady.

Teraz to už beží.
Mex
Příspěvky: 10287
Registrován: 6. 2. 2014, 10:29

9. 10. 2017, 9:56

Mex píše:Nebo jestli ti neupadl káblík mezi svorkami SP a SC.
Není zač.
r4cv
Příspěvky: 2925
Registrován: 8. 12. 2009, 8:32
Bydliště: Topoľčany

9. 10. 2017, 1:42

Mex píše:
Mex píše:Nebo jestli ti neupadl káblík mezi svorkami SP a SC.
Není zač.
Samozrejme ďakujem veľmi pekne. Ani som si neuvedomil, že si mi to predpovedal. :)
Aj keď potvora neodpadol, len stratil kontakt.
Odpovědět

Zpět na „Ostatní elektronika“