Upnutí indikátoru - vyrobeno

Požadavky na výrobu dílů - poptávkové fórum
Pravidla fóra
Toto forum vyzaduje schvaleni prispevku moderatorem.
Odpovědět
tpavlicek
Příspěvky: 23
Registrován: 15. 3. 2018, 1:50

15. 3. 2018, 4:18

Ahoj,

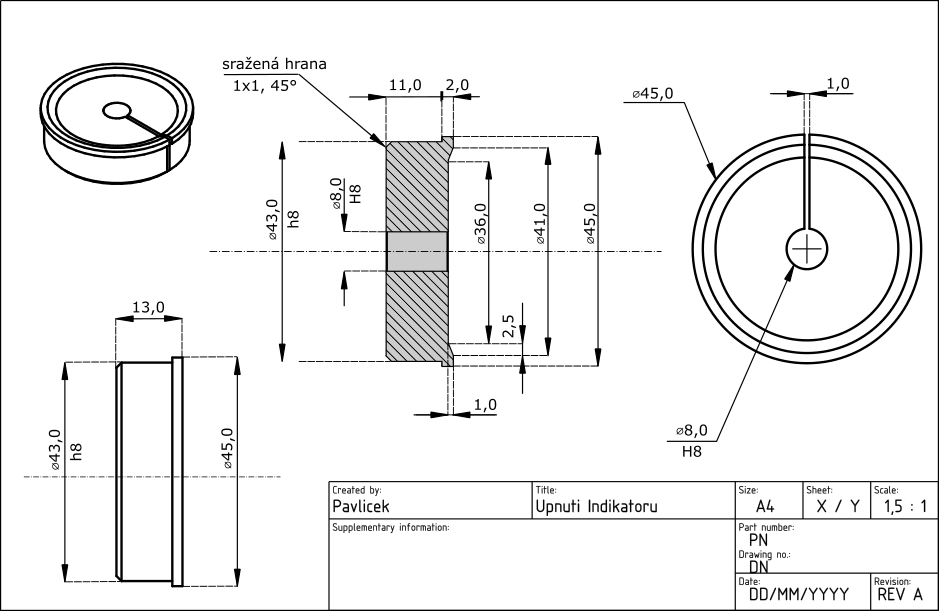
našel by se někdo z Prahy (nejlépe Praha 7 a okolí), kdo by mi z oceli vysoustružil přípravek pro upnutí indikátoru do 43mm stojanu? Přikládám výkres a můžu dodat i STEP soubor pro lepší představu. Ze středu až ke kraji je 1mm silný řez, aby přitažení šroubu stojanu indikátor v držáku sevřelo. Co se týče přesnosti, ideální by bylo, kdyby tolerance 43mm dříku byla aspoň h8, 8mm otvoru H8 a odchylka polohy jeho středu pod desetinu milimetru. Samosebou to nechci zadarmo, ale určitě se nějak domluvíme :-)

Díky,

TP
Upnuti_Indikatoru.png
Naposledy upravil(a) tpavlicek dne 29. 3. 2018, 9:30, celkem upraveno 1 x.
Uživatelský avatar
Dratenik
Příspěvky: 417
Registrován: 29. 10. 2013, 8:18
Bydliště: SM
Kontaktovat uživatele:

18. 3. 2018, 1:08

SZ
CNC: frézování 4-osy, Heidenhain iTNC530, soustruhy Heidenhain 4110, Fanuc Oi TC, 3x drátové řezačky, až Z+400, (+9let praxe)
CAD/CAM: SolidWorks 2015, HSMWorks 2016, MasterCam X5, X6, Kovoprog
tpavlicek
Příspěvky: 23
Registrován: 15. 3. 2018, 1:50

29. 3. 2018, 9:33

Hotovo - rád bych poděkoval Dráteníkovi za rychlou a přesnou výrobu k mé maximální spokojenosti.


TP
Odpovědět

Zpět na „Potřebuji vyrobit - vypomoc pri vyrobe“