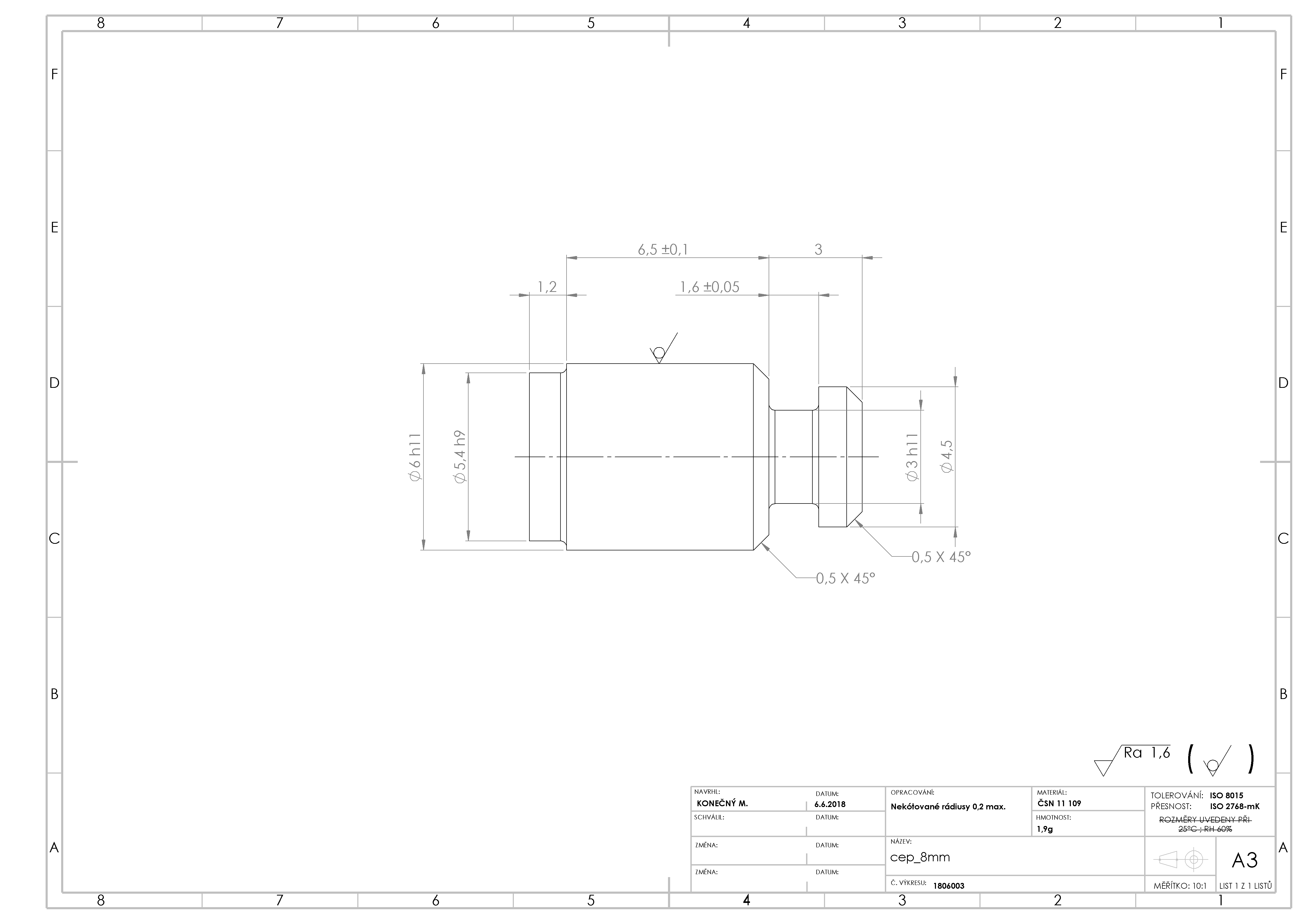
Soustružení čepu (zadáno)

Požadavky na výrobu dílů - poptávkové fórum
Pravidla fóra
Toto forum vyzaduje schvaleni prispevku moderatorem.
Odpovědět
0xDECAFF
Příspěvky: 178
Registrován: 19. 1. 2016, 11:42

6. 6. 2018, 6:55

Zdravím.

Potřeboval bych 15ks čepu dle přiloženého výkresu, bez povrchovky, jsou na to 3 týdny.

Má někdo zájem?
Přílohy
1806003_cep_8mm.PNG
Naposledy upravil(a) 0xDECAFF dne 7. 6. 2018, 11:34, celkem upraveno 1 x.
pluton19
Příspěvky: 22
Registrován: 6. 10. 2009, 1:40

6. 6. 2018, 8:03

SZ
0xDECAFF
Příspěvky: 178
Registrován: 19. 1. 2016, 11:42

7. 6. 2018, 8:12

Zadáno.
Odpovědět

Zpět na „Potřebuji vyrobit - vypomoc pri vyrobe“