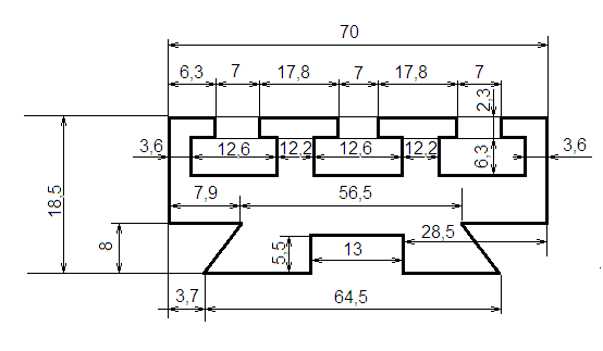
Vyfrézování profilu dle obrázku
Pravidla fóra
Toto forum vyzaduje schvaleni prispevku moderatorem.
Toto forum vyzaduje schvaleni prispevku moderatorem.
- Zdenek Valter
- Příspěvky: 5460
- Registrován: 9. 1. 2009, 5:16
- Bydliště: Ústí n. L.
Mohu poprosit o případnou cenovou nabídku vyfrézování tohoto profilu v délce 2x 450 mm ?
- Přílohy
-
- Rybina_proxxon.PNG (11.39 KiB) Zobrazeno 4607 x
- Zdenek Valter
- Příspěvky: 5460
- Registrován: 9. 1. 2009, 5:16
- Bydliště: Ústí n. L.
To je možná pravda. Zkusím lépe oměřit.Mambo píše:Teda nic nenabizim, ale jsou ty rozmery tech rybin spravne ? Kdyz sem spocital uhel tak je to 62,3°, nedelaji se spis rozmerem 60° ?
Původní rybina je tažený hliníkový profil.
Dík za upozornění !!
Jelikož se zjevně jedná o profil X-stolu k frézce Proxxon MF70, jsem taky zvědavý na výsledek. 
Co se týká přesnosti uložení rybin, je tam z jedné strany vložený mosazný pásek přitlačovaný třemi červíky.
Radek
Co se týká přesnosti uložení rybin, je tam z jedné strany vložený mosazný pásek přitlačovaný třemi červíky.
Radek
soustruh Bernardo 500, frézka Proxxon
(CNC Tron, CNC Proxxon MF70)
(CNC Tron, CNC Proxxon MF70)
- Zdenek Valter
- Příspěvky: 5460
- Registrován: 9. 1. 2009, 5:16
- Bydliště: Ústí n. L.
Tak jsem si myslel, že hroty na soustruh jsou se špicí 60 stupňů.
Ale asi nejsou - úhel bude větší - základna kužele je o málo širší než jeho výška.
Když hrot dám do rybiny tak na krajích prosvítá !
Úhel rybiny je tedy ještě větší než má ten hrot.
Ale asi nejsou - úhel bude větší - základna kužele je o málo širší než jeho výška.
Když hrot dám do rybiny tak na krajích prosvítá !
Úhel rybiny je tedy ještě větší než má ten hrot.
No nejlepsi by to bylo zmerit uhlomerem
a nebo si nakreslete v cadu ruzne uhly a polozte ten stul na to. Podle me to bude nejaky celociselny uhlel, preci je zbytecnost tam mit neco extra ( i kdyz konstrukteri jsou ruzny
).
- Zdenek Valter
- Příspěvky: 5460
- Registrován: 9. 1. 2009, 5:16
- Bydliště: Ústí n. L.
Myslíš to takhle ? :Josef píše:Změř to přes válečky, dvakrát pro různé průměry dvojic, které se ti do té rybiny vlezou a dopočítej úhel.
- Přílohy
-
- mereni_uhlu01.PNG (11.36 KiB) Zobrazeno 4499 x
- Zdenek Valter
- Příspěvky: 5460
- Registrován: 9. 1. 2009, 5:16
- Bydliště: Ústí n. L.
Obrázek jsem upravil a přikládám i výpočet v excelu.
Třeba se to někomu šikne
Vyšlo mi to na těch 60,58 stupňů. Je otázka zda je to dobře
Třeba se to někomu šikne
Vyšlo mi to na těch 60,58 stupňů. Je otázka zda je to dobře
- Přílohy
-
- Vypocet_uhlu_rybiny.xls
- (18.5 KiB) Staženo 394 x
-
prochaska
- Sponzor fora
- Příspěvky: 8450
- Registrován: 16. 7. 2006, 12:33
- Bydliště: Praha Bohnice + Roudnice nad Labem
- Kontaktovat uživatele:
Změř to víckrát, s více než dvěma různými válečky, čímž budeš moci odhadnout chybu meření (když se to dvěma metodami bude lišit o půl úhlové minuty je to něco jiného než když se to bude lišit o půl stupně
)
Aleš Procháska
- Zdenek Valter
- Příspěvky: 5460
- Registrován: 9. 1. 2009, 5:16
- Bydliště: Ústí n. L.
O.K.prochaska píše:Změř to víckrát, s více než dvěma různými válečky, čímž budeš moci odhadnout chybu meření (když se to dvěma metodami bude lišit o půl úhlové minuty je to něco jiného než když se to bude lišit o půl stupně)
Je teda ten postup a výpočet dobře ?
- Zdenek Valter
- Příspěvky: 5460
- Registrován: 9. 1. 2009, 5:16
- Bydliště: Ústí n. L.
Ty bláho - výpočty skáčí od 60,5 stupně k 64,1 !!!!!!!!!!!!!prochaska píše:Změř to víckrát, s více než dvěma různými válečky, čímž budeš moci odhadnout chybu meření (když se to dvěma metodami bude lišit o půl úhlové minuty je to něco jiného než když se to bude lišit o půl stupně)
To je dost
Si to dělám blbě
- Zdenek Valter
- Příspěvky: 5460
- Registrován: 9. 1. 2009, 5:16
- Bydliště: Ústí n. L.
Jo jen posuvkouMambo píše:a jak meris ? posuvkou ? mas ty valecky presne ?
- Zdenek Valter
- Příspěvky: 5460
- Registrován: 9. 1. 2009, 5:16
- Bydliště: Ústí n. L.
Válce jsou stopky od vrtáků a fréz.