Hřídel soustruh, bruska 1 kus, spěchá dobře placeno! - HOTOVO

Požadavky na výrobu dílů - poptávkové fórum
Pravidla fóra
Toto forum vyzaduje schvaleni prispevku moderatorem.
Odpovědět
Uživatelský avatar
Wurm7
Příspěvky: 186
Registrován: 7. 7. 2018, 1:24
Bydliště: Čelákovice
Kontaktovat uživatele:

9. 1. 2019, 2:09

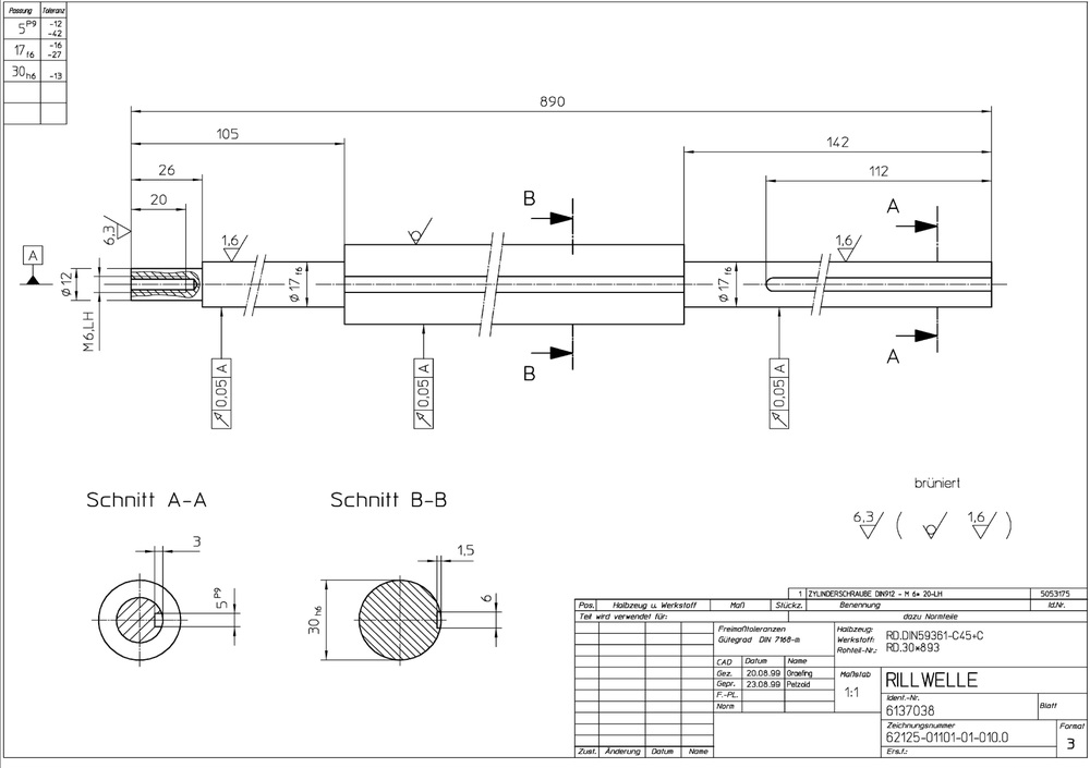
Zdravím všechny,
měl bych zde jednu specialitku pro fachmany. Hřídel dle přiloženého výkresu, jeden kus (případně dle ceny druhý záložní). Stěžejní je požadavek na dodržení max. obvodové házivosti 0,05 mm (a pochopitelně všech dalších kalibrovaných průměrů a rozměrů :) ale házivost je důležitá.

Předem díky moc za cenovou nabídku a spěchá!
Mejlujte, pište, volejte: petr.trafina@gmail.com nebo 778 481 881

Petr.
Přílohy
rillwelle6137038.jpg
Nebojím se dělat rukama a používat hlavu.
Uživatelský avatar
Wurm7
Příspěvky: 186
Registrován: 7. 7. 2018, 1:24
Bydliště: Čelákovice
Kontaktovat uživatele:

11. 1. 2019, 2:14

Díky za nabídku a expresní dodání. Díl zhotoven a dnes dodán, nabídka již není aktuální.
Nebojím se dělat rukama a používat hlavu.
Odpovědět

Zpět na „Potřebuji vyrobit - vypomoc pri vyrobe“