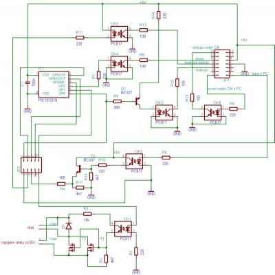
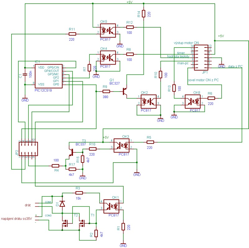
Deska rizeni teploty dratu
Cauves.
Stavel nekdo z vas desku rizeni teploty dratu podle Alana Maczaka?
Uz mam doma dps ...ted jen cekam na soucastky.
Nejake zajimave poznatky atd?
V GESu nemeli ten PIC 12C519 ..tak jsem vzal 12C508A - pujde to snim nebo mam shanet presne ten typ 12C519?
odkaz.: http://maczaka.webz.cz/deskarez.htm
Stavel nekdo z vas desku rizeni teploty dratu podle Alana Maczaka?
Uz mam doma dps ...ted jen cekam na soucastky.
Nejake zajimave poznatky atd?
V GESu nemeli ten PIC 12C519 ..tak jsem vzal 12C508A - pujde to snim nebo mam shanet presne ten typ 12C519?
odkaz.: http://maczaka.webz.cz/deskarez.htm
-
siliconbrain
- Příspěvky: 93
- Registrován: 21. 7. 2006, 1:53
- Bydliště: Praha 4
- Kontaktovat uživatele:
Jen jsem hodil oko na původní pramen a tam píšou, že je třeba PIC s interní EPROM, takže 12C508 asi nepůjde použít. Jak mi napovídá kolega, 12C519 (nebo 12C518) jsou výběhové typy, které se už budou těžko shánět.
Nezapomeňte taky, že procesory 12C... jsou jen jednou programovatelné, takže jakákoli chyba v průběhu programování znamená nový procesor.
--
jrt
Nezapomeňte taky, že procesory 12C... jsou jen jednou programovatelné, takže jakákoli chyba v průběhu programování znamená nový procesor.
--
jrt
Z tohto pohľadu je výhodnejšie použiť typy 12F508 a 12F509 programovateľné do aleluja . 
Nemáš CNC - nič neznamenáš.
30.01.10 pokusne spustené CNC. Neviem, ako som mohol doteraz bez neho žiť. ><((((º>
http://www.fishpol.sk
30.01.10 pokusne spustené CNC. Neviem, ako som mohol doteraz bez neho žiť. ><((((º>
http://www.fishpol.sk
Tady na GME nejaky maj, ale maj jich tam vic..tak nevim kterej presne.
http://www.gme.cz/cz/index.php?page=ele ... d=09185275
http://www.gme.cz/cz/index.php?page=ele ... d=09185275
Zober 12F509-I/P http://www.gme.cz/cz/index.php?product=434-248 a máš pokoj. Tieto idú programovať neomedzene . 
Nemáš CNC - nič neznamenáš.
30.01.10 pokusne spustené CNC. Neviem, ako som mohol doteraz bez neho žiť. ><((((º>
http://www.fishpol.sk
30.01.10 pokusne spustené CNC. Neviem, ako som mohol doteraz bez neho žiť. ><((((º>
http://www.fishpol.sk
No takto . Pokiaľ ide nahradiť 12C519 s 12C508 - 9 , tak určite pôjde nahradiť s 12F509 . Datasheet od 12C519 na nete neviem nájsť , takže neviem porovnať . Ak máš schému od toho zariadenia tak mi pošli , z pôvodného zdroja sa nedá stiahnuť . Musíš len dúfať , že nahradiť to bude možné .Owner píše:Ok. uz objednavam... diky
Nemáš CNC - nič neznamenáš.
30.01.10 pokusne spustené CNC. Neviem, ako som mohol doteraz bez neho žiť. ><((((º>
http://www.fishpol.sk
30.01.10 pokusne spustené CNC. Neviem, ako som mohol doteraz bez neho žiť. ><((((º>
http://www.fishpol.sk
Objednaj aj PIC12CE519-04/SM , je to síce SMD prevedenie , ale ten by mal určite fungovať . Budeš ale musieť urobiť naň redukciu z SMD na DIL . Dil-kové majú len na objednávku a min 540 kusov .
Niečo už hádam len z nich pôjde , ostatné budeš mať do zásoby . Nie sú až také drahé .
Ináč tu je viac info : http://maczaka.webz.cz/cnc_rezacka.htm
Nemáš CNC - nič neznamenáš.
30.01.10 pokusne spustené CNC. Neviem, ako som mohol doteraz bez neho žiť. ><((((º>
http://www.fishpol.sk
30.01.10 pokusne spustené CNC. Neviem, ako som mohol doteraz bez neho žiť. ><((((º>
http://www.fishpol.sk
Je aj druhá možnosť . Objednaj 540 ks PIC12CE519-04/P a začni s veľkovýrobou . 

Nemáš CNC - nič neznamenáš.
30.01.10 pokusne spustené CNC. Neviem, ako som mohol doteraz bez neho žiť. ><((((º>
http://www.fishpol.sk
30.01.10 pokusne spustené CNC. Neviem, ako som mohol doteraz bez neho žiť. ><((((º>
http://www.fishpol.sk
A nebo si to objednej zde:
http://www.tme.eu/cz/katalog/index.phtm ... _szukaj%3D+
mají 4ks skladem a mohou být tvoje
http://www.tme.eu/cz/katalog/index.phtm ... _szukaj%3D+
mají 4ks skladem a mohou být tvoje
wolf