Hluboké zápichy

Odpovědět
Nemoo
Příspěvky: 138
Registrován: 22. 2. 2014, 8:27

3. 5. 2019, 8:02

Zdravím,

čím dál víc děláme armatury a s tím nám roste potřeba zapichování.
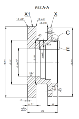
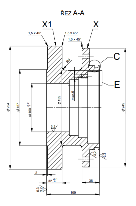
Například tento
zápich.PNG
Používáme planžety 6tky od Prametu a moc spokojený nejsem. Co používáte na takové zápichy? Momentálně budeme dělat i hlubší a potřeboval bych to nějak zefektivnit.

Díky za každou radu.
Doosan Puma 2100L, Puma 3100L, Lynx 2100LMSA, DNM 500II, MCV 750, SPT 16 NC
Mila
Příspěvky: 44
Registrován: 31. 10. 2010, 9:36

4. 5. 2019, 1:28

Pokud mas CNC soustruh ,tak zkus třeba tento system obrábění https://www.youtube.com/watch?v=6Sr6CvcsK0U

tento držák zvláda i 64 mm hloubku https://www.secotools.com/article/p_02676893?pf=true

Takhle hluboké zápichy jsem nedělal,ale system MDT mam osvědčený,používám ho i na upichování,upichovací planžety jsem zavrhnul už dávno.
Odpovědět

Zpět na „pro soustruh“