Hlinikovy profil
Prosim vas nema niekto nahodou profil od Bosch Rexroth rozmer 60x60 (kategoria 30mm) nakresleny v solidworkse, alebo v nejakom subore ktory by som mohol do solidu importovat? pozeral som online kniznicu profilov na http://www.3dcontentcentral.com ale akurat tento profil tam nie je. Vopred dakujem
Kazdy raz nejako musel zacat ...
http://robotika.yweb.sk
http://ap.urpi.fei.stuba.sk/sensorwiki/index.php/Kráčajúci_mobilný_robot
http://robotika.yweb.sk
http://ap.urpi.fei.stuba.sk/sensorwiki/index.php/Kráčajúci_mobilný_robot
skus to stahnout tady http://www.aluteckk.cz/katalog/info.php?id=106060
jeto vlastne neni bosch, ale strašne podobny.
jeto vlastne neni bosch, ale strašne podobny.
Všetky výrobky BoschRexroth :
http://www13.boschrexroth-us.com/framin ... fault.aspx
Profily :
http://www13.boschrexroth-us.com/partst ... menu=1,1,0
Hľadaný profil :
http://www13.boschrexroth-us.com/partst ... enu=1,1,13

http://www13.boschrexroth-us.com/framin ... fault.aspx
Profily :
http://www13.boschrexroth-us.com/partst ... menu=1,1,0
Hľadaný profil :
http://www13.boschrexroth-us.com/partst ... enu=1,1,13
Nemáš CNC - nič neznamenáš.
30.01.10 pokusne spustené CNC. Neviem, ako som mohol doteraz bez neho žiť. ><((((º>
http://www.fishpol.sk
30.01.10 pokusne spustené CNC. Neviem, ako som mohol doteraz bez neho žiť. ><((((º>
http://www.fishpol.sk
dakujem za ochotu . ja som zo stranky boschu stahoval, ale akurat presne ten nemaju spracovany
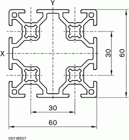
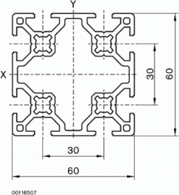
ide o to ze potrebujem profil s rozmerom 60x60 a 2 inch je cca 50,8 trosku som zmenil konstrukciu a pouzil profil 30x60x60. uvidim aku dopadnu simulacie konstrukcie.
Kazdy raz nejako musel zacat ...
http://robotika.yweb.sk
http://ap.urpi.fei.stuba.sk/sensorwiki/index.php/Kráčajúci_mobilný_robot
http://robotika.yweb.sk
http://ap.urpi.fei.stuba.sk/sensorwiki/index.php/Kráčajúci_mobilný_robot
Aha , nevšimol som si , že som našiel inchový profil . Ale po zväčšení na 60x60 by to mohlo pasovať ? 
Nemáš CNC - nič neznamenáš.
30.01.10 pokusne spustené CNC. Neviem, ako som mohol doteraz bez neho žiť. ><((((º>
http://www.fishpol.sk
30.01.10 pokusne spustené CNC. Neviem, ako som mohol doteraz bez neho žiť. ><((((º>
http://www.fishpol.sk
- sysel
- Příspěvky: 655
- Registrován: 12. 6. 2007, 9:24
- Bydliště: Šenov u Ostravy
- Kontaktovat uživatele:
Zrovna jsem něco hledal na Boschi a vzpomněl jsem si že jste nedošli ke zdárnému konci, tak sice pozdě, ale přece to sem dávám... Třeba ještě pomůže..
Nakonec se mi podařilo nahrát až ZIP, je v tom STP a nějaký X_T údajně pro Solidworks
Nakonec se mi podařilo nahrát až ZIP, je v tom STP a nějaký X_T údajně pro Solidworks
- Přílohy
-
- STRUT_PROFILE_60X60_8N.zip
- (191.16 KiB) Staženo 291 x
dakujem pekne
Kazdy raz nejako musel zacat ...
http://robotika.yweb.sk
http://ap.urpi.fei.stuba.sk/sensorwiki/index.php/Kráčajúci_mobilný_robot
http://robotika.yweb.sk
http://ap.urpi.fei.stuba.sk/sensorwiki/index.php/Kráčajúci_mobilný_robot