polotovar (příruba pro sklíčidlo 80mm na vřeteno W20) (OBJEDNÁNO)

Požadavky na výrobu dílů - poptávkové fórum
Pravidla fóra
Toto forum vyzaduje schvaleni prispevku moderatorem.
Uživatelský avatar
Thomeeque
Příspěvky: 9521
Registrován: 30. 1. 2012, 10:20
Bydliště: Mimo ČR

1. 3. 2020, 10:22

polotovar-priruba-80.png

Ahoj,

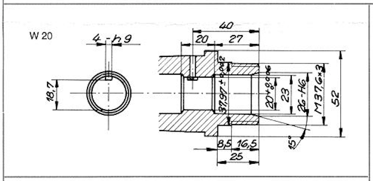
zvládl by někdo z Prahy či blízkého okolí takovýto polotovar? Je to jen válec s vnějším průměrem minimálně 82mm, výškou minimálně 30mm a vnitřním závitem M37.6x3, což je asi jediné trochu podraz (druhý je, že to potřebuji rychle, cca do úterý :roll:). Bude se to nasazovat na toto:

W20.png

Materiál nějaká ocel, co bude po ruce a plus mínus vhodná.

Díky, T.

EDIT: Možná jsem se trochu unáhlil, asi by bylo vhodné udělat tam i těch 8.5mm Ø38 a čelo pro Ø52, ještě to příp. zítra doplním..
Naposledy upravil(a) Thomeeque dne 2. 3. 2020, 10:50, celkem upraveno 1 x.
mimooborová naplavenina • kolowratský zázrak™ • NPS • GCU • HirthCalc • ncDP.ino
Milan199
Příspěvky: 3567
Registrován: 18. 8. 2010, 9:04

1. 3. 2020, 10:43

Ta příruba hlavně musí "sedět" na tom průměru 37,97 a na přilehlé čelní ploše. Pokud tu hřídel nemůžeš poskytnout jako kalibr // a to asi ne protože je to patrně vřeteno čehosi // tak to nikdo soudný nebude zkoušet.

Kdysi jsem podobné příruby dělal z tvárné litiny na Schaublina 102. Byl tam taky nějaký takovýhle zvěrský závit. Ten závit musí "běžet" s tou centráží a tím osazením. Bez kalibru nebo té hřídele asi těžko, někdo ...
Uživatelský avatar
Thomeeque
Příspěvky: 9521
Registrován: 30. 1. 2012, 10:20
Bydliště: Mimo ČR

1. 3. 2020, 10:52

No jo, také mi to po chvíli došlo, viz červený edit dole. Je to na dvojče Schaublina 102 :) Závit jako takový ale zase až tak extrémně náročný na přesnost není, opravdu se nedá vyrobit bez protikusu? Chápu, že je to s protikusem lepší, ale.. Můžem se případně dohodnout na nějaké "nižší třídě přesnosti". No nic, ráno moudřejší večera.

Díky, brou, T.
mimooborová naplavenina • kolowratský zázrak™ • NPS • GCU • HirthCalc • ncDP.ino
zverodoktor
Příspěvky: 3667
Registrován: 3. 6. 2007, 9:49
Bydliště: Bratislava

1. 3. 2020, 11:25

Dá sa to ak už máš jednu prírubu tak, že sa vyrobí podľa nej "kaliber" a tým sa vyrobený závit skúša. Možno by to šlo s mikrometrom na závity. Taký mikrometer ale zrejme nemá v šuplíku každý..
SU32, MN80, FN25, ISEL4433, Jakobsen SJ25, N1, VS16, Anycubic Kossel
Uživatelský avatar
tumlik
Sponzor fora
Příspěvky: 3821
Registrován: 19. 12. 2007, 8:20
Bydliště: já su z Moravskej :-)
Kontaktovat uživatele:

1. 3. 2020, 11:36

já těch přírub W20/ fí 81 mám teď asi 6ks, přesně podle výkresu, mám i 101mm, dělám je poměrně často, stejně tak W12, jsou bez předního osazení, takže tam jde dát jakékoli sklíčidlo :wink:
http://www.tumlikovo.cz/
Popularizační web nástrojařství a kovoobrábění
testone
Sponzor fora
Příspěvky: 7536
Registrován: 3. 12. 2010, 5:56
Bydliště: Slaný

2. 3. 2020, 3:50

kup to od Tumlíka
.....
jinak pokud by se to vyrábělo, je nutný to udělat z litiny
ocelový by se to na ocelovým vřetenu mělo snahu zadírat
důležitý je pr. 37,97 a přilehlá čelní plocha
samozřejmě tyhle dvě plochy + závit je nutno udělat na jedno upnutí
mezi tím pr. 37,97 na vřeteni a přírubou je určitě předepsaná nějaká vůle
nebude velká vzhledem k toleranci +-0,002 předepsané pro vřeteno
kdybych to točil já na Masturnu, trefil bych se se zpoceným čelem řekněme do 37,98-0+0,005 a to možná ne na první pokus
v těchhle tolerancích už taky hraje zásadní roli přesnost mikrometru, kterým se to měří
takže ideálně mít k dispozici buď kalibrační kroužek nebo vzorový kus
nebo se smířit s větší vůlí, aby byla zaručena smontovatelnost
zase - trefovat se do téhle tolerance je podstatně snažší na litině než na oceli
závit
za závitem v přírubě musí být zápich
buď je potřeba mít kalibr nebo vřeteno na vyzkoušení že to půjde smontovat
ideálně kalibr se zmetkovou stranou aby to nebylo moc čochty čvachty
nebo si to vřeteno oměřit a udělat si zkušební trn
v tom závitu bude určitě vůle výrazně větší, určitě by nevadilo ani třeba něco kolem 0,5mm i více
aby to bylo úplně košer, je třeba mít destičku pro stoupání 3mm (vůli příslušnému radiusu na vrcholu), vybrousit si kudlu se špičkou s radiusem XX podle normy nedokážu
pokud bych měl k dispozici destičku pro 3mm závit, šlo by i najít někde v normách a spočítat vnitřní pr. toho závitu + nějaká vůle a od toho udělat příslušně hluboký závit, ale bez možnosti vyzkoušení bych se hodně bál
....
pokud tam bude vůle 0,1mm na tom průměru 37,97 a 1mm v závitu, tak s prstem v nose a jen se šuplérou a bez kalibru na závit, ale bude to k hov..
......
kdybys neuspěl jinak, udělám ti to, ale do úterka to nebude, nemám litinu a koupit ji v Chrustenicích je tak na dva tři dny
první kus není práce na půl hodiny
Obvykle se dějí věci obvyklé. Méně často se dějí věci neobvyklé a zcela vyjímečně se dějí věci vyjímečné...
Masturn 40 CNC, Hermle UWF1200H CNC a pár klasik
http://www.radialengine.cz" onclick="window.open(this.href);return false;
http://www.autopejsek.cz" onclick="window.open(this.href);return false;
Uživatelský avatar
tumlik
Sponzor fora
Příspěvky: 3821
Registrován: 19. 12. 2007, 8:20
Bydliště: já su z Moravskej :-)
Kontaktovat uživatele:

2. 3. 2020, 9:16

děláte z toho zbytečnou vědu, mám tady 4 vřeteníky W20, všechny mají průměr válcové části 37,95mm oproti výkresu o dvě stovky menší, měřeno kalibrovaným mikráčem při 20 st.pro šťouraly.............. a teď babo raď :D

.......... schaubliňáckém katalogu je ta tolerance +- 0,005
http://www.tumlikovo.cz/
Popularizační web nástrojařství a kovoobrábění
Uživatelský avatar
Thomeeque
Příspěvky: 9521
Registrován: 30. 1. 2012, 10:20
Bydliště: Mimo ČR

2. 3. 2020, 10:15

Díky moc všem za zajímavé vstupy, zase jsem o něco moudřejší :)

Dopřeji si tedy tumlíkovo :)

Ať se daří, T.
mimooborová naplavenina • kolowratský zázrak™ • NPS • GCU • HirthCalc • ncDP.ino
zverodoktor
Příspěvky: 3667
Registrován: 3. 6. 2007, 9:49
Bydliště: Bratislava

2. 3. 2020, 10:32

tumlik píše: 2. 3. 2020, 9:16 děláte z toho zbytečnou vědu, mám tady 4 vřeteníky W20, všechny mají průměr válcové části 37,95mm oproti výkresu o dvě stovky menší, měřeno kalibrovaným mikráčem při 20 st.pro šťouraly.............. a teď babo raď :D

.......... schaubliňáckém katalogu je ta tolerance +- 0,005
Taká legenda a netrafia sa do výkresu :lol: ... (to je samozrejme ako vtip ak by sa to niekoho dotklo :wink: )
SU32, MN80, FN25, ISEL4433, Jakobsen SJ25, N1, VS16, Anycubic Kossel
testone
Sponzor fora
Příspěvky: 7536
Registrován: 3. 12. 2010, 5:56
Bydliště: Slaný

2. 3. 2020, 11:28

tumlik píše: 2. 3. 2020, 9:16 děláte z toho zbytečnou vědu, mám tady 4 vřeteníky W20, všechny mají průměr válcové části 37,95mm oproti výkresu o dvě stovky menší, měřeno kalibrovaným mikráčem při 20 st.pro šťouraly.............. a teď babo raď :D

.......... schaubliňáckém katalogu je ta tolerance +- 0,005
to je přesně ono :D
já tady ten vřeteník nemám ani jeden abych to mohl zkusit
kdybych měl dělat jeden dva kusy tak bych z toho vědu taky nedělal
v noci mě vzbudil pes a nechtělo se mi spát, tak jsem si napsal slohové cvičení :D
Obvykle se dějí věci obvyklé. Méně často se dějí věci neobvyklé a zcela vyjímečně se dějí věci vyjímečné...
Masturn 40 CNC, Hermle UWF1200H CNC a pár klasik
http://www.radialengine.cz" onclick="window.open(this.href);return false;
http://www.autopejsek.cz" onclick="window.open(this.href);return false;
Uživatelský avatar
tumlik
Sponzor fora
Příspěvky: 3821
Registrován: 19. 12. 2007, 8:20
Bydliště: já su z Moravskej :-)
Kontaktovat uživatele:

2. 3. 2020, 1:34

zverodoktor píše: 2. 3. 2020, 10:32
tumlik píše: 2. 3. 2020, 9:16 děláte z toho zbytečnou vědu, mám tady 4 vřeteníky W20, všechny mají průměr válcové části 37,95mm oproti výkresu o dvě stovky menší, měřeno kalibrovaným mikráčem při 20 st.pro šťouraly.............. a teď babo raď :D

.......... schaubliňáckém katalogu je ta tolerance +- 0,005
Taká legenda a netrafia sa do výkresu :lol: ... (to je samozrejme ako vtip ak by sa to niekoho dotklo :wink: )
na těch starších typech byl jen rozměr a nápis "selon jauge", řekl bych "dle kalibru" ale to se jenom domnívám, rozhodně u té příruby nebudou tisíciny hrát roli, ostatně podle toho výkresu by ten kalibr šel v pohodě vyrobit :)
mám zabalenou originální unášecí desku a tam je rozměr 37,98 :wink:
vřeteno sv102vm.jpg
http://www.tumlikovo.cz/
Popularizační web nástrojařství a kovoobrábění
Uživatelský avatar
Thomeeque
Příspěvky: 9521
Registrován: 30. 1. 2012, 10:20
Bydliště: Mimo ČR

2. 3. 2020, 1:43

Docela rozdíl v délce závitu. Z kterého roku to je? Můj obrázek je z Habegger catalogue 1970.
mimooborová naplavenina • kolowratský zázrak™ • NPS • GCU • HirthCalc • ncDP.ino
zverodoktor
Příspěvky: 3667
Registrován: 3. 6. 2007, 9:49
Bydliště: Bratislava

2. 3. 2020, 9:49

Z čoho vyplývala tá potreba používať tieto podivuhodne chlpaté rozmery? Bolo to z dôvodu nezameniteľnosti dielcov s inými výrobcami, vzniklo prepočtom výkresov z nejakých starších mier ( rôzne palce a pod.) a ešte ma napadlo, že vyrobili závit 38x3 a obrúsením vzniklo tých 37,95
SU32, MN80, FN25, ISEL4433, Jakobsen SJ25, N1, VS16, Anycubic Kossel
Uživatelský avatar
Thomeeque
Příspěvky: 9521
Registrován: 30. 1. 2012, 10:20
Bydliště: Mimo ČR

3. 3. 2020, 2:25

Dal jsem si mozkovou rozcvičku - i přes ty 1.8 válečky na tumlíkově obrázku je to M37.6 :)

0_Image170200553056336952.jpg
mimooborová naplavenina • kolowratský zázrak™ • NPS • GCU • HirthCalc • ncDP.ino
milan584
Příspěvky: 2126
Registrován: 12. 5. 2009, 2:17
Bydliště: na jihu

4. 3. 2020, 5:36

tumlik píše: 2. 3. 2020, 9:16 děláte z toho zbytečnou vědu, mám tady 4 vřeteníky W20, všechny mají průměr válcové části 37,95mm oproti výkresu o dvě stovky menší, měřeno kalibrovaným mikráčem při 20 st.pro šťouraly.............. a teď babo raď :D

.......... schaubliňáckém katalogu je ta tolerance +- 0,005
Blbě si se podíval (nebo máš s tiskovou chybou) - u 102 s W20 je nesouměrná tolerance - ne +-, ale pouze +0, - 0.005 (37.97). A jestli to máš malý, tak bych tipoval, že to máš ojetý - pamatuji z doby před 89, dexxla, který tu a tam ten průměr čistil šmirglem, "protože on to má rád lesklý" :mrgreen: :shock: . Přičemž, pro změnu, že by ten závit a ten průměr měl taky čistit a mazat - to mu nějak nedocvaklo.
Jinak W tu nemám, takže to změřit nemůžu, mám tu ale nějaký F, a u těch mi to svým způsobem sedí - je to na dolní hranici a nebo těsně pod ní (58 -0,005) a nebo 68-0.005 - což po těch letech bych viděl jako velmi dobré.
Odpovědět

Zpět na „Potřebuji vyrobit - vypomoc pri vyrobe“