Borec na konec
Moderátor: sysel
Intelektualni vyzva pro vsechny,kdo si mysli,ze jim to pali.
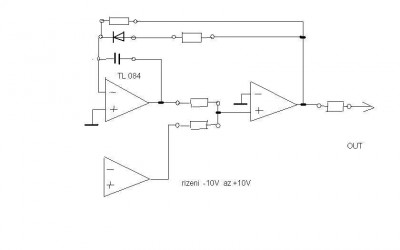
V priloze je schema napetove rizeneho oscilatoru s rozsahem frekvence cca 100 Hz az 35 kHz. Oscilator je rizen napetim 0-10V pripadne -10V-0.
V tomto rozsahu by se mela frekvence menit v dane oblasti.
Schema je odvozeno z rozlozeni soucastek na plosnem spoji funkcniho oscilatoru a je dane. Pointa pribehu je v doplneni vhodnych soucastek do schematu se spravnymi hodnotami.
Musim se priznat,ze moje pokusy jsou zatim nic moc. Identifikoval jsem na desce 27 integracu digitalni casti podle nepopsaneho plosnaku,coz byla taky docela makacka na bednu,ale tady se nejak nechytam. Sice kmitam,napeti ridim,ale ne tak,jak by to melo byt.
Vystup je bud sinus,nebo obdelnik.
V priloze je schema napetove rizeneho oscilatoru s rozsahem frekvence cca 100 Hz az 35 kHz. Oscilator je rizen napetim 0-10V pripadne -10V-0.
V tomto rozsahu by se mela frekvence menit v dane oblasti.
Schema je odvozeno z rozlozeni soucastek na plosnem spoji funkcniho oscilatoru a je dane. Pointa pribehu je v doplneni vhodnych soucastek do schematu se spravnymi hodnotami.
Musim se priznat,ze moje pokusy jsou zatim nic moc. Identifikoval jsem na desce 27 integracu digitalni casti podle nepopsaneho plosnaku,coz byla taky docela makacka na bednu,ale tady se nejak nechytam. Sice kmitam,napeti ridim,ale ne tak,jak by to melo byt.
Vystup je bud sinus,nebo obdelnik.
-
Zdenek CNC
- Příspěvky: 31
- Registrován: 7. 10. 2008, 1:04
- Bydliště: Rapotice
- Kontaktovat uživatele:
Jestli to dobre chapu, potrebujes do oznacenych mist doplnit pasiva tak, aby to fungovalo... Tim OZ dole generujes napeti, vystup potrebujes obdelnikovy prubeh ve zminovanem rozsahu frekvence? Zkusim se odreagovat premyslenim, ale neslibuju ze to vyresim
Presne tak. Neni to zadna sranda. Uz jsem na tom ztravil tri dny a nic moc. Jsem zvedavej,jestli je nekdo tak dobrej a rozlouskne to.
Nepomôže ti toto ? http://www.musicfromouterspace.com/anal ... REV01.html Asi je to to , čo potrebuješ - po úprave súčiastok . 
Problem neni v tom,ze bych neumel navrhnout VCO. To je vcelku trivialni zalezitost. Tady se musim vejit do konkretniho plosnaku a odpovidajiciho zapojeni. Koupil jsem o vykendu peknou ridici jednotku na frezku,ktera
umi ridit analogovy serva a rovnez KM. Problem je,ze tahle jednotka byla zkompletovana jen pro serva a deska pro KM je z 80 % neosazena.
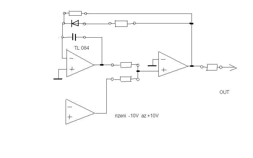
Je tam celkem 32 integracu a chvili mi trvalo,nez jsem z polsnaku urcil, ktery svabik kde je. System rizeni je pomerne zajimavy. Pro generovani impulzu pro KM se vyuziva VCO,ktere je rizene z analogovych vystupu pro serva. Impulsy pocitaji IO,ktere normalne zpracovavaji signal z enkoderu.Jsou to chytre svaby,ktere maji mod,ve kterem je lze takto pouzit.Kazda osa ma sve VCO a citac puslsu.Rampy se tady generuji analogove.Cele je to pomerne chytre vymyslene a nebyl problem princip odhalit. Zamrznul jsem ale na tom VCO. Nemuzu se do toho tistaku nicim rozumnym trefit. Zkusil jsem klasiku viz. obrazek,ale nemuzu se trefit do rizeni. Regulace frekvence neni plynula od -10 do 0V, oscilace vysazuji,rampy nerampuji. Proste nekde delam chybu a uz se cyklim.
Chce to nezaujaty pohled nekoho z venku,komu to mysli lepe nez me.
umi ridit analogovy serva a rovnez KM. Problem je,ze tahle jednotka byla zkompletovana jen pro serva a deska pro KM je z 80 % neosazena.
Je tam celkem 32 integracu a chvili mi trvalo,nez jsem z polsnaku urcil, ktery svabik kde je. System rizeni je pomerne zajimavy. Pro generovani impulzu pro KM se vyuziva VCO,ktere je rizene z analogovych vystupu pro serva. Impulsy pocitaji IO,ktere normalne zpracovavaji signal z enkoderu.Jsou to chytre svaby,ktere maji mod,ve kterem je lze takto pouzit.Kazda osa ma sve VCO a citac puslsu.Rampy se tady generuji analogove.Cele je to pomerne chytre vymyslene a nebyl problem princip odhalit. Zamrznul jsem ale na tom VCO. Nemuzu se do toho tistaku nicim rozumnym trefit. Zkusil jsem klasiku viz. obrazek,ale nemuzu se trefit do rizeni. Regulace frekvence neni plynula od -10 do 0V, oscilace vysazuji,rampy nerampuji. Proste nekde delam chybu a uz se cyklim.
Chce to nezaujaty pohled nekoho z venku,komu to mysli lepe nez me.
-
Zdenek CNC
- Příspěvky: 31
- Registrován: 7. 10. 2008, 1:04
- Bydliště: Rapotice
- Kontaktovat uživatele:
Musi byt na vystupu opravdu obdelnik? Nestaci pila? Neni za vyst. OZ treba nejaky Schmittuv klopny obvod? At delam co delam nedari se mi to vyresit. Jsou opravdu zapojene inv a neinv. vstupy OZ podle schematu? Dik za odp.
Mesu jsem si poridil,ale tohle je kompletni jednotka pro 4-8 os a docela se mi libi.
Zapojeni je opravdu tak,jak je na obrazku.Jeto v podstate integrator a komparator.Tak ,jak jsem to vyresil ja,to kmita dobre. Podle velikosti odporu z ridiciho IO se meni ofset nasazeni regulace od -10 do -2V.
Regulacni rozsah je ale jen cca 2V. V tomto rozsahu napeti se frekvence meni od cca 1.2kHz do 36 kHz. pro -2 az 0V. Na vystupu integratoru je pila,na komparatoru obdelnik. Dioda orizne zapornou polaritu,takze jde cca 14V do plusu. Jen ten regulacni rozsah neodpovida pozadavkum na vstupu.Tam je kamen urazu a s tim nemuzu hnout.
Zapojeni je opravdu tak,jak je na obrazku.Jeto v podstate integrator a komparator.Tak ,jak jsem to vyresil ja,to kmita dobre. Podle velikosti odporu z ridiciho IO se meni ofset nasazeni regulace od -10 do -2V.
Regulacni rozsah je ale jen cca 2V. V tomto rozsahu napeti se frekvence meni od cca 1.2kHz do 36 kHz. pro -2 az 0V. Na vystupu integratoru je pila,na komparatoru obdelnik. Dioda orizne zapornou polaritu,takze jde cca 14V do plusu. Jen ten regulacni rozsah neodpovida pozadavkum na vstupu.Tam je kamen urazu a s tim nemuzu hnout.
-
Zdenek CNC
- Příspěvky: 31
- Registrován: 7. 10. 2008, 1:04
- Bydliště: Rapotice
- Kontaktovat uživatele:
Co pouzit ve Tvem zapojeni misto diody zenerku? Mozna i dve zenerovy diody katodami k sobe ? Mozna i misto toho R co je v serii s diodou...
Vyzkousim, dik.
-
Zdenek CNC
- Příspěvky: 31
- Registrován: 7. 10. 2008, 1:04
- Bydliště: Rapotice
- Kontaktovat uživatele:
Je to jen napad, zkousel jsem to rozebirat a nic lepsiho me nenapadllo... Ruku do ohne za to nedam. Hodne stesti, neni to urcite snadne, takhle neco dodelavat.
O tom to neni. Je docela zabava podivat se na desku kde chybi 25 integracu bez jakehokoli popisu a schematu a rict si,ze podle plosnaku provedes rekonstrukci. Musel jsem si v pameti obcerstvit zakladni TTL radu IO,protoze uz 20 lec jsem s tim nic nebastlil. Pak jsem zacal analyzovat, co kam vede a premyslet, jaky IO by to asi mohl byt. Je zajimave,ze tahle soustava rovnic o mnoha neznamych mela nekolik ruznych reseni. Nicmene si troufam tvrdit,ze tu digitalni cast jsem zrekonstruoval dobre.Jen to VCO... 
- Kilovolt
- Sponzor fora
- Příspěvky: 829
- Registrován: 21. 10. 2009, 9:59
- Bydliště: Podřipák jak vyšitej!
Pupaku ,klobouk dolu-docela sebevražda.VCO sem probíral naposled ve škole a vod tý doby nic
.Docela si mi zamotal šišku ,tak sem pohledal a snad ti to pomůže,i když to tam moc nepasuje.RESPEKT
- Přílohy
-
- vco.pdf
- něco takovýho sem měřil ve škole
- (65.66 KiB) Staženo 618 x
-
- vco1.pdf
- z knížky Operační zesilovače v elektronice od Josefa Punčocháře
- (72.63 KiB) Staženo 358 x
Elektrika je potvora-nejni vidět a kope jak divoká mula.
"Učíme se po celý život. Až na školní léta" - Gabriel Laub
"Učíme se po celý život. Až na školní léta" - Gabriel Laub
Diky za snahu,
reseni je velice podobne tomu z te knizky.Taky mi to dalo docela zabrat.
Myslel jsem si,co je tady na foru borcu, co se mrknou na problem a je hned jasno,ale zrejme je to trosku jinak.
reseni je velice podobne tomu z te knizky.Taky mi to dalo docela zabrat.
Myslel jsem si,co je tady na foru borcu, co se mrknou na problem a je hned jasno,ale zrejme je to trosku jinak.
Zkus se podívat sem, jsou to školní stránky s nějakýma řešenýma relaxačníma generátorama (VCO). Možná si tam vybereš 
http://home.zcu.cz/~ronesova/index.php? ... es/aes_rrg
http://home.zcu.cz/~ronesova/index.php? ... es/aes_rrg