Miniaturní chladiče z CU plechu

Požadavky na výrobu dílů - poptávkové fórum
Pravidla fóra
Toto forum vyzaduje schvaleni prispevku moderatorem.
Odpovědět
FojtaR
Příspěvky: 12
Registrován: 5. 5. 2020, 9:16

16. 5. 2020, 12:37

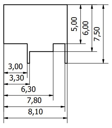
Dobrý den,
potřeboval bych (asi vypálit laserem) takovéto plíšky z CU plechu tloušťny 0,3mm.
Je takový rozměr vůbec reálný?
Vzhledově to nemusí bít 100%, nepůjdou vidět.
Rozměry jsou v milimetrech.
Přílohy
A.JPG
zverodoktor
Příspěvky: 3660
Registrován: 3. 6. 2007, 9:49
Bydliště: Bratislava

16. 5. 2020, 7:31

Ahoj, s takého tenkého plechu sa dajú aj leptať. Záleží na tom, koľko ich potrebuješ. Leptanie by asi pri viacerých kusoch bolo lacnejšie. Ako veľmi je kritická presnosť rozmerov?
SU32, MN80, FN25, ISEL4433, Jakobsen SJ25, N1, VS16, Anycubic Kossel
Uživatelský avatar
Dratenik
Příspěvky: 417
Registrován: 29. 10. 2013, 8:18
Bydliště: SM
Kontaktovat uživatele:

16. 5. 2020, 9:02

bezproblému SZ.

jj více ks na sobě.
CNC: frézování 4-osy, Heidenhain iTNC530, soustruhy Heidenhain 4110, Fanuc Oi TC, 3x drátové řezačky, až Z+400, (+9let praxe)
CAD/CAM: SolidWorks 2015, HSMWorks 2016, MasterCam X5, X6, Kovoprog
Odpovědět

Zpět na „Potřebuji vyrobit - vypomoc pri vyrobe“