Dopyt -Jednoducha priruba

Požadavky na výrobu dílů - poptávkové fórum
Pravidla fóra
Toto forum vyzaduje schvaleni prispevku moderatorem.
Odpovědět
lh-cnc
Příspěvky: 61
Registrován: 1. 6. 2015, 8:50

8. 11. 2020, 4:28

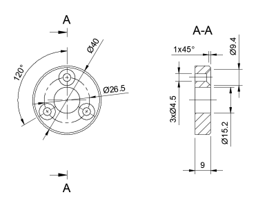
Nazdar,

potreboval by som vyrobit 16ks jednoduchych prirubiek z mosadze. Presnost nie je kriticka, jedna sa o priruby na vesiaky manzelke do kuchyne, ziadne diely do raketoplanu, akurat priemer strednej diery by sa nemal hybat dolu viac, ako 0,1mm, aby som tam s miernou volou zmestila kurenarska medena trubka fi15 :D Material mosadz (akakolvek)

Pripadne, ak by niekto z Vas vedel o niekom, kto podobne priruby z mosadze alebo medi vyraba a predava, budem vdacny za kontakt...
priruba.png
Odpovědět

Zpět na „Potřebuji vyrobit - vypomoc pri vyrobe“