Mesa 5i25 konektor P2
Dávám dohormady ovládací panel na soustruh a nějak jsem to přehnal se vstupy.
Karty mám 5i25+7i76+7i84
Myslel jsem že mi to vyjde na kartu 7i84 ( 32 vstupů) ale ještě mi chybí 12 vstupů.
Na 7i76 mám už plno, takže jediná možnost je 5i25, konektor P2.
Signály z tlačítek jsou +24V.
Je možné u nás sehnat nějakou oddělovací desku přes kterou bych to připojil ?
Maximální napětí které můžu přivést na 5i25 je 3,3V ? Nebo se spíná GND ?
Karty mám 5i25+7i76+7i84
Myslel jsem že mi to vyjde na kartu 7i84 ( 32 vstupů) ale ještě mi chybí 12 vstupů.
Na 7i76 mám už plno, takže jediná možnost je 5i25, konektor P2.
Signály z tlačítek jsou +24V.
Je možné u nás sehnat nějakou oddělovací desku přes kterou bych to připojil ?
Maximální napětí které můžu přivést na 5i25 je 3,3V ? Nebo se spíná GND ?
SN320,SUI 32 CNC,Maho 700 CNC, Mikron UME 600, Boley BKN 100C, Brother TC 201
Hotovou oddělovací desku neporadím, protože si takové věci vždy dělám sám na míru a tak nemám přehled o trhu.
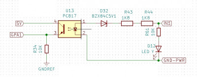
Ale poznámka k těm vstupům: Mesa 5i25 (podobně jako snad skoro všechny Mesy) má na vstupech zapojené převodníky/ochrany, které jí zajišťují možnost spolupráce s 5V logikou. Dají se jumperem vypnout, ale defaultně jsou zapnuté, a v praxi snad skoro nikdy není důvod je vypínat.
Je to hodně dobře udělané, takže ty převodníky jsou ďábelsky rychlé.
Jestli bude mít oddělovací deska výstupy NPN nebo PNP (tedy spínat do nuly nebo do +5V) záleží na tom, jakou si pořídíš. Jsou možné a dělají se obě varianty. Jednodušší je to asi s NPN výstupem, tj. spínaným do nuly.
Pro tlačítka bys to možná ani nemusel dělat galvanicky oddělené. Takže pak stačí pro každý signál 2-3 odpory a 1 tranzistor, nebo třeba jeden komparátor LM339 pro 4 signály atd. Ale ani s optrony to nevyjde draze - pro každý signál kromě optronu ještě 1-3 odpory.
Pokud se budeš pouštět do stavby elektroniky, můžeš vyjít z tohoto:
viewtopic.php?t=37308&start=60
Akorát místo Atmelu 328P použiješ výstupy z Mesy.
Ovšem jeto jedno z mnoha a mnoha řešení.
viewtopic.php?t=37308&start=60
Akorát místo Atmelu 328P použiješ výstupy z Mesy.
Ovšem jeto jedno z mnoha a mnoha řešení.
LinuxCNC - MESA 7i96
zz912.webnode.cz
zz912.webnode.cz
Takže je možné spínat i +5V ?
Že bych objednal desku viz: https://www.ebay.com/itm/8-Channel-8bit ... %3A2334524
NPN desku nikde nemůžu najít
Že bych objednal desku viz: https://www.ebay.com/itm/8-Channel-8bit ... %3A2334524
NPN desku nikde nemůžu najít
SN320,SUI 32 CNC,Maho 700 CNC, Mikron UME 600, Boley BKN 100C, Brother TC 201
nie je najjednoduchšie použiť originál IO kartu 7I37?
http://mesanet.com/pdf/parallel/7i37man.pdf
http://mesanet.com/pdf/parallel/7i37man.pdf
Technická poznámka: karta 7I37 je myslím dělané pro 50-pin Mesy. Tedy třeba pro 5i20, 7i90 atd.r4cv píše: ↑5. 1. 2021, 7:54 nie je najjednoduchšie použiť originál IO kartu 7I37?
http://mesanet.com/pdf/parallel/7i37man.pdf
Ale 5i25 původního tazatele je z kategorie 25/26-pin Mesa karet.
Spíše by mě zajímalo, co se dá zvorat na zapojení optočlenu? Nebo na co si dát u těch čínských destiček pozor. Když jsem hledal specifikaci elektrosoučástek MESY, tak jsem většinou stejně skončil u nějakého asijského výrobce.
Mesa je pro mě také srdeční záležitost, ale zajímalo by mě, co konkrétně na té čínské chybí?
LinuxCNC - MESA 7i96
zz912.webnode.cz
zz912.webnode.cz
Ještě mě napadlo... Lze připojit paralelně víc karet 7i84 na 7i76 (RS422 interface)? Nebo se budou hádat?
Bylo by to jednodušší než tahat 20ti žilový kabel od panelu k PC
Bylo by to jednodušší než tahat 20ti žilový kabel od panelu k PC
SN320,SUI 32 CNC,Maho 700 CNC, Mikron UME 600, Boley BKN 100C, Brother TC 201
No, ono se toho i na zapojení optronu dá dost udělat blbě-dobře-výborně.
Ale zrovna pro tak nenáročné použití jako jsou nějaké vstupy pro tlačítka (pokud nebudou v extrémně zarušeném nebo jinak nepřátelském prostředí) se toho opravdu asi zas tak moc pokazit nedá.
K těm součástkám a obvodům na kartách Mesa: tahle firma musí zaměstnávat opravdu skvělé vývojáře a FPGA návrháře/programátory. A navíc se chová na dnešní dobu dost nestandardně - nesnaží se šetřit za každou cenu.
Na těch kartách bývají použita zajímavá a nápaditá zapojení. A jsou tam osazovány velmi kvalitní součástky. Navíc se nesnaží šetřit na různých ochranách, kde to dnešní výrobci velmi často ojebou.
Takže před Mesa kartami klobouk dolů.
Já často hraju sám se sebou takovou hru, že nastuduju zapojení a snažím se najít na výrobku něco, co by se dalo udělat líp.
Ale zrovna u Mesy většinou prohrávám. Tam naopak většinou skončím s tím, že si řeknu: "sakra, tohle udělali pěkně".
Co už je u nich možná trochu slabší, to jsou běžní programátoři (nikoli ti, co navrhují FPGA). Jednak je dost bordel v jejich interních protokolech, kterými komunikují např.chytré FPGA karty s nějakými těmi podřízenými.
A drivery pro LinuxCNC taky nejsou zrovna ukázkou excelentního programování. Tam to naopak občas spíš vypadá na brigádníky, kterým dali do ruky driver pro nějakou starší kartu a řekli jim, aby napsali driver pro novou. A brigádníci prostě jenom zalátali něco v tom starém, nechali tam spoustu balastu a nahlásili "hotovo, jdem si pro výplatu".
Ne, tohle by tedy opravdu nešlo.
Po té sběrnici probíhá komunikace obousměrně, každá karta by posílala do centra něco jiného a hádaly by se.
U nějakých karet, kde jsou obvody RS422 napojeny přímo na FPGA, by se to možná dalo udělat změnou firmware (je to na delší popis, teď se mi to nechce psát). Ale na kartě přes nějaký expandér už ne.
Bylo by to jako vzít si víc manželek. Tam by taky jedna chtěla, abys myl nádobí, druhá abys vymaloval, další abys citlivě naslouchal jejím pindům atd.
To se prostě nedá.