Soustružení ocelí 1ks
Napsal: 20. 2. 2021, 9:18
Dobry den,
Rozjizdim jeden stary neukonceny projekt a potreboval bych jeden dil z hliniku (mozna duralu) a jeden z oceli (konstrukcni ocel nebo jakou budete mit k dispozici).
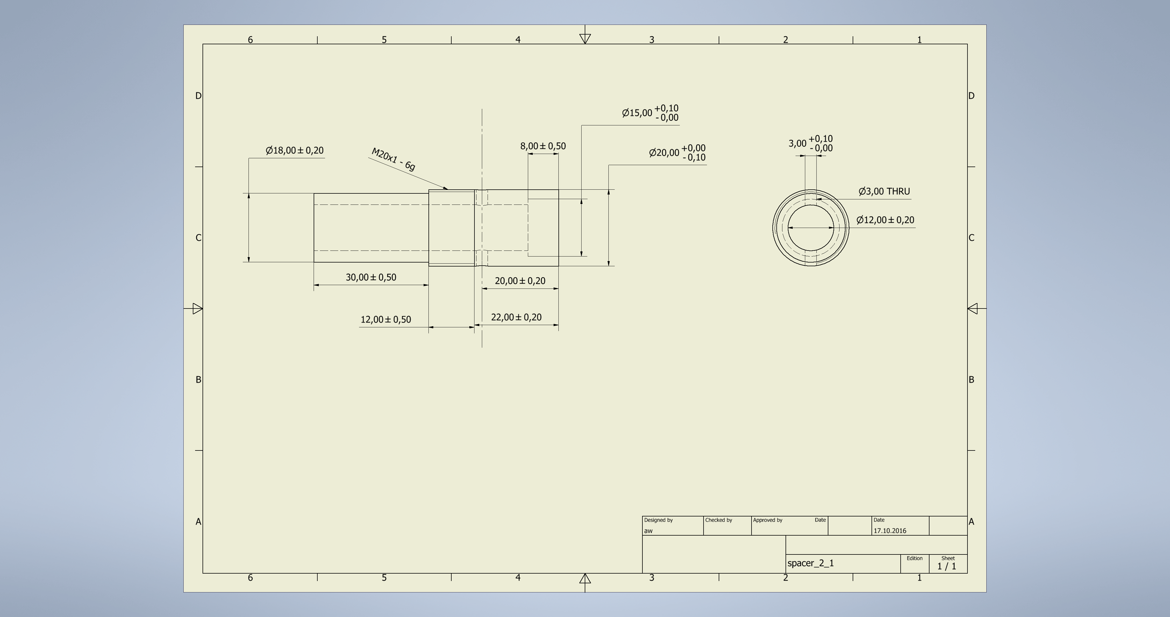
V priloze jsou fotky, vykresy v DWG (autocad 2004) a modely v ruznych formatech. Rozmery (vc. tol.) jde videt na obrazkach.
Na cistote povrchu nezalezi.
Prosim nabidnete cenu do SZ.
Pokud mate moznost zaroven provest frezovani tak poptavam jeste jeden dil:
viewtopic.php?t=39055
Archiv s modely a vykresy: Vykres:
Rozjizdim jeden stary neukonceny projekt a potreboval bych jeden dil z hliniku (mozna duralu) a jeden z oceli (konstrukcni ocel nebo jakou budete mit k dispozici).
V priloze jsou fotky, vykresy v DWG (autocad 2004) a modely v ruznych formatech. Rozmery (vc. tol.) jde videt na obrazkach.
Na cistote povrchu nezalezi.
Prosim nabidnete cenu do SZ.
Pokud mate moznost zaroven provest frezovani tak poptavam jeste jeden dil:
viewtopic.php?t=39055
Archiv s modely a vykresy: Vykres: