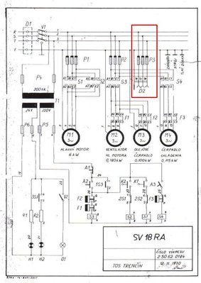
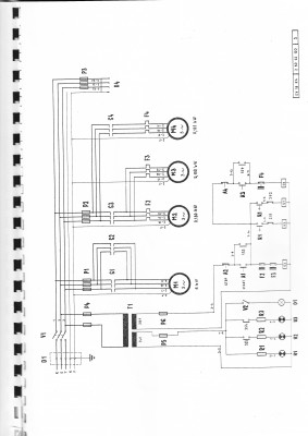
Schéma zapojenia elektriky SV18RA

Vse o konvencnich strojich, nic o jejich prestavbe na cnc
Odpovědět
Erazor
Příspěvky: 2
Registrován: 3. 1. 2010, 6:34

3. 1. 2010, 7:11

Ahojte.
Má niekto, prosím Vás, elektro schému od sústruhu SV18RA TOS Trenčín? Súrne by som ju potreboval.
Diki moc.
Adresa: erazor@azet.sk :wink:
Uživatelský avatar
golansk
Příspěvky: 107
Registrován: 21. 2. 2009, 8:14
Bydliště: Zavod Slovensko

4. 1. 2010, 3:41

Dufam ze pomoze....
Přílohy
schema1_0001.jpg
schema1_0002.jpg
schema1_0003.jpg
Erazor
Příspěvky: 2
Registrován: 3. 1. 2010, 6:34

5. 1. 2010, 7:46

Vďaka moc.
Myslím, že mi to dosť pomôže. Len sa z toho najprv vysomáriť... :)
filipbartunek
Příspěvky: 2
Registrován: 5. 11. 2010, 8:10

5. 11. 2010, 8:26

Dobrý den,
sháním elektrické schéma k soustruhu SV18R.

Děkuji

Bartůněk - filipbartunek@seznam.cz
Uživatelský avatar
golansk
Příspěvky: 107
Registrován: 21. 2. 2009, 8:14
Bydliště: Zavod Slovensko

5. 11. 2010, 8:46

Chod na stranku tumlikovo tam je cely navod na SV 18R
Uživatelský avatar
golansk
Příspěvky: 107
Registrován: 21. 2. 2009, 8:14
Bydliště: Zavod Slovensko

5. 11. 2010, 8:47

filipbartunek
Příspěvky: 2
Registrován: 5. 11. 2010, 8:10

6. 11. 2010, 3:34

Děkuji velmi moc

Bartůněk
peter1
Příspěvky: 638
Registrován: 24. 4. 2010, 8:00
Bydliště: vychodne slovensko

17. 5. 2018, 8:55

Zo zadnej strany za vretenom mam tuto zasuvku s dierkami neviete niekto načo to tam je?? na predošlej osemnastke som tam mal len dieru cez ktoru som priviedol kabel ktory som zapojil na svorkovnicu..a teraz mi tam zavadzia tato zasuvka...vraj by to malo byť na nejake pridavne zariadenie k sustruhu od tej zasuvky idu 4 kable k tej spodnej ochrane čo je na fotke
Přílohy
002.jpg
003.jpg
sustruh sv18 ,vrtačka
milan584
Příspěvky: 2126
Registrován: 12. 5. 2009, 2:17
Bydliště: na jihu

18. 5. 2018, 4:53

peter1 píše:Zo zadnej strany za vretenom mam tuto zasuvku s dierkami neviete niekto načo to tam je?? na predošlej osemnastke som tam mal len dieru cez ktoru som priviedol kabel ktory som zapojil na svorkovnicu..a teraz mi tam zavadzia tato zasuvka...vraj by to malo byť na nejake pridavne zariadenie k sustruhu od tej zasuvky idu 4 kable k tej spodnej ochrane čo je na fotke
Na kolik je nakroucená ta ochrana?
Podle mě to je zásuvka pro motor čerpadla hydrauliky IKS - na hydraulickou kopírku nebo možná na suportovou brusku (to se mi ale zdá divný).
Uživatelský avatar
salus
Příspěvky: 1528
Registrován: 1. 9. 2013, 1:30
Bydliště: Chrudimsko

18. 5. 2018, 5:16

Ano je to zásuvka na IKS, ale ta by dle schématu zapojení měla být jištěna pouze tavnými pojistkami.
Image_00611.JPG
Image_00612.JPG
Soustruh: S-28 Žebrák
Stolní vrtačka: TOS V10A
Pásová pila: G5013W/400
peter1
Příspěvky: 638
Registrován: 24. 4. 2010, 8:00
Bydliště: vychodne slovensko

18. 5. 2018, 5:29

Ale ako sa potom kabel dostane ku svorkovnici jedina diera ja na lavej strane uplne dole v liatine taky polkruhovy otvor ale ten keby že to dam do betonu tak to mam zaliate v betone..
sustruh sv18 ,vrtačka
Uživatelský avatar
salus
Příspěvky: 1528
Registrován: 1. 9. 2013, 1:30
Bydliště: Chrudimsko

18. 5. 2018, 9:46

Ten otvor kde je namontována zásuvka pro IKS nebyl určen pro přívodní vedení. Obráběcí stroje byly konstruovány pro pevné připojení (v průmyslových provozovnách by připojení obráběcího stroje pohyblivým přívodem ani neprošlo revizí). Ve fabrikách byly stroje běžně připojovány kabelovým vedením z podlahy. Bylo to hlavně proto, že rozvody v průmyslových provozovnách byly dělány tzv. kabelovými kanály, které byly zapuštěny do podlahy. Vývody pro jednotlivé stroje byly řešeny buď přímo odbočkou kabelového kanálu ke stroji, nebo uložením elektroinstalační trubky od kabelového kanálu k připojovacímu místu stroje. Mělo to svůj důvod a to hlavně pro velké nebezpečí mechanického poškození el. vedení.
Už si přesně nepamatuji jak to bylo řešeno u SV18RA (už to totiž bude brzo 20 let co fabrika kde jsem dělal skončila), ale jestli píšeš, že v levé noze je jakýsi půlkruhový otvor těsně u podlahy, tak ten byl právě určen pro přivedení kabelu. Předpokládám, že v Tvém případě asi o pevné připojení stroje nepůjde - budeš mašinu zřejmě připojovat k síti pohyblivým přívodem s vidlicí ne? Nic Ti ale nebrání tomu, aby jsi v místě otvoru u podlahy vysekal do betonu kapsu, do ní vložil buď ohebnou nebo pevnou trubku a tou pak protáhl přívodní kabel. Já osobně bych preferoval plastovou ohebnou trubku, protože tam nemusíš řešit nějaké ochranné prvky na koncích trubky sloužících k zamezení mechanického poškození kabelu.
Soustruh: S-28 Žebrák
Stolní vrtačka: TOS V10A
Pásová pila: G5013W/400
milan584
Příspěvky: 2126
Registrován: 12. 5. 2009, 2:17
Bydliště: na jihu

18. 5. 2018, 11:52

salus píše:Ten otvor kde je namontována zásuvka pro IKS nebyl určen pro přívodní vedení. Obráběcí stroje byly konstruovány pro pevné připojení (v průmyslových provozovnách by připojení obráběcího stroje pohyblivým přívodem ani neprošlo revizí). Ve fabrikách byly stroje běžně připojovány kabelovým vedením z podlahy. Bylo to hlavně proto, že rozvody v průmyslových provozovnách byly dělány tzv. kabelovými kanály, které byly zapuštěny do podlahy. Vývody pro jednotlivé stroje byly řešeny buď přímo odbočkou kabelového kanálu ke stroji, nebo uložením elektroinstalační trubky od kabelového kanálu k připojovacímu místu stroje. Mělo to svůj důvod a to hlavně pro velké nebezpečí mechanického poškození el. vedení.
Už si přesně nepamatuji jak to bylo řešeno u SV18RA (už to totiž bude brzo 20 let co fabrika kde jsem dělal skončila), ale jestli píšeš, že v levé noze je jakýsi půlkruhový otvor těsně u podlahy, tak ten byl právě určen pro přivedení kabelu. Předpokládám, že v Tvém případě asi o pevné připojení stroje nepůjde - budeš mašinu zřejmě připojovat k síti pohyblivým přívodem s vidlicí ne? Nic Ti ale nebrání tomu, aby jsi v místě otvoru u podlahy vysekal do betonu kapsu, do ní vložil buď ohebnou nebo pevnou trubku a tou pak protáhl přívodní kabel. Já osobně bych preferoval plastovou ohebnou trubku, protože tam nemusíš řešit nějaké ochranné prvky na koncích trubky sloužících k zamezení mechanického poškození kabelu.
V té naší zásuvka vzadu vůbec není, ale je tam v odlitku osazená díra, v té díře je vložený plech tl.3 na tři M6, vnější pr. 90, s dírou pr.27 nejspíš pro průchodku PG 21 (závit by se musel do toho plechu vyříznout nebo použít (vbastlit) PG16.
Plech vypadá originál, je i nafáblovaný jako celá mašina, jako z Trenčína. že to tak bylo u všech kusů si jistý nejsem - rozhodně obsahy rozvaděčů jsou rozdílný - my už tam taky nemáme pojistky ale ty písecký ochrany, stykače byly nějaký tragický z BLR (už jsem je měnil - zmizely :) :roll: jim kontakty).
My tam máme v tom plechu metriku M25x1.5, pak kus chráničky a nahoru normální panceřovka přitažená dvěma pásky k fundamentu. Šlic pro kabel v spodní hraně u nás není nikde - podle mě se spíš uvažovalo jít z rozvaděče rovnou dolu do podlahovýho kanálu.
Takže já bych tu zásuvku normálně odpojil, místo ní dal plech a do něj PG nebo metriku, zbytek buď do chráničky (aspoň kus) a nebo lepe nahoru do pancéřovky.
Odpovědět

Zpět na „konvenční soustruhy“