model a odlévání
Poprosím o radu. K jednomu projektu mi chybí brzdové pakny. Zvažuji výrobu odlitím z hliníku dle svépomocně vyrobené formy. Nemám ale úplně moc zkušeností, až na jeden úspěšný pokus o lunetu na mn80 (někde mezi mými staršími příspěvky, model jsem vyráběl z překližky). V tomto případě bych ale asi musel kvůli odlití jinam (kvůli hliníku), tedy pokud by se se mnou vůbec někdo bavil. Potřebuji alespoň 4 ks. Rozměr dle foto na A4ce.
Ale k dotazu. Jak ideálně udělat formu? Jako celek či v ose dělitelnou? Dřevo či může být třeba z PLA na 3D tiskárně? možná zbytečný totaz, o kolik mohu počítat, že by měla být forma menší, v případě hliníku jako litého materiálu. V tomot případě počítám že to ?? 1 ?? procento změny objemu asi nic neudělá, on stejně buben bude rozměrově jinde oproti novému a navíc obložení, jde spíš o zachování radiusu. A finálně, troufne si někdo odhadnout cenu za kus, při ofiko zakázce? díky moc.
Ale k dotazu. Jak ideálně udělat formu? Jako celek či v ose dělitelnou? Dřevo či může být třeba z PLA na 3D tiskárně? možná zbytečný totaz, o kolik mohu počítat, že by měla být forma menší, v případě hliníku jako litého materiálu. V tomot případě počítám že to ?? 1 ?? procento změny objemu asi nic neudělá, on stejně buben bude rozměrově jinde oproti novému a navíc obložení, jde spíš o zachování radiusu. A finálně, troufne si někdo odhadnout cenu za kus, při ofiko zakázce? díky moc.
Naposledy upravil(a) berni dne 28. 1. 2022, 6:35, celkem upraveno 1 x.
Tak zrovna tady budeš dělat dělení model protože forma bude z písku. Na PLA by se vy.....l a výtisk bych to z ASA 270 pak přebrousit .Samozřejmě model bude dělený a musí mít úkos 1-2°. Cena u ,,kaleného" odlitku bude kolem 300-350Kč /kg .
http://www.rm-reznicek.cz" onclick="window.open(this.href);return false;
Děkuji za odpovědi.
Nefrézuje proto, protože z kusu materiálu já sám nemám na čem a počítám, že za cenu odlitku mi to nikdo neudělá. Nebo ano?
Ještě k dělení formy... na prvním příspěvku jsem naznačil dvě roviny, jedna v přesné rovině symetrie, druhou ve vnitřní hraně mezi horizontální a vertikální plochou... Tuším že první je správně, ale pak mi vychází jen pár mm na každé polovině z té plochy soubežné s papírem. Ale to asi pro lití nevadí (neznám, proto uvažuji).
Nefrézuje proto, protože z kusu materiálu já sám nemám na čem a počítám, že za cenu odlitku mi to nikdo neudělá. Nebo ano?
Ještě k dělení formy... na prvním příspěvku jsem naznačil dvě roviny, jedna v přesné rovině symetrie, druhou ve vnitřní hraně mezi horizontální a vertikální plochou... Tuším že první je správně, ale pak mi vychází jen pár mm na každé polovině z té plochy soubežné s papírem. Ale to asi pro lití nevadí (neznám, proto uvažuji).
Takhle ,ještě čepy .
http://www.rm-reznicek.cz" onclick="window.open(this.href);return false;
Předně, to co ty chceš vyrábět se jmenuje model a díky němu se potom vyrábí forma (nejčastěji písková). Model by měl být v případě odlitku z hliníku o cca 1% větší, úkosy směrem k dělící rovině tak jak fmodel. Nevidím jediný důvod proč neudělat model z PLA, snadno se tiskne a je většinou nejlevnější. Hlavně nezapomenout na nějaké ty kolíky aby na sobě obě půlky modelu vzájemně pěkně seděli.
Taky jsem se podílel na výrobě čelistí. Nabízel jsem, že je vyfrézuji, ale veteránista chtěl odlitek, jako na originálu. Šli jsme cestou, že se neodlévala půlka, ale rovnou obě dvě. Mohli se pak osoustružit a ofrézovat najednou. Ve finále se rozřízli na pásovce. Model si vytisknul z PLA.
dobrej nápad
Obvykle se dějí věci obvyklé. Méně často se dějí věci neobvyklé a zcela vyjímečně se dějí věci vyjímečné...
Masturn 40 CNC, Hermle UWF1200H CNC a pár klasik
http://www.radialengine.cz" onclick="window.open(this.href);return false;
http://www.autopejsek.cz" onclick="window.open(this.href);return false;
Masturn 40 CNC, Hermle UWF1200H CNC a pár klasik
http://www.radialengine.cz" onclick="window.open(this.href);return false;
http://www.autopejsek.cz" onclick="window.open(this.href);return false;
Tak jsem byl sondovat možnosti v místní slévárně (Česká u Brna) - jednání příjemné a vstřícné, ale prý si dost počkám. Model z PLA v pořádku, dokonce prý ani nemusí být dělený. Ale úkos alespoň 8°. A na funkčních plochách prý přídavek alespoň 3-4 mm skrze zaměstnance jiných národností, co to po odlití ošmidlají flexkou a neštítí se plochy porůznu takto pomrvit. Cena při ručním zaformování krapet jinde než prostý přepočet na hmotnost. A nakonec jsem obdržel radu, ať to nechám spíš vyhryzat na CNC z plného :c) .
Toto jsem tedy zjistil. Model jsem již dle originálu udělal, a zkusmo vytiskl (zatím v rozměrech originálu, na zkoušku zda bude pasovat na voze). Ta varianta udělat ty pakny dvě v kruhu a poté odlit a obrobit společně je dobrý nápad, jen nevim, zda se mi vejdou na tiskárnu.
Toto jsem tedy zjistil. Model jsem již dle originálu udělal, a zkusmo vytiskl (zatím v rozměrech originálu, na zkoušku zda bude pasovat na voze). Ta varianta udělat ty pakny dvě v kruhu a poté odlit a obrobit společně je dobrý nápad, jen nevim, zda se mi vejdou na tiskárnu.
Tak to je hodně mimo co ti tam řekli. Jen tě nechtěli urazit ale úkosy 8° a takový kravský přídavky jsou úplná blbost. Model si udělej prostě zvětšený o smrštení (1 až 1,5%), pak dej přídavky jen na obráběný plochy (vlastně jen obvod a boky). Nevím jak je to velký ale odhadem max 2 až 3 mm. Nakonec úkos cca 1° až 3° a dones to do nejbližší slevarny, ať si poradí.berni píše: ↑8. 2. 2022, 9:32 Tak jsem byl sondovat možnosti v místní slévárně (Česká u Brna) - jednání příjemné a vstřícné, ale prý si dost počkám. Model z PLA v pořádku, dokonce prý ani nemusí být dělený. Ale úkos alespoň 8°. A na funkčních plochách prý přídavek alespoň 3-4 mm skrze zaměstnance jiných národností, co to po odlití ošmidlají flexkou a neštítí se plochy porůznu takto pomrvit. Cena při ručním zaformování krapet jinde než prostý přepočet na hmotnost. A nakonec jsem obdržel radu, ať to nechám spíš vyhryzat na CNC z plného :c) .
Toto jsem tedy zjistil. Model jsem již dle originálu udělal, a zkusmo vytiskl (zatím v rozměrech originálu, na zkoušku zda bude pasovat na voze). Ta varianta udělat ty pakny dvě v kruhu a poté odlit a obrobit společně je dobrý nápad, jen nevim, zda se mi vejdou na tiskárnu.
pakna.gif
No těch 8° mu řekli proto že znají ,,kvalitu z tiskárny" kdy neobroušený a netmelený povrch znamená že bude problém udělat slušnou formu ,proto jsem psal na začátku jak to dělám ,ale já jsem amatér až na těch pár stovek odlitků 
http://www.rm-reznicek.cz" onclick="window.open(this.href);return false;
No i tak je to kravina, spíš si vymysleli tak velkou kravinu aby mu přišlo lepší to vyhledat z plného materiálu. Těch 8° ti nepomůže ani z horšího modelu z tiskárny. Ten se musí alespoň trochu obrousit a striknout třeba stříkacím tmelem nebo alespoň plničem. Řekněme že s tím mám taky takovou hodně malou zkušenost
Když bude model na svislich stěnách okousaný (vrstvy tisku) tak ani 8° nemá úplně význam, jediný co to udělá je, že to strhne písek.
Možná se mu do toho fakt nechtělo:c) . Na druhou stranu mi dal vizitku a nabídl se, že na hotovém modelu ty úkosy sám dodělá, když to pošlu. No mimo jiné jsme se bavili i o kvalitě toho mého tisku (přinesl jsem model z PLA kde byly úkosy 3 st) a to mi pán říkal, že je to co jsem přinesl OK a že je ten povrch přijatelně hladký. Ale těch 8 opravdu řekl. Věřím ale , že borec co to bude dávat do písku to zvládne i s těmi 3 st, jak píšete :c). Na obráběné plochy dám tedy navíc 2 mm - zde jen obvod a šíře plochy po obvodu (to ani Pákystánci na trubce co mají dílnu na hliněné střeše baráku víc z odlitků pak nestáčí :c) ).
Jinak, všech rad zde si vážím a jsem za ně vděčen a rozhodně je neignoruji, to aby si někdo nemyslel, že se snaží poradit a já si to nepřebírám.
Jinak, všech rad zde si vážím a jsem za ně vděčen a rozhodně je neignoruji, to aby si někdo nemyslel, že se snaží poradit a já si to nepřebírám.
Já si dělám modely běžně s 1° nebo 1,5° úkosem a taky to vždycky vytáhnu. Ono trochu záleží, jakou formovací směs (písek) ve slévárně používají. Hodně zdaru a nenech si od nich nakecat nesmysly. Přece jen asi budu muset dodělat tu pec na hliník když vidím jak to jinde chodí. Možná, že bych měl po večerech i dost maloseriových kšeftůberni píše: ↑8. 2. 2022, 10:47 Možná se mu do toho fakt nechtělo:c) . Na druhou stranu mi dal vizitku a nabídl se, že na hotovém modelu ty úkosy sám dodělá, když to pošlu. No mimo jiné jsme se bavili i o kvalitě toho mého tisku (přinesl jsem model z PLA kde byly úkosy 3 st) a to mi pán říkal, že je to co jsem přinesl OK a že je ten povrch přijatelně hladký. Ale těch 8 opravdu řekl.
pánové, opět prosím o radu. Mezi předchozími příspěvky a dneškem jsem realizoval (tedy jako ve slévárně, ne doma) pár lití do písku za použití mnou vyrobených modelů (překližka či 3d tisk).
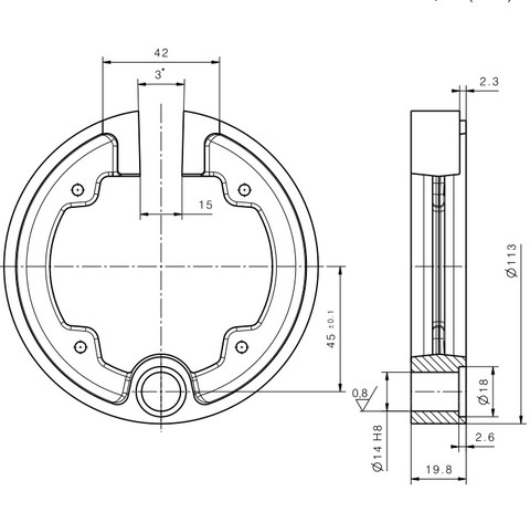
Tentokráte mám ale kousek, u kterého si nejsem jist, jak celé lití a model k tomu uchopit (tak, aby mne nevyhodili).
Potřebuji toto , materiál hliník, rozměry "do dlaně".
Je možno vyrobit pevný model na zaformování do písku (pokud ano, v jakých rovinách dělený?) nebo jen metoda ztraceného lití? Pokud ztracené lití, budou schopni odlít pokud donesu model z vosku (1:1 s předlohou)? To budou schopni myšleno v technické rovině, neřeším ochotu, volné kapacity atd. Potřebuji 1, 2 ks.
děkuji
(že by to bylo asi nejlépe vyrobit obrobením kusu hliníku tuším, ale zatím se upínám k odlévání).
Tentokráte mám ale kousek, u kterého si nejsem jist, jak celé lití a model k tomu uchopit (tak, aby mne nevyhodili).
Potřebuji toto , materiál hliník, rozměry "do dlaně".
Je možno vyrobit pevný model na zaformování do písku (pokud ano, v jakých rovinách dělený?) nebo jen metoda ztraceného lití? Pokud ztracené lití, budou schopni odlít pokud donesu model z vosku (1:1 s předlohou)? To budou schopni myšleno v technické rovině, neřeším ochotu, volné kapacity atd. Potřebuji 1, 2 ks.
děkuji
(že by to bylo asi nejlépe vyrobit obrobením kusu hliníku tuším, ale zatím se upínám k odlévání).