Horní frézka jako vřeteno
Řeším dilema, mám k dispozici 3 horní frézky o výkonech 500,1100,2000 W a nějaké ty vrtačky. Momentálně přehazuji frézu 500W s vrtačkou, ale to mě nebaví. Na stroji převážně vrtám nábytkové dílce a to je hlavní činnost i do budoucna, jenže rád bych i frézoval (frézy se stopkou 8 a 12 mm) a gravíroval (frézy kolem stopky 3mm) takže mi přijde nejpoužitelnější ta fréza s 2kW http://www.igm.cz/katalog/020.php kde můžu nastavit otáčky na 8-20 tisíc. Jenže mám k téhle fréze kleštiny pouze 8 a 12 mm. Jiné se prý nedělají (v zahraničí mají i průměry 6-12,7). Otázka zní dá se do kleštiny 8 mm udělat nějaká vložka aby tam šly použít gravírovací frézky se stopkou 3.175 nebo jestli se nedají použít jiné kleštiny třeba ER16 (jak zjistit jestli by tam šly)? Ještě by mě zajímalo jestli je možné s 8 tisíci otáčkami vrtat, nebo jestli se ty otáčky dají nějak sundat. Prostě bych rád do budoucna měl jen jedno vřeteno.
- Krutor
- Sponzor fora
- Příspěvky: 1097
- Registrován: 2. 12. 2008, 8:58
- Bydliště: Moravské Bránice
- Kontaktovat uživatele:
Záleží, jaké průměry chceš vrtat. Já se ale obávám, že těch 8000 otáček je spodní hranice, kterou jde na prázdno nastavit, ale jak to zatížíš, tak to je konečná. Odhadoval bych to tak do 6-ky vrtáku.
Petr Spáčil
Jde mi o vrtání hlavně otvorů 3 a 5 mm do lamina. Nicméně hlavní otázka zní zda není těch 8 tis. otáček moc.
Je to moc. Zejména na HSS vrták. SK vrták do kolíkovačky je lepší řešení, ale ten má válcovou stopku průměr 10mm s ploškou. Řešil jsem podobný problém - konkrétně vrtání děr po úhlem 45° na CNC, přibastlili jsme na něj VF motorek z olepovačky. Vrtali jsme díry 8mm, otáčky byly na 5.500 ot/min. To byla hranice, kdy to ještě vrtalo (byť to pálilo) pod tyto otáčky se motorek zastavoval.
Ahoj,
spíš bych to řešil vřetem s frek.měničem,za tu frézku dáš deset litrů a nikdy se nevyrovná vřet. s měničem a třeba Teknomotor 2KW s ER25 + měnič dáš cca něco kolem 26 tis. a nemusíš nic měnit.Toto vřeteno mám a provozuji ho od dvou do 16000 ot.Možná by byl problém ve váze má 9 kilo oproti frézce s 5 kily.
K těm otáčkám - 8 tis. je dost,ale pokud by to nebylo moc hluboký a rychlost Zetka cca 40mm/s tak by to šlo,ale chtělo by to vyzkoušet ,jinak bych volil ot. do 5tis (podle průměrů 3a5 předpokládám,že to bude asi na nosiče)
Redukce do kleštin jsou,do Kressu mám třeba z 8 na 5 je to vlastně váleček proříznutý jako kleština,nevím jestli se dají ještě koupit kupoval sem ji asi před 6 lety,ale myslím že šikovný nástrojař by to zvládl.
Hanések
spíš bych to řešil vřetem s frek.měničem,za tu frézku dáš deset litrů a nikdy se nevyrovná vřet. s měničem a třeba Teknomotor 2KW s ER25 + měnič dáš cca něco kolem 26 tis. a nemusíš nic měnit.Toto vřeteno mám a provozuji ho od dvou do 16000 ot.Možná by byl problém ve váze má 9 kilo oproti frézce s 5 kily.
K těm otáčkám - 8 tis. je dost,ale pokud by to nebylo moc hluboký a rychlost Zetka cca 40mm/s tak by to šlo,ale chtělo by to vyzkoušet ,jinak bych volil ot. do 5tis (podle průměrů 3a5 předpokládám,že to bude asi na nosiče)
Redukce do kleštin jsou,do Kressu mám třeba z 8 na 5 je to vlastně váleček proříznutý jako kleština,nevím jestli se dají ještě koupit kupoval sem ji asi před 6 lety,ale myslím že šikovný nástrojař by to zvládl.
Hanések
Dobře, já tu frézku mám, nechce se mi právě kupovat něco dalšího. Spíš bych potřeboval poradit jak sundat ještě o něco těch 8 tisíc otáček tak aby to bylo použitelné na vrtání a ne na vypalování
Jinak našel by se někdo schopný vyrobit tu vložku do kleštiny? Ze stopky 8 na 3.175 ?
AcemanLB tak teda oriešky do frezky su pružne a kalene ,a otačky na take vrtačiky su fakt vysoke pomohlo by regulator ale taky čo neubere na sile len na obratkach tiež budem take niečo potrebovat tak by mohol niejto niečo hodit nejaky regulator
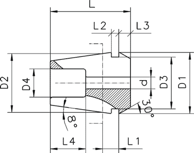
Tyhle kleštiny mám. Pomohl by mi někdo zda se to nedá identifikovat zda to není něco jako ER kleština? Údaje jsou následující: L=34; L2=2.5; L3=4.9; D1=19.5; D3=17.6 Kóty jsou vypůjčené z ER kleštin. Foto přikládám. Bylo by super kdyby to byl nějakej typizovanej typ.
Pro lepší identifikaci kleštiny doplň průměr D5 a to koncový průměr kleštiny a průměr D6 začáteční průměr kleštiny. Průměry a míry zápichu na kleštině jsou důležité kvůli matici, ale pokud nebude správný úhel kleštiny, tak ti v tom nic držet nebude, prostě nestáhneš nástroj v kleštině, kleština bude držet jen v jednom místě.
Mrkni sem: http://www.collets.de/en/p_a02b13.htm
Nejvíc odpovídá typ 407E a měly by být podle DIN 6388-A 1:10
Zde mají ceník, na straně 12 http://www.hptools.cz/_data/down/ceniky ... 1_1_09.xls
Další co by mělo odpovídat těm kleštinám https://www.fwt-gmbh.de/Clamping-system ... 20a3d64219
Po registraci by se možná dali objednat přímo od výrobce zde http://www.nann.de/shop/index.php?
Doma poměřím kleštinu z kressu, ale opravdu si myslím, že bude pasovat.
Mrkni sem: http://www.collets.de/en/p_a02b13.htm
Nejvíc odpovídá typ 407E a měly by být podle DIN 6388-A 1:10
Zde mají ceník, na straně 12 http://www.hptools.cz/_data/down/ceniky ... 1_1_09.xls
Další co by mělo odpovídat těm kleštinám https://www.fwt-gmbh.de/Clamping-system ... 20a3d64219
Po registraci by se možná dali objednat přímo od výrobce zde http://www.nann.de/shop/index.php?
Doma poměřím kleštinu z kressu, ale opravdu si myslím, že bude pasovat.
Díky moc za okaazy, docela mě zaráží cenovej rozdíl čechy a německo. U nás za tu kleštinu chtějí dá se říct 3-4 x tolik. To je docela síla.
Není zač, měřil jsem zhruba kleštinku z kressu a je jakási malá, délku má kolem 25 mm a velký průměr kolem 17 mm, tak ta ti tam určitě pasovat nebude.
Možná by nebylo od věci si kleštinku nechat udělat v nástrojárně, je to jen soustružnická a nějaký to rozřezání se dá udělat i na brusce "gumovkou" 0,5 mm. Cenu bych tipoval někde kolem 300-550 Kč/Ks včetně kalení, materiálu a konečného broušení, záleží na počtu kusů ve výrobě.
Možná by nebylo od věci si kleštinku nechat udělat v nástrojárně, je to jen soustružnická a nějaký to rozřezání se dá udělat i na brusce "gumovkou" 0,5 mm. Cenu bych tipoval někde kolem 300-550 Kč/Ks včetně kalení, materiálu a konečného broušení, záleží na počtu kusů ve výrobě.
