vyroba presneho dielu kalibru

Požadavky na výrobu dílů - poptávkové fórum
Pravidla fóra
Toto forum vyzaduje schvaleni prispevku moderatorem.
Odpovědět
Slovlik
Příspěvky: 38
Registrován: 11. 3. 2009, 6:20

18. 2. 2010, 3:45

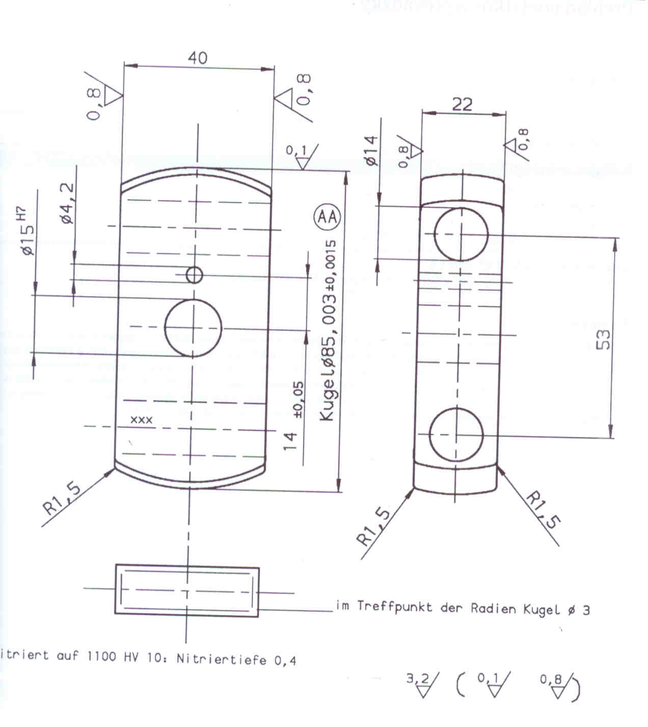
potreboval by som vyrobit tento diel vykres je v prilohe je to kaliber alebo aspon pomoct poradit kde by to ak dokazali spravit
Přílohy
kaliber.JPG
Odpovědět

Zpět na „Potřebuji vyrobit - vypomoc pri vyrobe“