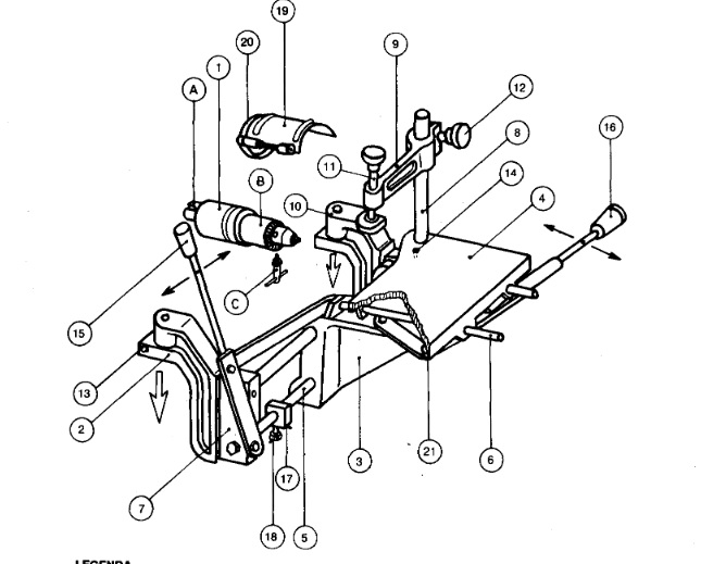
komponenty dlabačka kdr 16d

Pravidla fóra
toto forum vyzaduje schvaleni prispevku moderatorem
Odpovědět
berni
Příspěvky: 291
Registrován: 24. 11. 2012, 6:56
Bydliště: Brno, Boskovice

2. 5. 2023, 12:59

neválí se čirou náhodou někomu doma VŘETENO "A" a NOSNÁ KONZOLE "2" dvakráte na dlabačku k hoblovce Kovodružstva Rychnov n Kn. ? případně, neměl by někdo a neposkytl by nákres či lepší foto s rozměry, at nevymýšlím již vymyšlené? Hoblovku mám, dlabací orichtuňk taky ale tyto podstatné drobnosti mi chybí. díky.
kdr 16d.jpg
Odpovědět

Zpět na „Nákup“