Nerez držák se závity

Požadavky na výrobu dílů - poptávkové fórum
Pravidla fóra
Toto forum vyzaduje schvaleni prispevku moderatorem.
Odpovědět
tpavlicek
Příspěvky: 23
Registrován: 15. 3. 2018, 1:50

21. 9. 2023, 4:13

Ahoj,

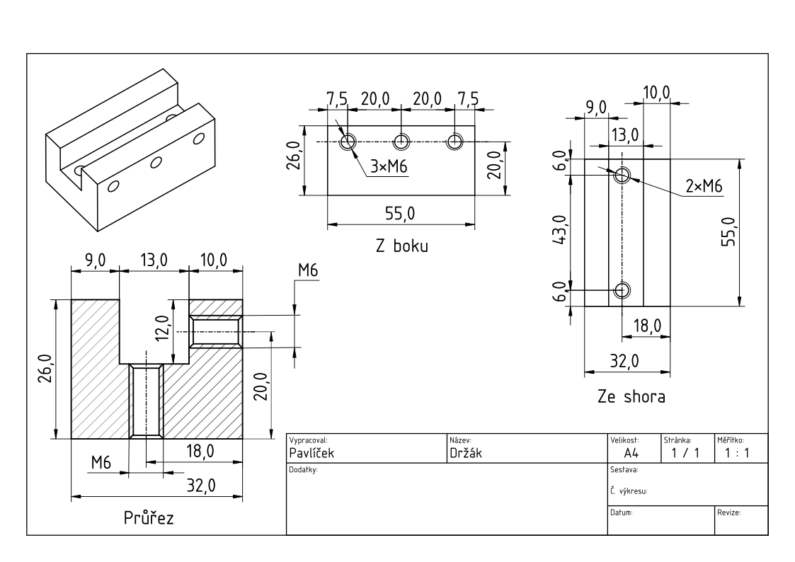
vyrobil by mi někdo podle výkresu v příloze držák z nerez oceli? Vypadá to takhle:
Drzak.png
Držák je v podstatě hranolek 55x32x26 mm s 13x12 mm drážkou na délku. Má celkem 5 průchozích vnitřních závitů M6, 2 na podstavě a 3 z boku. Pokud byste chtěli, mohu dodat i STEP soubor, popř. i jiný 3D formát.

Potřeboval bych, aby byl vyroben z nějaké nerez oceli, stačí A2, tedy odolnost vůči vodě. Co se týče přesnosti výroby, stačí to na desetinu mm. Jinak by šlo jen o jeden kus a protože nevím, na kolik by to asi tak vycházelo, poprosil bych vás o nějaký přibližný odhad.

Předem všem děkuji za nabídky,


T. Pavlíček
Přílohy
Drzak.pdf
(17.38 KiB) Staženo 207 x
tpavlicek
Příspěvky: 23
Registrován: 15. 3. 2018, 1:50

22. 9. 2023, 10:25

Zadáno, všem zúčastněným děkuji za nabídky.
Odpovědět

Zpět na „Potřebuji vyrobit - vypomoc pri vyrobe“