Cirkulárka_3f motor
Ahoj,
mohu se zeptat , jak správně zapojit tento motor?
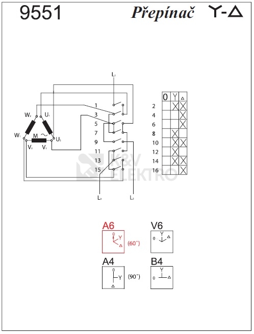
Byl spínán vačkovým spínačem hvězda-trojuhelník , ale při přepnutí do trojuhelníku
občas vyhazoval jistič...
Koupil jsem tedy nový stejný spínač, že bude možná vadný, ale pokud zapojím nový spínač dle schématu (9551), tak vyhodí jistič už při přepnutí do hvězdy....
Původní zapojení si přesně napamatuju, ale bylo jiné...
Mohl bych poprosit o radu (schéma) ,jak správně zapojit spínač k tomuto motoru?
Moc děkuji
mohu se zeptat , jak správně zapojit tento motor?
Byl spínán vačkovým spínačem hvězda-trojuhelník , ale při přepnutí do trojuhelníku
občas vyhazoval jistič...
Koupil jsem tedy nový stejný spínač, že bude možná vadný, ale pokud zapojím nový spínač dle schématu (9551), tak vyhodí jistič už při přepnutí do hvězdy....
Původní zapojení si přesně napamatuju, ale bylo jiné...
Mohl bych poprosit o radu (schéma) ,jak správně zapojit spínač k tomuto motoru?
Moc děkuji
Spoje 5-7 a 11-13 jsou nějaký divný, při hvězdě se ti přes ně spojí L2 s L3, proto to vyletí. IMHO jsou tam nakreslené nějakým nedopatřením. Bez nich by to mohlo být OK, ale ještě bych na to kouknul ráno 
mimooborová naplavenina • kolowratský zázrak™ • NPS • GCU • HirthCalc • ncDP.ino
- Zdenek Valter
- Příspěvky: 5460
- Registrován: 9. 1. 2009, 5:16
- Bydliště: Ústí n. L.
To se Ti lehce řekne, ale jistotu nemáš
Tohle chce opravdu někoho znalého problematky, aby Ti i případně změřil i motor, včetně správné orientace vinutí.
Hobbík - obráběč i 3D tiskař začátečník - strojní park je konečně instalován
Tady už ti kolega dobře poradil
SM16A, FN20, 3E710B, CDC7-2, HO02, CO2laser, Fiber.. propagator www.atreon.cz
Při vyndávání slepáku nastupuje pomalu bolest už při řezání kůže, takže to většina vzdá hned na začátku. Kdežto u elektriky to dlouho nebolí a bolest přichází v mžiku a nečekaně, tak proč to nezkusit. Někomu holt o kamnech a žhavý plotně můžeš vyprávět jak chceš, ale dokud sám nevyzkouší, nevěří... 
No jednak kdyz vidim ty draty oholeny jeste centimetr z podsroubu, bych blil... Jinak miluju kdyz mi nekdo neco prinese se slovy: tohle se mi posralo, tak jsem to zkusil opravit sam a uz to nejde vubec, oprav mi to... Kdybych mel cestu kolem, tak ti to zapojim, tento tyden urcite ne bohuzel 
Soustruh Magdeburg D30, CNC frézka home-made, 3D tisk home-made,...
Už při hvězdě nebo až občas trojůhelník (původní problém)? V druhé případě bude problém asi někde jinde (vadný motor, vadný nebo nevhodný jistič, ..).
mimooborová naplavenina • kolowratský zázrak™ • NPS • GCU • HirthCalc • ncDP.ino
A při měření pomocí Megmetu se to neprojevilo ?

Koupím hliníkové profily délky cca 60cm, nabízím 90,-Kč/kg.
