nastaveni CNC3AX v MACH3
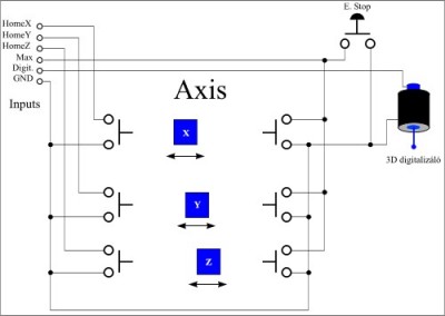
porty DIR A STEP jsem nastavil dle manualu pro CNC3AX,co jsem stahnul z nejakych bulharskych stranek,je tam vse dukladne popsano,bohuzel to sem nemohu dat,poskytovatel hlasi mani prostor.Bohuzel mi to po nastaveni stejne nejde,nekomunikuje to spolu PC a deska.No a podle toho manualu,se tam nekde v MACH3 zaskrtava typ drivru,ale v mach3 jsem to nenasel.Tu prilohu bych mohl poslat na email.Jsem zacatecnik,tak teprv zbiram zkusenosti
Když jsem nejdou umisťovat soubory, tak sem dávám alespoň odkaz na stránky s popisem nastavení o němž psal VIKES.VIKES píše:porty DIR A STEP jsem nastavil dle manualu pro CNC3AX,co jsem stahnul z nejakych bulharskych stranek,je tam vse dukladne popsano,bohuzel to sem nemohu dat,poskytovatel hlasi mani prostor.Bohuzel mi to po nastaveni stejne nejde,nekomunikuje to spolu PC a deska.No a podle toho manualu,se tam nekde v MACH3 zaskrtava typ drivru,ale v mach3 jsem to nenasel.Tu prilohu bych mohl poslat na email.Jsem zacatecnik,tak teprv zbiram zkusenosti
http://www.kmel.dir.bg/bg/mach3h.htm
wolf
napadla mne ještě jedna věc, nastavení čísla portu,
a v adresáři mach3 jsou soubory které je vhodné nahrát do registrů
a tady je návod ve frančtině
a tady je návod ve frančtině
- Přílohy
-
- cnc3axdoc.pdf
- (115.98 KiB) Staženo 1434 x
-
kalin.oleg
- Příspěvky: 312
- Registrován: 15. 7. 2006, 5:37
- Kontaktovat uživatele:
pouzivate tento soft vo free verzii, alebo existuje nejaka "lepsia" verzia? sla by poslat na mail? funguje vo free verzii vsetko? alebo je nutne to zaplatit?
Počas práce s CNC možno fajčiť...
- robokop
- Site Admin
- Příspěvky: 23177
- Registrován: 10. 7. 2006, 12:12
- Bydliště: Praha
- Kontaktovat uživatele:
soubory uz jdou pridavat
byla to chyba v nastaveni
kdyz jsem tohle forum zakladal tak jsem si rikal ze prez 500 mega priloh tu nikdy nebude
a ejhle je to tady
limit jsem zvednul na 50 giga pro forum a uz nevim kolik pro uzivatele
byla to chyba v nastaveni
kdyz jsem tohle forum zakladal tak jsem si rikal ze prez 500 mega priloh tu nikdy nebude
a ejhle je to tady
limit jsem zvednul na 50 giga pro forum a uz nevim kolik pro uzivatele
Vsechna prava na chyby vyhrazena (E)
lze registraci pořídit na slovensku
www.gravirovanie.sk
já používám demo s omezením na 1000 řádků, zatím mi to stačí, složitější díly jdou dělat po etapách
www.gravirovanie.sk
já používám demo s omezením na 1000 řádků, zatím mi to stačí, složitější díly jdou dělat po etapách
Každá mašina to má jinak a tak nebuď líný a najdi si tady screenshoty. Jsou hlavně ve vláknech o zprovozňování Maczakovy elektroniky.mechy22 píše:Prosím jestli Vám to někomu jede jestli by jste mi neposlali konfigurační soubory na mach. Nejde mi to nastvit a už panikařím:-( Všem předem děkuji.
Jarda
Radek
soustruh Bernardo 500, frézka Proxxon
(CNC Tron, CNC Proxxon MF70)
(CNC Tron, CNC Proxxon MF70)