potřebuju popíchnout, shořela mně cívečka s jádrem na hlavním vypínači na soustruhu, fce taková, že jakmile otočím hlavním spínačem, sepnou se tři fáze + do cívky, to přitáhne ten střed a vypínač zůstane sepnutý, předpokládám, že v případě "zvýšené teploty" se ten klixon odpojí, přeruší obvod a ta cívka vyhodí kolíkem vypínač??
ty dva žluté dráty jdou do svorkovnice
bude to fungovat, když tu svorkovnici proklemuju? mechanicky ten vypínač bez toho trafa zůstane pěkně zaseklý s sepnutém stavu, protože na to netlačí ta pružinka v té cívce to nebude v případě něčeho vybavovat, tu cívku asi neseženu, případně čím to nahradit, nebo neuměl by to někdo šikovný za úplatu převinout??
díky moc
cívka na hlavním spínači
- tumlik
- Sponzor fora
- Příspěvky: 3821
- Registrován: 19. 12. 2007, 8:20
- Bydliště: já su z Moravskej :-)
- Kontaktovat uživatele:
dík, ještě to upřesním, poslal jsem starý schéma, kde jde vidět ta cívka, já mám ale tuhle verzi se stykačem a tam ji nevidím, on ten spínač sice drží, ale už nejde sepnout stykač když je ta cívka spálená, dokážeš to z toho rozlousknout?
http://www.tumlikovo.cz/
Popularizační web nástrojařství a kovoobrábění
Popularizační web nástrojařství a kovoobrábění
- tumlik
- Sponzor fora
- Příspěvky: 3821
- Registrován: 19. 12. 2007, 8:20
- Bydliště: já su z Moravskej :-)
- Kontaktovat uživatele:
tady jsem to ještě proměřil kam to z té cívky vede (modře dokreslená cesta)
jeden kontakt dolů na stykač a pak do trafa s číslem 0, druhý pak přímo na trafo, číslo je tam blbě vidět 268asi
jeden kontakt dolů na stykač a pak do trafa s číslem 0, druhý pak přímo na trafo, číslo je tam blbě vidět 268asi
http://www.tumlikovo.cz/
Popularizační web nástrojařství a kovoobrábění
Popularizační web nástrojařství a kovoobrábění
Zkus tu cívku rozkuchat a změř středový jádro a výšku. Třeba tam bude pasovat nějaká unifikovaná solenoidová cívka
https://www.kovaz.cz/civky-pro-solenoid ... ily-c4556/
https://www.kovaz.cz/civky-pro-solenoid ... ily-c4556/
- tumlik
- Sponzor fora
- Příspěvky: 3821
- Registrován: 19. 12. 2007, 8:20
- Bydliště: já su z Moravskej :-)
- Kontaktovat uživatele:
Cívku jsem sundal, průměr jádra je 8mm, výška cca 22, drát 0,13mm, pořád nechápu, proč to bez ní nefachčí, jako kdyby ta třetí fáze musela přes ní
http://www.tumlikovo.cz/
Popularizační web nástrojařství a kovoobrábění
Popularizační web nástrojařství a kovoobrábění
Máš to nějakej hybrid mezi těma dvouma schématama. Zeptám se blbě, ty pojistky E1-E3 v tý patici vlevo jsi zkoušel? A měřil jsi ohmetrem nebo jen prozváněčkou? Pokud jen prozváněčkou, tak ta může pískat i přes cívku stykače.
- tumlik
- Sponzor fora
- Příspěvky: 3821
- Registrován: 19. 12. 2007, 8:20
- Bydliště: já su z Moravskej :-)
- Kontaktovat uživatele:
Pojistky jsem vytáhl ven jako první a prozvonil, ta E5 byla v hajzlu F2A, tu jsem vyměnil, ostatní byly dobré, je to furt stejné, ta civecka je spíš mechanický prvek, nemůžu ji v tom schématu identifikovat, jsem v elektrice samouk
Že to je hybrid, může být, oni to dělali na zakázku, ne jako sérii
http://www.tumlikovo.cz/
Popularizační web nástrojařství a kovoobrábění
Popularizační web nástrojařství a kovoobrábění
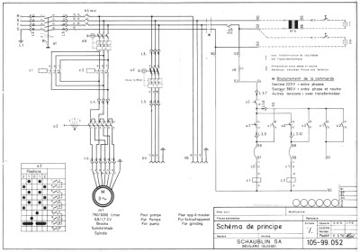
Já si myslím, že je to ten prvek a6 dle druhého schématu. Pak by bylo jasné, proč to nefunguje po sepnutí hlavního spínače. Vypadá to, že ta cívka spíná tři fáze. Pokud bys ji chtěl vyhodit, pak musíš překlemovat všechny tři kontakty. Ale je to jen domněnka, musel bych ten spínací prvek vidět. Když se na to schéma podíváš pozorně, vyskytuje se označení a6 dvakrát. Kdoví, jaké měli Švýcaři zvyklosti pro kreslení takových schémat.tumlik píše: ↑26. 6. 2024, 8:27Pojistky jsem vytáhl ven jako první a prozvonil, ta E5 byla v hajzlu F2A, tu jsem vyměnil, ostatní byly dobré, je to furt stejné, ta civecka je spíš mechanický prvek, nemůžu ji v tom schématu identifikovat, jsem v elektrice samouk![]()
Že to je hybrid, může být, oni to dělali na zakázku, ne jako sérii
Schéma a foto rozvaděče jsou odlišné.
a6 je motorová ochrana stejně jako a3 a na fotce nikde není.
Na fotce je jeden stykač, dc brzda, pojistky a trafo
Hledal bych mechanický problém v přepínači.
Cívka možná mechanicky nesepla a proto jí tekl velký proud který ji spálil.
a6 je motorová ochrana stejně jako a3 a na fotce nikde není.
Na fotce je jeden stykač, dc brzda, pojistky a trafo
Hledal bych mechanický problém v přepínači.
Cívka možná mechanicky nesepla a proto jí tekl velký proud který ji spálil.