Stavové řízení DC motoru

Odpovědět
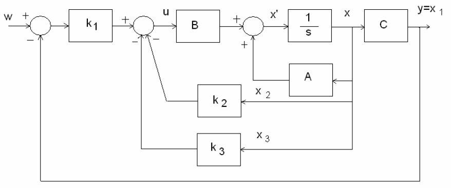
antonio22
Příspěvky: 12
Registrován: 5. 3. 2009, 10:35

29. 4. 2010, 4:14

Zdravím vás, poradili byste mi prosím jestli se dá stavový regulátor na přiloženém obrázku použít na reálný dc motor. Mě totiž přijde, že matice A,B,C jsou vlastně sami o sobě modelem motoru, a když potom tento model připojím na reálný motor, tak tam mám vlastně 2x stejný motor...a to mi hlava nebere. děkuju
Přílohy
smazat.jpg
antonio22
Příspěvky: 12
Registrován: 5. 3. 2009, 10:35

29. 4. 2010, 5:02

stačí jenom připojit na minus na vstupu výstup enkodéru a výstup modelu připojit na PWM?
Odpovědět

Zpět na „Servomotory“