TACFLEX - hadice, šroubení, ...

Odpovědět
Uživatelský avatar
Thomeeque
Příspěvky: 9520
Registrován: 30. 1. 2012, 10:20
Bydliště: Mimo ČR

17. 3. 2025, 4:42

Ahoj,

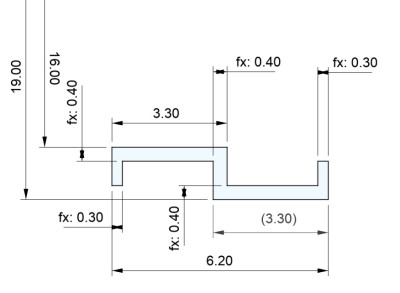
potřeboval bych vytočit atypickou fitinku (šroubení) pro ocelovou hadici 16x19, nedaří se mi najít (případně pochopit) specifikaci závitu pro tuto hadici (E v PDF).

250x250-tacf26.png
250x250-tacf26.png (52.88 KiB) Zobrazeno 3368 x

Věděl by někdo, příp. byl by ochoten oměřit?

Dík, T.


EDIT: Zkusím si to odvodit, ale stále bych odpovědí nepohrdl, může tam být nějaký důležitý detail.

TACFLEX_19x16.jpeg
tacflex_16x19_segment.jpg
mimooborová naplavenina • kolowratský zázrak™ • NPS • GCU • HirthCalc • ncDP.ino
Uživatelský avatar
Thomeeque
Příspěvky: 9520
Registrován: 30. 1. 2012, 10:20
Bydliště: Mimo ČR

19. 3. 2025, 2:34

První pokus: D=18mm, d=16mm, stoupání 5mm, šířka 2mm, měl jsem co dělat to z to dostat dolu, takže asi dobré.. T.

https://youtube.com/shorts/-8Q9p71hLPU

Image9207340810091223042.jpg
Image6602763549808086760.jpg
Image3693791943524333664.jpg
mimooborová naplavenina • kolowratský zázrak™ • NPS • GCU • HirthCalc • ncDP.ino
Odpovědět

Zpět na „Ostatni material“