Přechodová špona
Dobrý den,
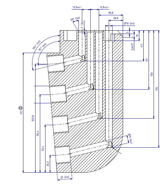
z polypropylenu vyrábíme díl viz. výstřižek z výkresu v příloze.
Máme problém v souběhu děr o průměru 10 a 11 mm, kde nám vzniká přechodová špona při vrtání druhé díry. Obvykle tento problém řešíme pomocí čepů, které vkládáme do prvně vrtané díry a následně vrtáme druhou díru. V tomto případě to nejde, tak mám dotaz, jestli neexistuje ještě jiná možnost. Děkuji
z polypropylenu vyrábíme díl viz. výstřižek z výkresu v příloze.
Máme problém v souběhu děr o průměru 10 a 11 mm, kde nám vzniká přechodová špona při vrtání druhé díry. Obvykle tento problém řešíme pomocí čepů, které vkládáme do prvně vrtané díry a následně vrtáme druhou díru. V tomto případě to nejde, tak mám dotaz, jestli neexistuje ještě jiná možnost. Děkuji
ja to teda nepoužívám, nemám proč, ale mohl by to vyřešit nějaký takovýto nástroj.
Odkaz je na leštící nádstavce, ale viděl jsem že mají v nabídce i různé kartáčové nástroje na odjehlování hran. Ty jsou vidět na videu. I když na plast by byl stejně nejspíš vhodnější ten leštící. https://www.youtube.com/watch?v=UBUnVTWZGUk
https://www.aliexpress.com/item/1005006 ... in_prod%3A
Odkaz je na leštící nádstavce, ale viděl jsem že mají v nabídce i různé kartáčové nástroje na odjehlování hran. Ty jsou vidět na videu. I když na plast by byl stejně nejspíš vhodnější ten leštící. https://www.youtube.com/watch?v=UBUnVTWZGUk
https://www.aliexpress.com/item/1005006 ... in_prod%3A
BF30 přestavěná, Optimum F100 přestavěná
Kamodel.cz
Mach4
Kamodel.cz
Mach4
-
Polesovsky
- Příspěvky: 536
- Registrován: 28. 5. 2011, 9:30
- Bydliště: Brno
z polypropylenu??? Proc to nevytisknete na tiskarne a nasledne jen dodelavate dosedaci a tolerovane plochy/diry.Rene.Sefr píše: ↑23. 10. 2025, 11:57 Dobrý den,
z polypropylenu vyrábíme díl viz. výstřižek z výkresu v příloze.
Máme problém v souběhu děr o průměru 10 a 11 mm, kde nám vzniká přechodová špona při vrtání druhé díry. Obvykle tento problém řešíme pomocí čepů, které vkládáme do prvně vrtané díry a následně vrtáme druhou díru. V tomto případě to nejde, tak mám dotaz, jestli neexistuje ještě jiná možnost. Děkuji
Výkres.png
-
prochaska
- Sponzor fora
- Příspěvky: 8445
- Registrován: 16. 7. 2006, 12:33
- Bydliště: Praha Bohnice + Roudnice nad Labem
- Kontaktovat uživatele:
Co myslíš tou přechodovou šponou? Kde přesně?
Co se týká mechanického leštění, tomu bych se u PP raději vyhnul. Všechno jedině strojně srážet, případně kde to lze a je rychlejší tak plamenem.
Co se týká mechanického leštění, tomu bych se u PP raději vyhnul. Všechno jedině strojně srážet, případně kde to lze a je rychlejší tak plamenem.
Aleš Procháska
předpokládám, že myslí tu šponu vznikou na dně uvnitř souběhu těch dvou děr?
vzhledem k tomu, že je to jen nějaký kanálek nelze ty díry projet trošku hlouběji tak aby tam nezůstal otřep a byl kanál plnohodnotného průřezu? to by asi funkčn nemělo mít na nic vliv
vzhledem k tomu, že je to jen nějaký kanálek nelze ty díry projet trošku hlouběji tak aby tam nezůstal otřep a byl kanál plnohodnotného průřezu? to by asi funkčn nemělo mít na nic vliv
věčný rýpal,který musí mít poslední slovo, odpůrce low-cost zařízení končících v naprosté většině případů v hromadě šrotu
uživatelé hýbátek, kteří mají z mých příspěvků celoživotní trauma nechť si mé příspěvky VYPNOU
uživatelé hýbátek, kteří mají z mých příspěvků celoživotní trauma nechť si mé příspěvky VYPNOU
-
Polesovsky
- Příspěvky: 536
- Registrován: 28. 5. 2011, 9:30
- Bydliště: Brno
No termické odhrotování zrovna NE. Mají to z polypropylenu což je termoplast.
Dávali jsme termicky odhrotovat nerez male kostečky a výsledek byl opálené kostky co zákaznik nechtěl. Termoplast by zhořel vice.
Možná to nevrtat vrtákem do konce ?
Myslím tím nechat po vrtání trošku materiálu aby se špona nevytvořila a dojet to 1 nebo 2 břitou leštěnou frézou ?
Myslím tím nechat po vrtání trošku materiálu aby se špona nevytvořila a dojet to 1 nebo 2 břitou leštěnou frézou ?
BF30 přestavěná, Optimum F100 přestavěná
Kamodel.cz
Mach4
Kamodel.cz
Mach4
nápad
Projet to znova tím spodním vrtákem pr. 11 (nebo frézou pr. 11) a tím tu vytvořenou šponu uříznout?
postup 11-10-11
Projet to znova tím spodním vrtákem pr. 11 (nebo frézou pr. 11) a tím tu vytvořenou šponu uříznout?
postup 11-10-11
Obvykle se dějí věci obvyklé. Méně často se dějí věci neobvyklé a zcela vyjímečně se dějí věci vyjímečné...
Masturn 40 CNC, Hermle UWF1200H CNC a pár klasik
http://www.radialengine.cz" onclick="window.open(this.href);return false;
http://www.autopejsek.cz" onclick="window.open(this.href);return false;
Masturn 40 CNC, Hermle UWF1200H CNC a pár klasik
http://www.radialengine.cz" onclick="window.open(this.href);return false;
http://www.autopejsek.cz" onclick="window.open(this.href);return false;
- Krutor
- Sponzor fora
- Příspěvky: 1085
- Registrován: 2. 12. 2008, 8:58
- Bydliště: Moravské Bránice
- Kontaktovat uživatele:
Výstružník v plastu se bude hodně zahřívat, ne?
Já když chci předejít grótu na výstupu z díry, tak ji vyvrtám o 0,2 menší a pak projedu frézou, velkým posuvem. Ale toto je hodně hluboko. Možná by pomohl vrták s plochým čelem. Nebo vrták do dřeva, jenom mu ubrousit špičku. Asi blbost, co ...
Já když chci předejít grótu na výstupu z díry, tak ji vyvrtám o 0,2 menší a pak projedu frézou, velkým posuvem. Ale toto je hodně hluboko. Možná by pomohl vrták s plochým čelem. Nebo vrták do dřeva, jenom mu ubrousit špičku. Asi blbost, co ...
Petr Spáčil
BF30 přestavěná, Optimum F100 přestavěná
Kamodel.cz
Mach4
Kamodel.cz
Mach4
