Obrábění svařence D780mm

Požadavky na výrobu dílů - poptávkové fórum
Pravidla fóra
Toto forum vyzaduje schvaleni prispevku moderatorem.
Odpovědět
Uživatelský avatar
ladis.biker
Příspěvky: 242
Registrován: 11. 10. 2009, 9:44
Bydliště: Nový Bydžov
Kontaktovat uživatele:

26. 10. 2025, 6:40

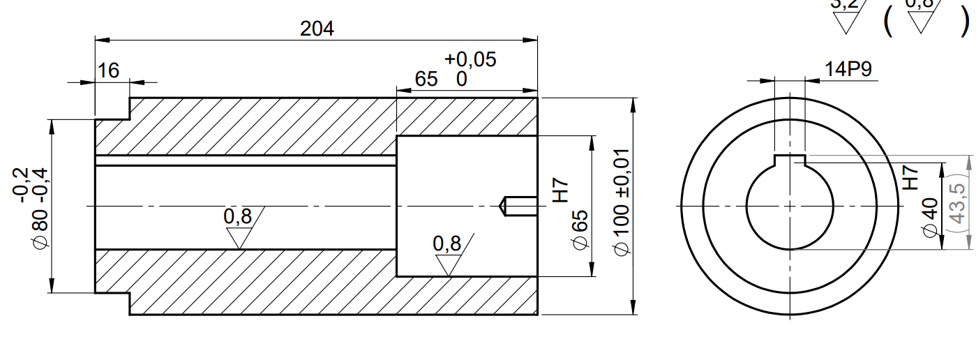
Dokáže tu někdo obrobit dílec průměru 780mm a výška 210mm. Šlo by o obrobení průměrů načisto po zavaření, tedy 40 H7 a 65 H7. Následně obrobení drážky na pero 14P9.

Vyrábět se bude zatím jeden kus.

Tady je výkres středu k navaření, jež by se obráběl.
naboj.png
Ideálně královehradecký kraj, ale asi není problém zavézt po celé ČR.

Případně děkuji za nabídky.
www.falcon-racing.cz
Mazak Integrex 100, SQT15M, HTC400, Brother TC225, TopSolid
Jonáš
Příspěvky: 33
Registrován: 10. 1. 2023, 6:45

31. 10. 2025, 2:04

šlo by do sz poslat fotku celého svařence?

Jonáš
Volejte a pište na tel. a mail co zmíním.
SZ nečtu.
Odpovědět

Zpět na „Potřebuji vyrobit - vypomoc pri vyrobe“