Boční vrtání - rozteč s tolerancí +/-0.01 mm
Pravidla fóra
Toto forum vyzaduje schvaleni prispevku moderatorem.
Toto forum vyzaduje schvaleni prispevku moderatorem.
Zdravím,
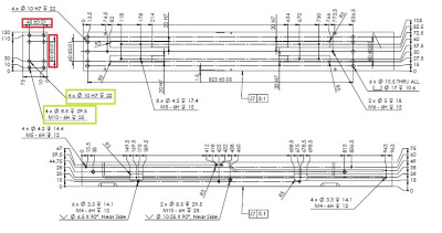
poptávám obrobení 2 kusů hliníkového dílce (mat. EN AW-5083) - boční vrtání děr a závitů z jednoho čela: 4 x ø 10 H7 + 4 x M10-6H:
Předepsané tolerance je nutno dodržet, nelze rozvolnit.
Díl jde následně na přírodní elox.
Ideálně JMK.
Děkuji!
poptávám obrobení 2 kusů hliníkového dílce (mat. EN AW-5083) - boční vrtání děr a závitů z jednoho čela: 4 x ø 10 H7 + 4 x M10-6H:
Předepsané tolerance je nutno dodržet, nelze rozvolnit.
Díl jde následně na přírodní elox.
Ideálně JMK.
Děkuji!
Naposledy upravil(a) Tereza dne 18. 11. 2025, 10:29, celkem upraveno 1 x.
Setinová tolerance a pak na to elox???? 
Na hackove diery sa pre elox dava pridavok. Polohu to neovplyvni. A co mam skusenost, tak pri kusovke sa ta tolerancia pre hacko nikdy netrafi a je to tesne. Vystruznik riesi. Ale 0,01 mm tolerancia je dost moribundus...
https://www.facebook.com/tirotech.sk
Proto se to nejdřív opálí a pak doeloxuje nazpět na rozměr, ale ne každý to umí, ne vždycky se to povede a taky je dobré mít více kusů na zkoušku. Dělával jsem na soustruhu kusy z hliníku s tolerovaným průměrem -0.01 nahotovo a nebyl až takový problém to vysoustružit, jako to naeloxovat. Ale postupně se to zmáklo a už to pak jelo celkem spolehlivě.
Hej, pisal som, ze na kusovke sa to netrafi. Ty pises, ze postupne sa to vychytalo
. Poznam firmu, kde na seriovej vyrobe vychytali kalenie tak, ze nebolo treba nasledne opracovanie. Sprav to na jednom kuse....
https://www.facebook.com/tirotech.sk