OT: ejektor

Odpovědět
prochaska
Sponzor fora
Příspěvky: 8450
Registrován: 16. 7. 2006, 12:33
Bydliště: Praha Bohnice + Roudnice nad Labem
Kontaktovat uživatele:

17. 10. 2010, 12:56

Omlouvám se za OT, není to zrovna k CNC - neuměl by tady někdo navrhnout ejektor nebo aspoň zkontrolovat návrh? Jsou tady machři přes parní stroje a podobné, tak to zkouším... Děkuji.
Aleš Procháska
Uživatelský avatar
Radek-B
Příspěvky: 2137
Registrován: 13. 9. 2006, 11:09
Bydliště: V:Karlovice
Kontaktovat uživatele:

17. 10. 2010, 7:57

Ty chces neco cerpat ?? Anebo jinak , proc to konstruujes ? da se to prece jednoduse koupit. Anebo to bude nejaka specialka ?

RADEK
modernizace/repase CNC strojů a zařízení
automatizace/konstrukce
prochaska
Sponzor fora
Příspěvky: 8450
Registrován: 16. 7. 2006, 12:33
Bydliště: Praha Bohnice + Roudnice nad Labem
Kontaktovat uživatele:

17. 10. 2010, 10:24

Je to samozřejmě specialitka :-) Miniaturní ejektor jako součást analyzátoru plynů. Má být poháněný přiváděným plynem a vytvářet při tom podtlak několik cm vodního sloupce v jednom ze senzorů. Ale doufám, že u těchto rozměrů (celková délka max. 13 mm) budou platit stejná pravidla návrhu jako u velkého ejektoru :-)
Aleš Procháska
Uživatelský avatar
robokop
Site Admin
Příspěvky: 23275
Registrován: 10. 7. 2006, 12:12
Bydliště: Praha
Kontaktovat uživatele:

17. 10. 2010, 10:29

prolez weby anglickejch vyrobcu parnich modelu
standardne maji injektory takze ejektory by meli byt potom samozrejmosti
Vsechna prava na chyby vyhrazena (E)
prochaska
Sponzor fora
Příspěvky: 8450
Registrován: 16. 7. 2006, 12:33
Bydliště: Praha Bohnice + Roudnice nad Labem
Kontaktovat uživatele:

17. 10. 2010, 10:37

Aha, dík, to zkusím. Já zatím hledal nějaké principy, jaké mají být tlakové poměry, co se má chtít od profilu trysky a nic co bych chápal jsem nenašel :-)
Aleš Procháska
prochaska
Sponzor fora
Příspěvky: 8450
Registrován: 16. 7. 2006, 12:33
Bydliště: Praha Bohnice + Roudnice nad Labem
Kontaktovat uživatele:

18. 10. 2010, 3:27

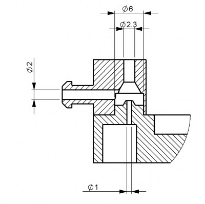
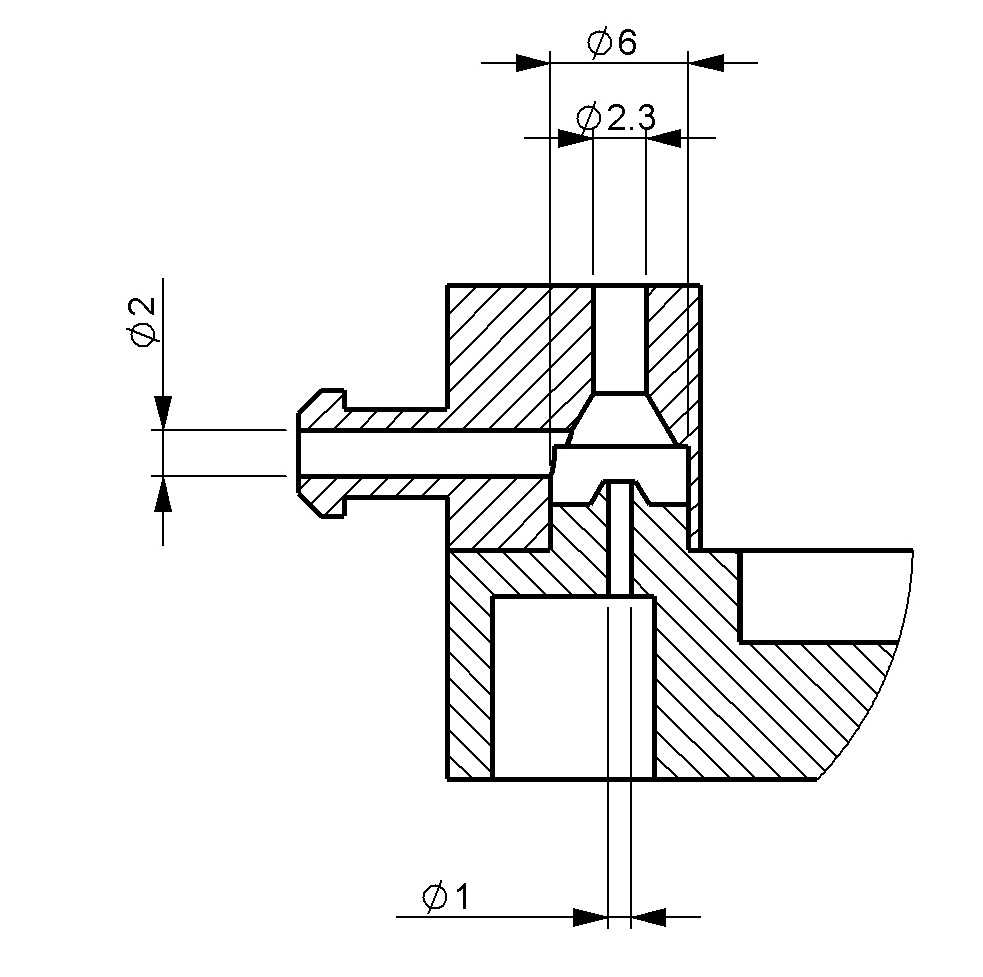
Tak jsem nakonec zvolil čínskou metodu: zkonstruovat něco co vypadá jako ejektor a on to při troše štěstí bude ejektor :D

Pro zajímavost to teď vypadá takhle a dělá mi to podtlak 10 cm vodního sloupce což s rezervou stačí. Plyn jde zespoda nahoru, přetlak rámcově 1 bar, přisává to z boku.
Přílohy
test.jpg
Aleš Procháska
Odpovědět

Zpět na „Zacinam stavet a nevim jak na to“