Nazdar.
Hraju si teď trošku s elektronikou (učím se pwm a motory na Atmelech) a potřeboval bych posílat ladící signály do sériového portu PC.
Problém je, že dříve u PICAXE (PIC) stačilo použít třídrátový kabel a povídalo si to na 5V logice. U Atmelů najednou tvrdí, že na RxD a TxD lince má být převodník úrovní na +-15V.
Tak jak to je správně - propojit přímo nebo přes převodník?
Díky za nakopnutí, Radek
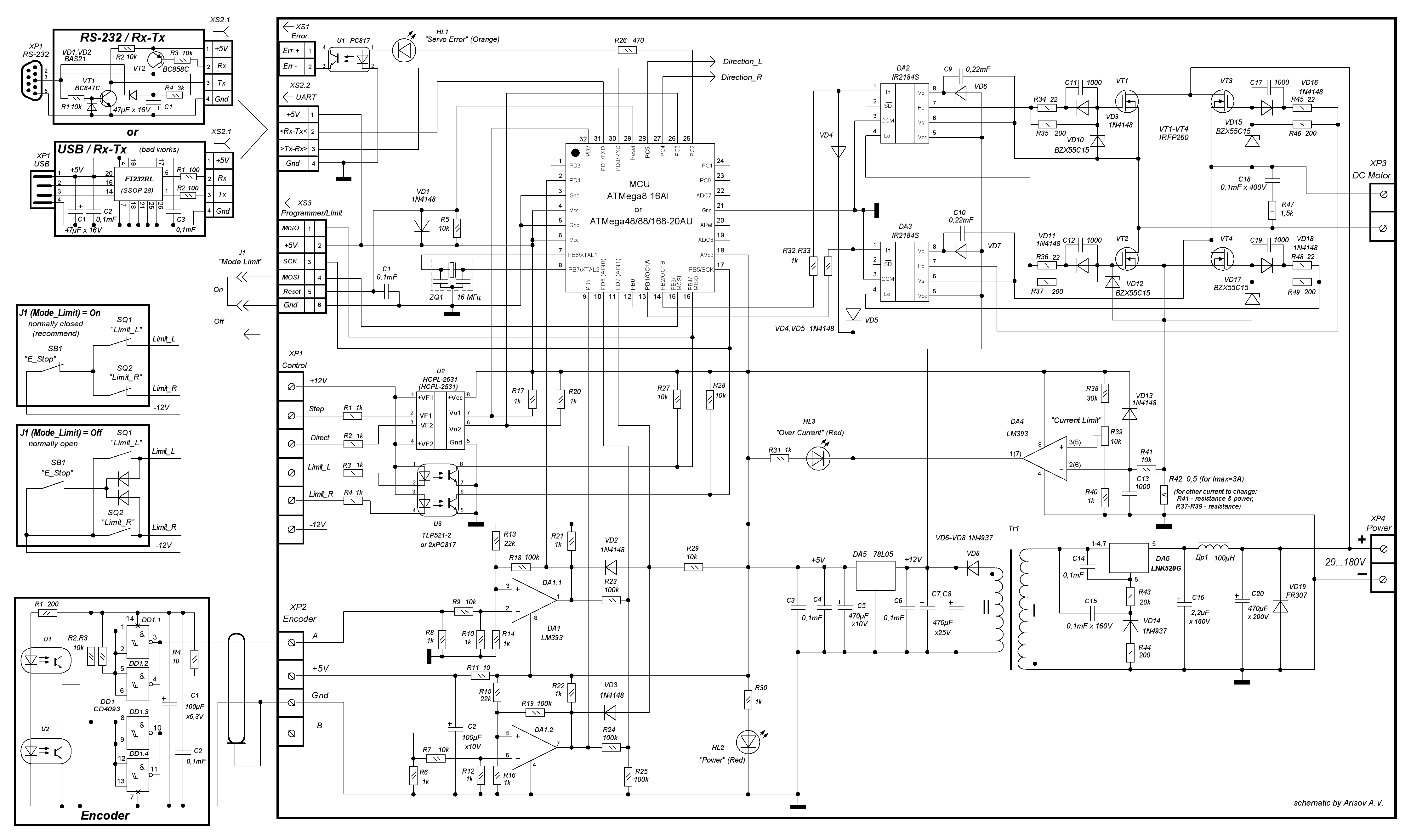
RS232
Ano, signaly RS232 jsou +-9 az +-12V. Logicka jedna je - napeti (zaporne) a logicka nula je + napeti (kladne). Pro zjednoduseni se na amaterskych konstrukcich pouziva pripojeni TTL logiky do RS232 prez odpory resp. odporovy delic. Predpoklada se, ze logicka jedna na TTL (+5V) se pro vetsinu vstupu RS232 chova jako nula a logicka nula na TTL (0V) se pro vetsinu vstupu RS232 chova jako "zaporne napeti" tj. logicka jedna. Smer z RS232 do TTL je osetren delicem napeti. Z nasledujiciho vypliva, ze signaly jsou invertovany (opacne log. stavy). Pokud se napisou podprogramy pro odesilani a prijem dat, tak se v nich udela "softwarova inverze". Pokud se pouzije nejaky UART v mikroprocesoru, tak tato inverze chybi.
At tak nebo tak, jsem pro pouziti korektniho prevodniku. Jeden "svab" a par kondiku a je to bez problemu a na 100% korektni. Takovyto prevodnik se da udelat jako pripravek a pouzivat k odladovani pro ruzna zapojeni, neni nutne, aby byl soucasti vyrobku.
At tak nebo tak, jsem pro pouziti korektniho prevodniku. Jeden "svab" a par kondiku a je to bez problemu a na 100% korektni. Takovyto prevodnik se da udelat jako pripravek a pouzivat k odladovani pro ruzna zapojeni, neni nutne, aby byl soucasti vyrobku.
Pavel Urban
Díky za vysvětlení. Předtím byly dva odpory, teď je UART, takže sedí.
Takže zkusím ubastlit něco takového: http://www.sigma-shop.com/product/5/max ... oject.html" onclick="window.open(this.href);return false;
Samozřejmě, že je diskutabilní, jestli za ty prachy vůbec zapínat pájku, ale hra je hra.
(Daleko větší problém bude sehnat MAX232, protože náš místní "obchodník" skoro nic nemá a poštovné z GME by stálo víc než celý výrobek.
Radek
Edit: http://cgi.ebay.com/MAX232-RS232-Serial ... 3f0ab1b1bf" onclick="window.open(this.href);return false;
Tak že bych přece jen koupil hotové???
Takže zkusím ubastlit něco takového: http://www.sigma-shop.com/product/5/max ... oject.html" onclick="window.open(this.href);return false;
Samozřejmě, že je diskutabilní, jestli za ty prachy vůbec zapínat pájku, ale hra je hra.
(Daleko větší problém bude sehnat MAX232, protože náš místní "obchodník" skoro nic nemá a poštovné z GME by stálo víc než celý výrobek.
Radek
Edit: http://cgi.ebay.com/MAX232-RS232-Serial ... 3f0ab1b1bf" onclick="window.open(this.href);return false;
Tak že bych přece jen koupil hotové???
soustruh Bernardo 500, frézka Proxxon
(CNC Tron, CNC Proxxon MF70)
(CNC Tron, CNC Proxxon MF70)
za 70 korun bych se s tim fakt nepajel.
http://cgi.ebay.com/New-MAX232-RS232-TT ... 3365237e2a" onclick="window.open(this.href);return false;
prijde to rychle, celnice ted tydle drobnosti nestiha resit
http://cgi.ebay.com/New-MAX232-RS232-TT ... 3365237e2a" onclick="window.open(this.href);return false;
prijde to rychle, celnice ted tydle drobnosti nestiha resit
Ja pouzivam toto: http://cz.farnell.com/ftdi/ttl-232r-3v3 ... dp/1329311. Neni to sice RS232 ale USB, je to drazsi ale mooooc pekny. Ve Farnellu platis korunama a pokud to objednas do 17:00, tak to mas druhy den doma. Prevodnik je zalit v USB konetoru, pozor na 3V logiku. Nutno instalovat ovladac a virtualni port. Je to bez problemu.
Pavel Urban
Myslim, ze dobry napad je prevodnik USB-TLL. Treba neco s FTDI232R. A pokud mozno kratke nebo stinene TTL kabliky.
Vyhodou je, ze je tak mozne jit na maximalni rychlost UARTu, takze pak muze byt odesilani ladicich informaci casove relativne neinvazivni. Na XMega mi chodi prenos 2MBit/s, takze v kazde PWM periode dovedu odeslat spoustu informaci (ADC a stavy), jde z toho udelat celkem pouzitelny SW osciloskop (ale pouzivam DMA).
Na ATMega muzes pouzit busy-wait na odeslani (nebo jen spocitat, ze se byte stihne) a nemusi se pak resit ISR pro odesilani.
Vyhodou je, ze je tak mozne jit na maximalni rychlost UARTu, takze pak muze byt odesilani ladicich informaci casove relativne neinvazivni. Na XMega mi chodi prenos 2MBit/s, takze v kazde PWM periode dovedu odeslat spoustu informaci (ADC a stavy), jde z toho udelat celkem pouzitelny SW osciloskop (ale pouzivam DMA).
Na ATMega muzes pouzit busy-wait na odeslani (nebo jen spocitat, ze se byte stihne) a nemusi se pak resit ISR pro odesilani.